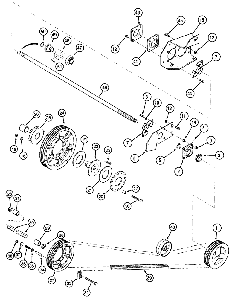
Запчасти Case IH 2388 (09A-12) - FEEDER - JACKSHAFT DRIVE BSN JJC0268799 (13) - FEEDER

Схема запчастей Case IH 2388 - (09A-12) - FEEDER - JACKSHAFT DRIVE BSN JJC0268799 (13) - FEEDER
2
39
17
23
43
51
12
25
32
1
28
40
19
37
11
16
10
15
49
18
4
20
47
50
30
24
44
45
27
38
21
6
46
34
41
33
3
7
12
8
26
31
12
48
35
36
14
7
9
5
29
28
22
21
FIT
1:1
100%

Артикул

Название

Примечание

Количество

241930A1

PULLEY

Includes 1 - 5

1шт.

1

238967A2

PULLEY,335.5mm OD

1шт.

241929A2

BEARING ASSY

Includes 2 - 4

1шт.

2

NSS

NOT SOLD SEPARAT

Housing

1шт.

3

193282C91

BEARING ASSY,50.8 mm ID x 100 mm OD x 55.5 mm

1шт.

4

219-40

LUBE NIPPLE,65 Degree Elbow, 1/8" - 27 NPTF

1шт.

5

100-11200

SNAP RING,#200, Ext

1шт.

6

239239A2

SUPPORT

RH

1шт.

6a

100290A1

SUPPORT

RH, Not Illustrated

1шт.

With Field Tracker

1шт.

7

240436A2

SUPPORT

2шт.

8

433-1032

CARRIAGE BOLT,Sq Nk, 5/8" - 11 x 2", Gr 5

4шт.

9

231-51410

FLANGE NUT,Flg, USR, 5/8"-11

4шт.

10

498-81010

SQ HOLE WASHER,16.66mm ID x 38.1mm OD x 2.67mm Thk

4шт.

11

409-7816

BOLT,Hex Flg, 1/2" - 13 x 1", Spcl

2шт.

12

231-5148

FLANGE NUT,Flg, USR, 1/2"-13

9шт.

14

425-1410

JAM NUT,Jam, 5/8"-11, G5

4шт.

15

239240A2

SUPPORT

LH

1шт.

15a

100291A2

SUPPORT

LH, Not Illustrated

1шт.

With Field Tracker

1шт.

16

326-656

BOLT,Hex, 3/8" - 16 x 3-1/2", Gr 8

4шт.

17

1305375C1

SPACER

4шт.

18

492-11038

LOCK WASHER,3/8"

4шт.

19

329-106

NUT,3/8"-16, G8

4шт.

20

185955C1

PLATE

1шт.

21

181579C1

DISC

2шт.

22

Q3959

COTTER PIN,Gib, 3/8" Sq x 4 1/2"

2шт.

23

1305154C2

HUB

1шт.

24

1305297C1

PULLEY

22-9/16" OD, Driven, See Figure 09A-10

1шт.

25

1305220C91

HUB ASSY.

Includes 26

1шт.

26

610435C1

BUSHING,69.93mm ID x 82.65mm OD x 76.2mm L

1шт.

27

1305288C1

PULLEY

16-11/16" OD, Drive

1шт.

28

495-81093

WASHER,45.24mm ID x 63.5mm OD x 3.4mm Thk

1шт.

29

1305393C1

SPACER

2-35/64"

1шт.

30

REF

INSTRUCTION

SHAFT, Conveyor, See Figure 09A-22

1шт.

31

162172C1

SPACER

1-13/16" x 2-1/4" x 1-15/16"

1шт.

32

1315319C1

BOLT,Hex, 3/8" - 16 x 6", Gr 8

3/8 x 6; 8

8шт.

33

1315316C1

SUPPORT

2шт.

With Rock Trap

1шт.

34

1305370C3

SPACER

8шт.

35

495-81129

WASHER,13/32" x 3/4" x .120"

8шт.

36

1305692C2

SPRING

8-10шт.

37

495-81143

WASHER,13/32" x 1 1/2" x .120"

16шт.

38

231-4116

NUT,3/8"-16, GB

8шт.

39

1308489C2

V-BELT,22.33 mm W x 3990.69 mm L

1шт.

With 60" Feeder

1шт.

39

1313097C3

V-BELT,22.33 mm W x 3706.69 mm L

1шт.

With 54-1/2" Feeder

1шт.

40

176579C1

IDLER

8" OD, Drive Tightener

1шт.

41

241578A1

FLANGE

1шт.

43

241577A1

FLANGE

1шт.

44

434-820

CARRIAGE BOLT,Sht Sq Nk, 1/2" - 13 x 1 1/4", Gr 5

4шт.

45

413-820

BOLT,Hex, 1/2" - 13 x 1-1/4", Gr 5

3шт.

253531A1

SHAFT

Includes 46 - 51

1шт.

46

NSS

NOT SOLD SEPARAT

Shaft, Cross

1шт.

47

240746A1

BALL BEARING,34.93mm ID x 80mm OD x 22mm W

1шт.

48

253469A1

COLLAR,35.25mm ID x 63.5mm OD x 46mm L

1шт.

49

253533A1

HUB,1-15/16" - 20

1шт.

50

253462A1

SPECIAL RING

1шт.

51

484-1386

SET SCREW,Hex Soc, 3/8"-24 x 3/8"

1шт.

52

240437A3

PLASTIC-RUBBER TUBE,60.3 mm OD

Plastic, Not Illustrated

1шт.

Выбрано товаров: 61