Запчасти Case IH 2388 (09B-02[02]) - ROTOR DRIVE - PULLEY AND CAM - ASN JJC0273000 (14) - ROTOR, CONCANVES & SIEVE

Схема запчастей Case IH 2388 - (09B-02[02]) - ROTOR DRIVE - PULLEY AND CAM - ASN JJC0273000 (14) - ROTOR, CONCANVES & SIEVE
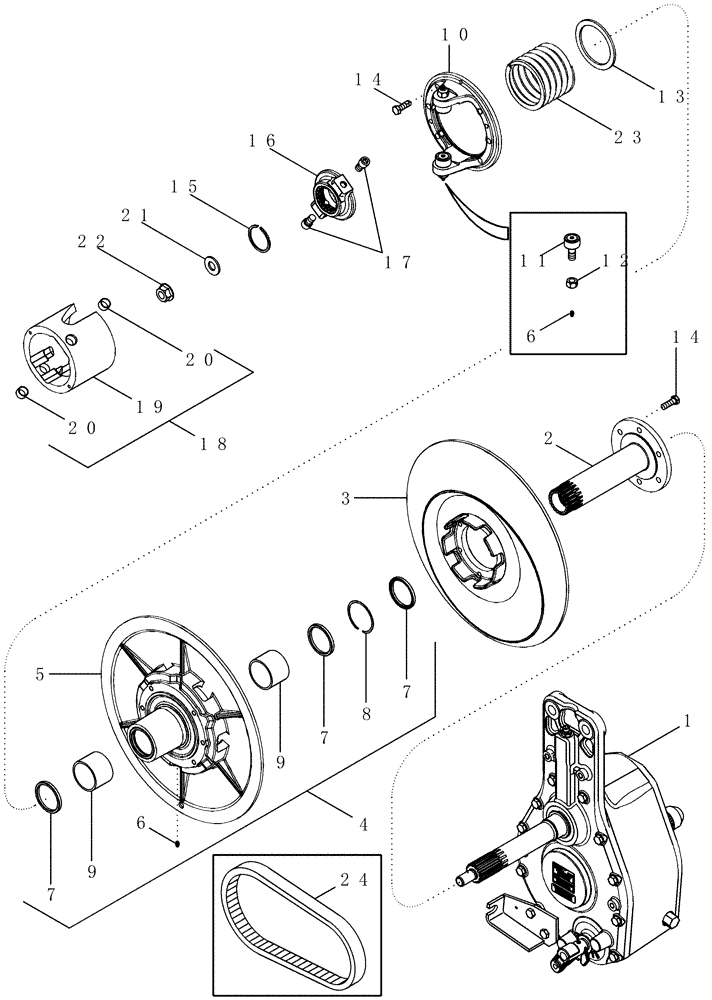
14
23
21
11
10
16
24
17
5
6
7
3
19
7
9
13
2
14
7
12
20
15
22
9
8
20
4
1
6
18
FIT
1:1
100%

Артикул

Название

Примечание

Количество

1

87401155

GEARBOX

See Figure 09B-04

1шт.

2

184489C1

HUB

Fixed Half

1шт.

3

411408A1

PULLEY

Fixed

1шт.

4

413163A1

PULLEY,546.1mm OD

Variable, Includes 5 - 9

1шт.

5

NSS

NOT SOLD SEPARAT

Pulley

1шт.

6

219-87

LUBE NIPPLE,1/4" - 28 NPTF

3шт.

7

193965C92

SEAL

3шт.

8

537602R1

RING

1шт.

9

NSS

NOT SOLD SEPARAT

Bushing

2шт.

10

411411A1

CAM FOLLOWER

Cam Follower

1шт.

11

418732A1

CAM FOLLOWER

2шт.

12

425-1110

NUT,5/8"-18, G5

2шт.

13

188210C91

CAM FOLLOWER

1шт.

14

310-1824

BOLT,Hex, 1/2" - 13 x 1-1/2", Gr 8

12шт.

15

360171R1

SNAP RING,M66.67 x 3.23mm Thk, Ext

1шт.

16

411410A1

HUB,60.58mm ID x 137.4mm OD x 42mm L

Sensing Cam

1шт.

17

194167C1

SCREW,5/8 - 11" x 1"

5/8" x 1"

2шт.

18

87436839

CAM

Torque Sensing, Includes 19, 20, Replaces 443594A1

1шт.

19

NSS

NOT SOLD SEPARAT

Cam

1шт.

20

193941C1

BUSHING,22.23mm ID x 25.41mm OD x 15.88mm L

2шт.

21

370255R2

WASHER,22.63mm ID x 47.75mm OD x 4.18mm Thk

1шт.

22

1315288C1

FLANGE NUT

7/8"; 8

1шт.

23

413160A1

SPRING

1шт.

24

413159A1

V-BELT,2839.48 mm L

Rotor Drive, Seamless

1шт.

29

86992943

PLATE

See Figure 09B-02 (01)

1шт.

30

86992947

ROD

Torque Sensing

2шт.

31

429-108

NUT,1/2"-13, G8

4шт.

32

495-11053

WASHER,1/2", SAE

2шт.

Выбрано товаров: 28