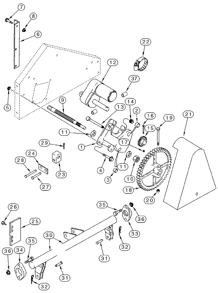
Запчасти Case IH 2388 (09B-13) - CONCAVES - CONTROL (14) - ROTOR, CONCANVES & SIEVE

Схема запчастей Case IH 2388 - (09B-13) - CONCAVES - CONTROL (14) - ROTOR, CONCANVES & SIEVE
11
4
9
31
37
13
11
34
35
5
19
21
18
30
10
32
24
6
16
28
22
17
32
27
12
1
23
2
33
35
3
7
20
8
15
31
29
36
36
14
25
26
FIT
1:1
100%

Артикул

Название

Примечание

Количество

1

142607A2

HOUSING

Includes 2, 3

1шт.

2

551068R1

BUSHING,22.28mm ID x 25.43mm OD x 22.23mm L

2шт.

3

568921R1

BUSHING,15.9mm ID x 19.02mm OD x 22.23mm L

1шт.

4

409-7620

BOLT,Hex Flg, 3/8" - 16 x 1 1/4", Spcl

2шт.

4

409-7624

BOLT,Hex Flg, 3/8" - 16 x 1 1/2", Spcl

3/8" x 1-1/4"

2шт.

5

231-5146

FLANGE NUT,3/8"-16

4шт.

6

185779A2

SUPPORT

1шт.

7

409-7616

BOLT,Hex Flg, 3/8" - 16 x 1", Spcl

1шт.

8

231-5146

FLANGE NUT,3/8"-16

1шт.

9

131436A2

SHAFT

1шт.

10

231-41110

LOCK NUT,5/8"-11, GB

1шт.

11

396-11066

WASHER,0.66" ID x 1.31" OD x 0.1" Thk

2шт.

12

143239A2

MOTOR, ELECTRIC

Concave Control

1шт.

12

143239A2R

REMAN-ELECTRIC MOTOR

2388, BSN JJC0276540

1шт.

12

143239A2C

CORE-ELECTRIC MOTOR

Return Number

1шт.

13

413-880

BOLT,Hex, 1/2" - 13 x 5", Gr 5

1шт.

14

231-1448

NUT,1/2"-13, GB

1шт.

15

135406A2

GEAR

20T, Driver

1шт.

16

413-428

BOLT,Hex, 1/4" - 20 x 1-3/4", Gr 5

1шт.

17

230-4214

LOCK NUT,1/4"-20, GA

1шт.

18

135410A2

GEAR

70T, Driven

1шт.

19

413-436

BOLT,Hex, 1/4" - 20 x 2-1/4", Gr 5

1шт.

20

230-4214

LOCK NUT,1/4"-20, GA

1шт.

21

144528A1

SHIELD

1шт.

22

214-1540

HOSE CLAMP,#40, 2.06" - 3", Type F Worm, W/ Liner

1шт.

23

192886C1

NUT

1шт.

24

192888C1

PLATE

Concave Control

2шт.

25

188168C1

PLATE

Concave Indicator

1шт.

26

276-1458

SELF-TAP SCREW,Hex Hd, #10 x 1/2"

2шт.

27

439-1848

HEADED PIN,1/2" x 3"

1шт.

28

439-1838

HEADED PIN,1/2" x 2 3/8"

1шт.

29

432-1216

COTTER PIN,3/16" x 1"

2шт.

30

191422C2

LEVER

1шт.

31

439-1823

HEADED PIN,12.7mm OD x 22.23mm L

2шт.

32

432-1216

COTTER PIN,3/16" x 1"

2шт.

33

188351C1

HUB

1шт.

34

192890C2

HUB

1шт.

35

413-824

BOLT,Hex, 1/2" - 13 x 1-1/2", Gr 5

4шт.

36

231-5148

FLANGE NUT,Flg, USR, 1/2"-13

4шт.

37

617794R1

SPACER,13.5mm ID x 19.05mm OD x 27mm L

2шт.

Выбрано товаров: 40