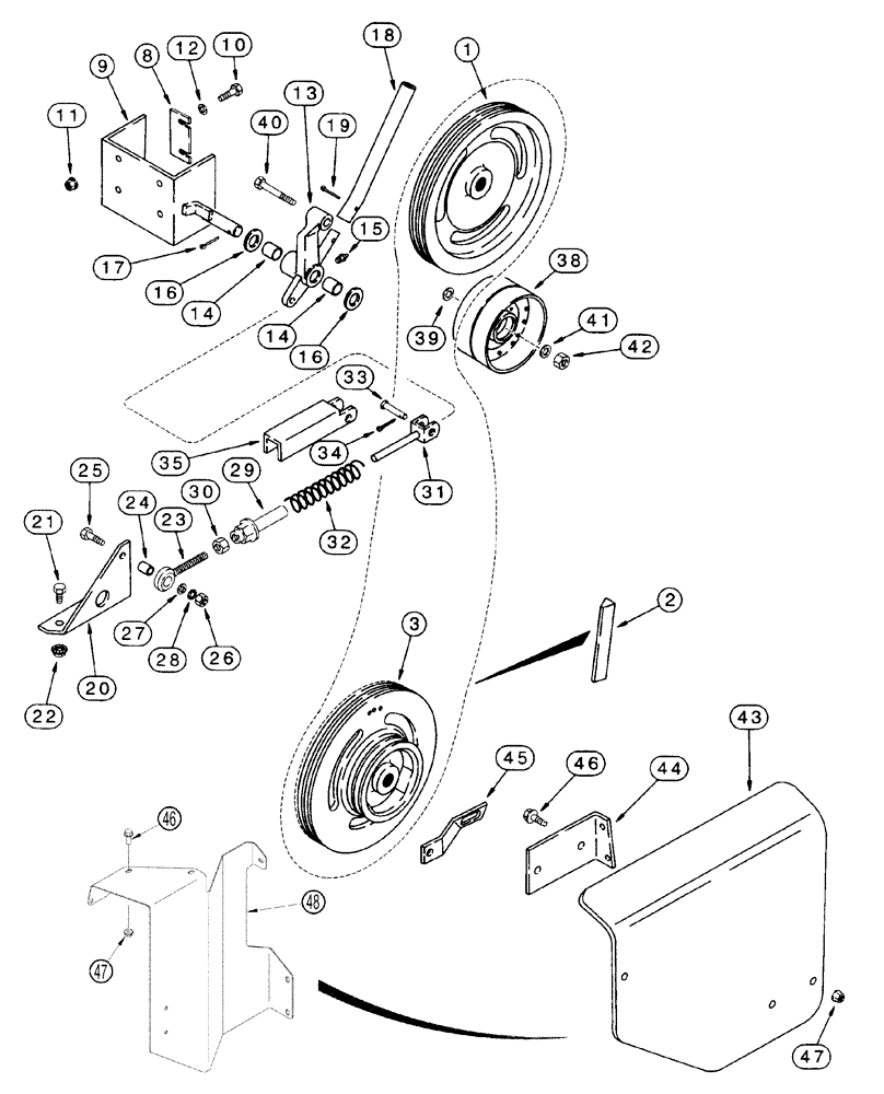
Запчасти Case IH 2388 (09F-04) - STRAW CHOPPER - DRIVE (19) - STRAW SPREADER & CHOPPER

Схема запчастей Case IH 2388 - (09F-04) - STRAW CHOPPER - DRIVE (19) - STRAW SPREADER & CHOPPER
43
34
39
9
46
3
40
25
26
41
15
42
16
48
31
13
35
44
10
2
38
33
11
8
16
19
47
47
30
14
46
24
18
21
32
14
22
17
29
1
23
27
12
28
45
20
FIT
1:1
100%

Артикул

Название

Примечание

Количество

1

1315264C1

PULLEY

Drive, 7" OD, 14" OD

1шт.

2

1315266C1

V-BELT,16.00 mm W x 2810.82 mm L

1шт.

3

1315264C1

PULLEY

Driven, 7" OD, 14" OD

1шт.

8

1302709C1

SHIM,50.8mm OD x 0.66mm Thk

1шт.

9

1315251C1

SUPPORT

1шт.

10

413-616

BOLT,Hex, 3/8" - 16 x 1", Gr 5

4шт.

11

231-5146

FLANGE NUT,3/8"-16

4шт.

12

495-81135

WASHER,10.31mm ID x 25.4mm OD x 3.4mm Thk

4шт.

13

1315249C92

LEVER

Includes 14

1шт.

14

559154R1

BUSHING,25.45mm ID x 28.6mm OD x 25.4mm L

2шт.

15

219-87

LUBE NIPPLE,1/4" - 28 NPTF

1шт.

16

495-11106

WASHER,1", SAE

2шт.

17

432-1624

COTTER PIN,1/4" x 1 1/2"

1шт.

18

1315248C1

TUBE,20.19 mm ID, 26.98 mm OD

1шт.

19

432-1224

COTTER PIN,3/16" x 1-1/2"

1шт.

20

436631A2

SUPPORT

RH

1шт.

21

413-816

BOLT,Hex, 1/2" - 13 x 1", Gr 5

2шт.

21

413-820

BOLT,Hex, 1/2" - 13 x 1-1/4", Gr 5

2шт.

22

231-5148

FLANGE NUT,Flg, USR, 1/2"-13

2шт.

23

1315259C1

BOLT,3/4" - 10 x 113mm

1шт.

24

617794R1

SPACER,13.5mm ID x 19.05mm OD x 27mm L

1шт.

25

326-832

BOLT,Hex, 1/2" - 13 x 2", Gr 8

1шт.

26

329-108

NUT,1/2"-13, G8

1шт.

27

496-21053

WASHER,17/32" x 1 1/16" x .134"

1шт.

28

392-21050

LOCK WASHER,1/2"

1шт.

29

1315260C1

BOLT

CONNECTOR

1шт.

30

425-1012

NUT,3/4"-10, G5

1шт.

31

1315256C1

ROD

1шт.

32

1315247C1

SPRING

1шт.

33

14145H

CLEVIS PIN,1/2" x 2.094"

1шт.

34

432-816

COTTER PIN,1/8" x 1"

1шт.

35

1315364C1

CHANNEL

1шт.

38

1345048C1

PULLEY

1шт.

39

396-41066

WASHER,16.66mm ID x 38.1mm OD x 5.05mm Thk

5шт.

40

413-1072

BOLT,Hex, 5/8" - 11 x 4-1/2", Gr 5

1шт.

41

396-41066

WASHER,16.66mm ID x 38.1mm OD x 5.05mm Thk

1шт.

42

231-41110

LOCK NUT,5/8"-11, GB

1шт.

43

142487A4

SHIELD

RH, Serial Range: -JJC0270499

1шт.

44

181943A1

SUPPORT

, Serial Range: -JJC0270499

1шт.

45

183661A1

SUPPORT

, Serial Range: -JJC0270499

1шт.

46

409-7512

BOLT,Hex Flg, 5/16" - 18 x 3/4", Spcl

8шт.

47

231-5145

SERRATED NUT,Flg, USR, 5/16"-18

8шт.

48

REF

INSTRUCTION

SHIELD, RH, See Figure 09H-07, Start Serial: JJC0270500

1шт.

48

414003A4

SHIELD

RH, Serial Range: -JJC273000

1шт.

Выбрано товаров: 44