Запчасти Case IH 2388 (02-32) - TURBOCHARGER SYSTEM - ASN JJC0273000 (01) - ENGINE

Схема запчастей Case IH 2388 - (02-32) - TURBOCHARGER SYSTEM - ASN JJC0273000 (01) - ENGINE
6
20
18
17
16
9
7
22
15
19
1
4
22
8
9a
10
21
11
16
17
2
3
18
15
FIT
1:1
100%

Артикул

Название

Примечание

Количество

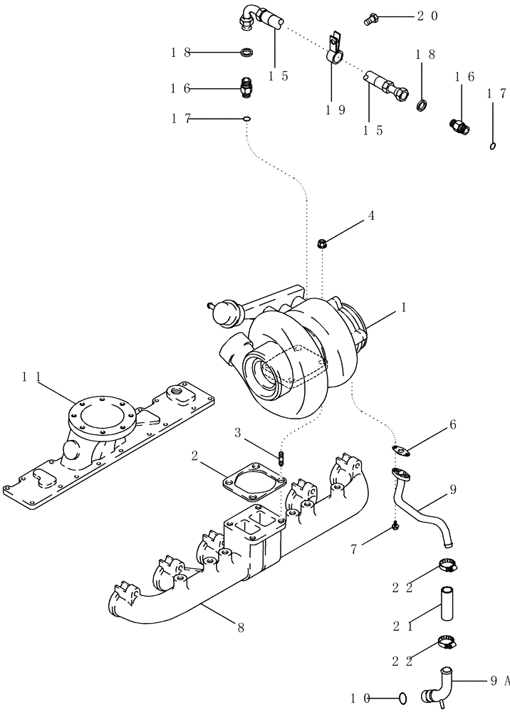
1

87410622

TURBOCHARGER

Includes 2, 6, See Figure 02-34

1шт.

87410622R

REMAN-TURBOCHARGER

2388 ASN JJC0273000, (1/98 - 8/04)

1шт.

87410622C

CORE-TURBOCHARGER

Return Number

1шт.

2

J755843

GASKET,0.5mm Thk

Turbo Mount

1шт.

3

J818823

STUD

M10 x 40

4шт.

4

J818824

FLANGE NUT

M10

4шт.

6

J937706

GASKET,0.79mm Thk

Oil Drain

1шт.

7

845-8020

BOLT,Hvy Hex, M8 x 20mm, Cl 8.8

2шт.

8

J932180

MANIFOLD

Exhaust, Serial Range: -JJC0272999

1шт.

8

87405601

MANIFOLD

Exhaust, Start Serial: JJC0273000

1шт.

9

86993028

TUBE,0.875" OD

Turbo Drain at Turbo

1шт.

9a

J948079

TUBE,0.875" OD

Turbo Drain, Serial Range: -JJC0274396

1шт.

9a

87437056

TUBE,.875" OD

Turbo Drain JJC0274397 to Eng. 46325443

1шт.

9a

J931973

TUBE,0.875" OD

Turbo Drain Eng., Start Serial: 46325444

1шт.

10

238-7018

O-RING,0.07" Thk x 0.739" ID, -18, Cl 7, 75 Duro

1шт.

11

J926044

COVER

Intake

1шт.

15

J282158

FLEXIBLE HOSE

533 mm (21")

1шт.

16

J922789

HYD CONNECTOR

Male, Includes 17

2шт.

17

J678603

O-RING,2.2mm Thk x 9.3mm ID

1шт.

18

313262A1

O-RING,0.07" Thk x 0.364" ID

2шт.

19

515-23127

CLAMP,1/2", Insul, 3/8" Bolt

, Serial Range: -JJC0274396

1шт.

19

87434675

CLAMP,10.16mm ID, 10.41mm Bolt Hole, P Type

, Start Serial: JJC0274450

1шт.

20

615-8012

BOLT,Hex, M8 x 1.25 x 12mm, Cl 8.8, Full Thd

1шт.

21

J286499

HOSE

76 mm (3"), Turbo Drain Tube

1шт.

22

214-1512

HOSE CLAMP,#12, 0.69" - 1.25", Type F Worm, W/ Liner

2шт.

Выбрано товаров: 25