Запчасти Case IH 2388 (02-43[02]) - CYLINDER BLOCK - ENGINE BLOCK HEATERS - ASN JJC0273000 (01) - ENGINE

Схема запчастей Case IH 2388 - (02-43[02]) - CYLINDER BLOCK - ENGINE BLOCK HEATERS - ASN JJC0273000 (01) - ENGINE
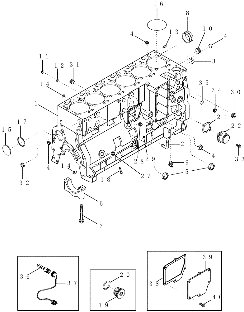
7
5
20
19
12
13
4
17
4
32
2
35
14
8
30
28
9
4
34
6
31
36
4
15
18
29
10
27
1
11
14
39
37
22
21
16
33
38
40
3
FIT
1:1
100%

Артикул

Название

Примечание

Количество

87411283

BASIC ENGINE

Service, 6TAA-830 Tier 2

1шт.

Basic Service Engine, Less, Starter, Alternator, Fan, Fan Belt, Air Cleaner, Muffler, Exhaust Manifold, Flywheel and Housing, Oil Fill and Dipstick, Fuel Injection Pump, Injectors and Lines, Front Pulley, Belt Tensioner, Turbocharger and Aftercooler; See Note

1шт.

87411283R

REMAN-BASIC ENGINE

ENGINE (EXCHANGE) Remanufactured, For N.A. Only

1шт.

87411283C

CORE-BASIC ENGINE

Return Number, For N.A. Only

1шт.

87411285

BLOCK

Short Block

1шт.

87411285R

REMAN-SHORT ENGINE

Stripped Short Block, Pistons, Connecting Rods and Bearings, Crankshaft and Bearings

1шт.

87411285C

CORE-ENGINE

Return Number

1шт.

1

J939313

BASIC BLOCK

Stripped, Includes 3 - 8, Also Order 449019A1

1шт.

2

J948079

TUBE,0.875" OD

Turbo Drain, Serial Range: -46325443

1шт.

2

87437056

TUBE,.875" OD

Turbo Drain, Start Serial: 46325444

1шт.

3

A77586

PLUG

28.9 mm

2шт.

4

A77506

PLUG

21 mm

4шт.

5

J905401

PLUG

35 mm

4шт.

6

J936058

BEARING CAP

7шт.

7

J916369

FLANGE BOLT,Hex, M14 x 2 x 128mm, Cl 10.9

14шт.

8

J945329

CAMSHAFT BEARING,60.08mm ID x 64.13mm OD x 25mm L

7шт.

449019A1

PACKAGE,SERVICE

Includes 9 - 20

1шт.

9

217-103

COCK, DRAIN

1/4" PT

1шт.

10

86625135

PLUG,1" - 11-1/2 NPT

1шт.

11

J678923

PLUG,M10 x 1

10 mm, Includes 12

6шт.

12

86625087

O-RING,1.6mm Thk x 8.1mm ID, Cl 7, 75 Duro

6шт.

13

J900257

PIN,10.01mm OD x 16mm L

16 mm

2шт.

14

J901846

PIN,12.01mm OD x 24mm L

4шт.

15

41-3044

PLUG,Exp, 2 3/4"

(70 mm)

1шт.

16

J907177

SEAL,118mm ID x 122.32mm OD x 4mm Thk

6шт.

17

J926048

O-RING,0.07" Thk x 2.614" ID, -38, Cl 5, 75 Duro

66 mm ID

1шт.

18

J928031

NOZZLE,8.5mm OD x 30mm L

12шт.

19

J678921

PLUG

14 mm, Includes 20

2шт.

20

J678912

O-RING,2.2mm Thk x 11.3mm ID

2шт.

21

J945603

GASKET,1.65mm Thk

Water Inlet

1шт.

22

J913030

FITTING

Water Inlet

1шт.

27

A77530

PLUG

1-13/64" OD (30 mm)

1шт.

28

238-7018

O-RING,0.07" Thk x 0.739" ID, -18, Cl 7, 75 Duro

1шт.

29

J943808

PLUG

13 mm

1шт.

30

263136

MAGNETIC PLUG,Sq. Soc, 3/4"-14 NPTF

PLUG, MAGNETIC

2шт.

31

217-438

PLUG,Hex Soc, 1/2" - 14 NPTF

2шт.

32

J920443

PLUG

30 mm

2шт.

33

845-8020

BOLT,Hvy Hex, M8 x 20mm, Cl 8.8

2шт.

34

313244A1

PLUG

Hex Socket, 22 mm, Includes 35

2шт.

35

313246A1

O-RING,2.2mm Thk x 19.3mm ID

19 ID x 2.2 mm

1шт.

310493A1

KIT

Engine Block Heater, 120 Volt, Includes 36 - 37

1шт.

36

196466A1

ELECTRIC CABLE

1829 mm (72")

1шт.

37

NSS

NOT SOLD SEPARAT

Element

1шт.

310494A1

KIT

Coolant Heater, 240V, Includes 36 - 37

1шт.

36

J913112

WIRE HARNESS

305 mm (12")

1шт.

37

NSS

NOT SOLD SEPARAT

Element

1шт.

38

87436828

GASKET

, Start Serial: JJC0274450

1шт.

39

87413814

COVER

Used without Side Crankcase Breather, Start Serial: JJC0274450

1шт.

40

87409160

SCREW,Hex, M6 x 1 x 16mm, Cl 10.9

, Start Serial: JJC0274450

6шт.

A78017

REPAIR KIT

Engine Overhaul, Not Illustrated, See Figure 02-49

1шт.

Выбрано товаров: 0