Запчасти Case IH 2388 (06-27) - TRACK - FRAME (03) - POWER TRAIN

Схема запчастей Case IH 2388 - (06-27) - TRACK - FRAME (03) - POWER TRAIN
23
2
44
43
44
10
47
41
31
43
42
31
6
21
1
33
43
41
51
9
26
3
15
17
11
39
38
14
30
35
48
19
24
49
31
3
2
8
13
7
45
5
27
32
30
34
32
32
37a
18
36
20
25
22
46
40
28
29
4
37
12
FIT
1:1
100%

Артикул

Название

Примечание

Количество

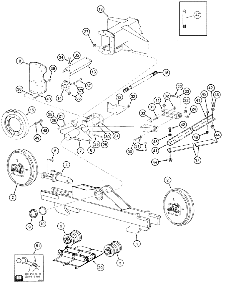
1541592C1

FRAME ASSY

Track, 6 Roller, Includes 1 - 5

2шт.

1

NSS

NOT SOLD SEPARAT

Frame, Track

1шт.

2

R53591

FRONT IDLER

Track, Front And Rear

2шт.

See Figure 06-29

1шт.

3

R57357

TRACK ROLLER

6шт.

See Figure 06-30

1шт.

4

1541714C1

ADJUSTER

Idler, Not Serviced Separately

1шт.

5

426-828

BOLT,Hex, 1/2" - 13 x 1-3/4", Gr 8

4шт.

6

188487C2

FRAME

Track, LH

1шт.

6

188488C3

FRAME

Track, RH

1шт.

7

38-13280

LOCK PIN,12.7mm OD x 127mm L, Coiled

Replaces 23854R1

2шт.

8

186832C2

PLATE

Outer Pivot Support

2шт.

9

167791C1

SPACER

Pivot Retainer

2шт.

10

168385C2

WASHER,102.6mm ID x 127mm OD x 3.3mm Thk

4шт.

11

188496C1

SUPPORT

Pivot Rear Anchor, LH

1шт.

11

188497C1

SUPPORT

Pivot Rear Anchor, RH

1шт.

12

186006C1

SUPPORT

Inner Pivot

2шт.

13

1338130C1

SHIELD

Axle Drive Shaft

2шт.

14

186016C4

SUPPORT

Outer Shaft, LH

1шт.

14

186017C4

SUPPORT

Outer Shaft, RH

1шт.

15

184490C2

SPROCKET

2шт.

17

186018C1

STRAP

2шт.

See Figure(s) 09H-03, Ref. 28; 09H-04, Ref. 22

1шт.

18

135705A1

SHAFT

2шт.

Models with Track Attachment

1шт.

19

136417A3

AXLE

1шт.

Models with Track Attachment

1шт.

20

1541593C1

TRACK CHAIN

Track With Shoes, Order Components

2шт.

See Figure 06-28

1шт.

21

496-11081

WASHER,13/16" x 1 1/2" x .134", HDN

14шт.

22

426-616

BOLT,Hex, 3/8" - 16 x 1", Gr 8

4шт.

23

492-11038

LOCK WASHER,3/8"

4шт.

24

429-106

NUT,3/8"-16, G8

4шт.

25

426-1244

BOLT,Hex, 3/4" - 10 x 2-3/4", Gr 8

10шт.

26

426-1248

BOLT,Hex, 3/4" - 10 x 3", Gr 8

4шт.

27

186852C1

FLANGE NUT,Hex, 1/2"-13, Lock

1/2", 8

6шт.

28

426-820

BOLT,Hex, 1/2" - 13 x 1-1/4", Gr 8

6шт.

29

496-21053

WASHER,17/32" x 1 1/16" x .134"

6шт.

30

426-1028

BOLT,Hex, 5/8" - 11 x 1-3/4", Gr 8

22шт.

31

396-41066

WASHER,16.66mm ID x 38.1mm OD x 5.05mm Thk

26шт.

32

186851C1

FLANGE NUT

5/8"; 8

24шт.

33

426-1020

BOLT,Hex, 5/8" - 11 x 1-1/4", Gr 8

2шт.

34

413-612

BOLT,Hex, 3/8" - 16 x 3/4", Gr 5

4шт.

35

495-11041

WASHER,0.406" ID x 0.812" OD x 0.065" W

4шт.

36

231-5146

FLANGE NUT,3/8"-16

4шт.

37

614-10025

BOLT,Hex, M10 x 1.5 x 25mm, Cl 8.8

6шт.

37a

895-11010

WASHER,11mm ID x 20mm OD x 2mm Thk

6шт.

38

426-1240

BOLT,Hex, 3/4" - 10 x 2-1/2", Gr 8

10шт.

39

429-1012

NUT,3/4"-10, G8

10шт.

40

392-21075

LOCK WASHER,3/4"

10шт.

41

186025C1

BRACKET

Main Sill Center Cross

1шт.

42

426-828

BOLT,Hex, 1/2" - 13 x 1-3/4", Gr 8

2шт.

43

496-21053

WASHER,17/32" x 1 1/16" x .134"

2шт.

44

186852C1

FLANGE NUT,Hex, 1/2"-13, Lock

1/2", 8

2шт.

45

413-516

BOLT,Hex, 5/16" - 18 x 1", Gr 5

2шт.

46

231-5145

SERRATED NUT,Flg, USR, 5/16"-18

2шт.

47

131443A1

BOLT,M20 x 1.5 x 210mm, Cl 8.8

Stud, Drive Wheel Starter

2шт.

48

87327478

BOLT,Flange, M22 x 75mm, Cl 12.9

M22 x 75; 12.9

20шт.

49

130871A2

SPACER

20шт.

51

403425A1

DECAL

Bolt Torque, Single Drive Wheel

1шт.

See Figure 09H-21

1шт.

Выбрано товаров: 61