Запчасти Case IH 2388 (04-41) - MOTOR ASSY - WIPER, WINDSHIELD (06) - ELECTRICAL

Схема запчастей Case IH 2388 - (04-41) - MOTOR ASSY - WIPER, WINDSHIELD (06) - ELECTRICAL
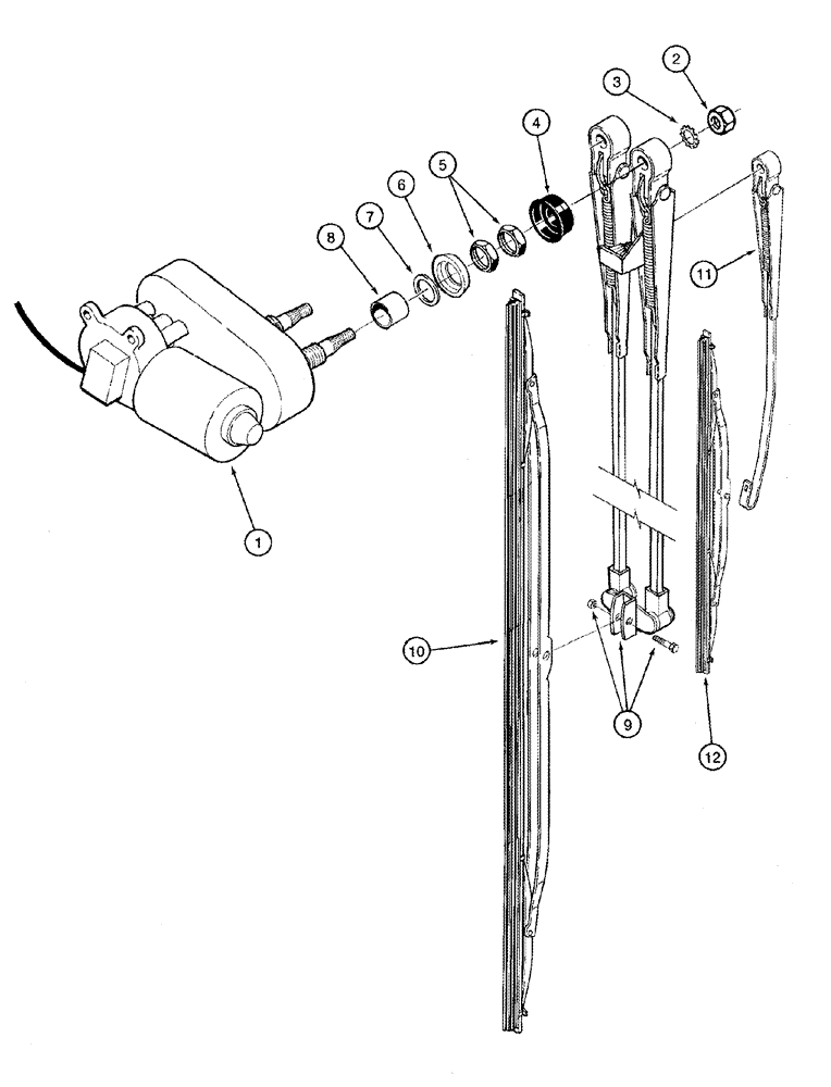
6
11
7
3
1
12
10
5
9
4
2
8
FIT
1:1
100%

Артикул

Название

Примечание

Количество

86976257

WIPER MOTOR

Windshield Wiper, Double Blade, Includes 1 - 7

1шт.

1

NSS

NOT SOLD SEPARAT

Motor

1шт.

138013A1

REPAIR KIT

Includes 2 - 7

1шт.

2

829-1408

NUT,Hex, M8 x 1.25, Cl 10.9

2шт.

3

893-11008

LOCK WASHER,Ext Tooth, M8

2шт.

4

NSS

NOT SOLD SEPARAT

Cover

2шт.

5

NSS

NOT SOLD SEPARAT

Nut

4шт.

6

NSS

NOT SOLD SEPARAT

Retainer

2шт.

7

NSS

NOT SOLD SEPARAT

Seal

2шт.

8

86975131

SPACER

2шт.

352976A1

WIPER BLADE

Includes 9 - 12

1шт.

9

86975127

WIPER ARM,Dual, 1000mm L

1000 mm

1шт.

10

86975128

WIPER BLADE,1000mm L

BLADE 1000 mm (39-3/8")

1шт.

11

86975133

WIPER ARM

176 mm lg

1шт.

12

86975129

WIPER BLADE,330mm L

BLADE 330 mm lg

1шт.

Выбрано товаров: 15