Запчасти Case IH 2388 (04-47) - HARNESS, YIELD MONITOR CAB DISPLAY, AFS (06) - ELECTRICAL

Схема запчастей Case IH 2388 - (04-47) - HARNESS, YIELD MONITOR CAB DISPLAY, AFS (06) - ELECTRICAL
9
3
3
3
1
6
5
12
11
4
13
8
14
3
4
3
3
10
7
4
2
FIT
1:1
100%

Артикул

Название

Примечание

Количество

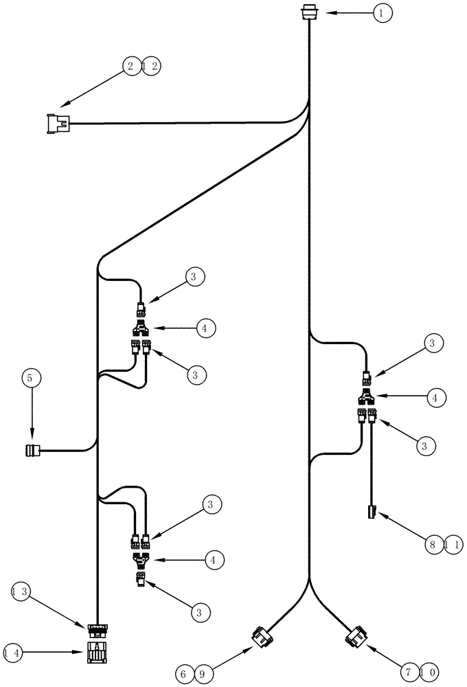
365512A1

WIRE HARNESS

Yield Monitor Cab Display

1шт.

1

321698A1

ELEC CONNECTOR,Female, 14 Pin

Electrical

1шт.

2

225388C1

ELEC CONNECTOR,Male, 12 Pin

Electrical, Type NA

1шт.

3

298496A1

ELEC CONNECTOR,4 Pin

Plug, 4 Pin

6шт.

4

298495A1

ELEC CONNECTOR,4 Pin

Electrical

2шт.

5

310057A1

ELEC CONNECTOR,Male, 9 Pin

HD 10 Series Receptacle

1шт.

6

223679A1

MULTIPOLE CONNECTOR,Female, 12 Pin

12-way DTM Plug, Black

1шт.

7

223671A1

CONTACT HOUSING,Female, 12 Pin

12-way DTM Plug, Gray

1шт.

8

239451A1

MULTIPOLE CONNECTOR,Female, 4 Pin

4-cav Plug DT Series

1шт.

9

223674A1

WEDGE

Electrical Connector

1шт.

10

223674A1

WEDGE

Electrical Connector

1шт.

11

225327C1

WEDGE,Lock, Black

1шт.

12

225390C1

WEDGE

Electrical Connector, Type W12P

1шт.

13

182081A1

TERMINAL CONNECTOR,Female, 5 Pin

Tower 5-way Metri-pak

1шт.

14

182079A1

TERMINAL CONNECTOR,Male, 5 Pin

Electrical

1шт.

15

440-10610

SCREW,Phillips Drive, Pan HD, #6 - 32 x 5/8"

Not Illustrated

2шт.

16

492-11006

LOCK WASHER,#6

Not Illustrated

2шт.

17

225-14106

NUT,#6-32

Not Illustrated

2шт.

Выбрано товаров: 18