Запчасти Case IH 2388 (08-30) - ACCUMULATOR - MOUNTING AND SYSTEM (07) - HYDRAULICS

Схема запчастей Case IH 2388 - (08-30) - ACCUMULATOR - MOUNTING AND SYSTEM (07) - HYDRAULICS
13
15
2
16
12
21
9
17
11
22
1
14
8
7
10
20
6
5
4
18
3
4
FIT
1:1
100%

Артикул

Название

Примечание

Количество

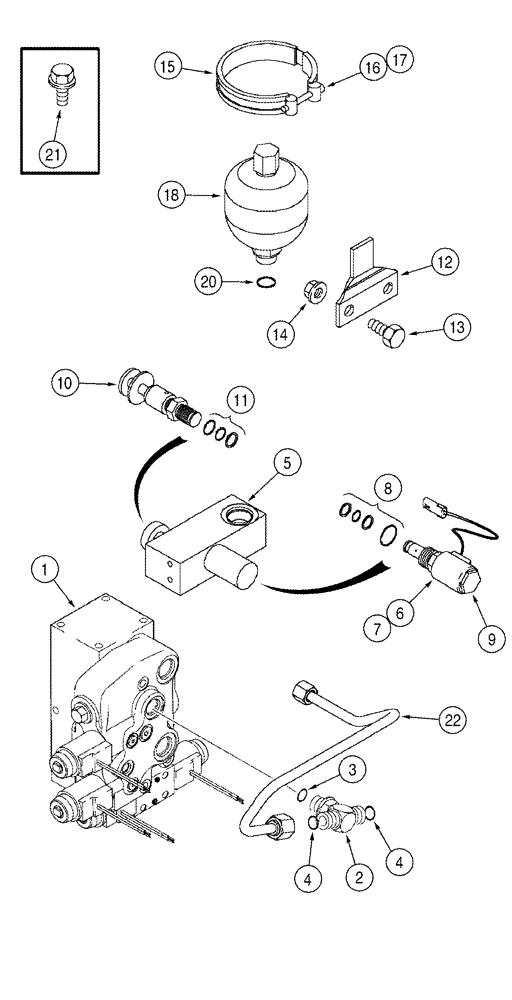
1

124565A3

VALVE, CONTROL

Header Lift

1шт.

See Figure(s) 08-09, 08-11, 08-12, 08-14, 08-15

1шт.

2

201-403

TEE,1"-14 x 7/8"-14 Br, ORFS

Includes Ref. 3, 4, For Attaching Parts

1шт.

See Figure 08-10

1шт.

3

237-6010

O-RING,0.097" Thk x 0.755" ID, -910, Cl 6, 90 Duro

1шт.

4

238-6016

O-RING,0.07" Thk x 0.614" ID, -16, Cl 6, 90 Duro

2шт.

5

368154A1

CONTROL VALVE

Includes 6 - 11, Accumulator, Solenoid Operated

1шт.

6

377447A1

VALVE

Includes 7, 8, Cartridge

1шт.

7

NSS

NOT SOLD SEPARAT

Valve, Solenoid

1шт.

8

377450A1

SEAL KIT

Includes (2) O-Rings and (2) Backup Ring

1шт.

9

377448A1

COIL

12V

1шт.

10

377449A1

VALVE

Needle, Adjustable, Includes 11

1шт.

11

377451A1

SEAL KIT

Includes (2) O-Rings and (1) Backup Ring

1шт.

12

368156A2

SUPPORT

1шт.

13

413-516

BOLT,Hex, 5/16" - 18 x 1", Gr 5

2шт.

14

231-5145

SERRATED NUT,Flg, USR, 5/16"-18

2шт.

15

368157A1

CLAMP,134mm

Includes 16, 17

1шт.

16

864-8070

HEX SOC SCREW,M8 x 70mm, Cl 8.8

1шт.

17

829-1408

NUT,Hex, M8 x 1.25, Cl 10.9

1шт.

18

377446A1

ACCUMULATOR

Feeder Lift, Includes 19 - 20

1шт.

19

87106501

KIT

Accumulator Charging, Not Illustrated

1шт.

20

237-6016

O-RING,0.116" Thk x 1.171" ID, -916, Cl 6, 90 Duro

1шт.

21

409-7512

BOLT,Hex Flg, 5/16" - 18 x 3/4", Spcl

2шт.

22

368155A2

TUBE

Accumulator Valve to Header Lift Valve

1шт.

23

201-305

ELBOW,90 Degree Elbow, 13/16" - 16 Male ORFS x 3/4" - 16 Male ORB

1/2 orfs x 1/2 orb, Incl. 24, 25, Not Illustrated

1шт.

24

237-6008

O-RING,0.087" Thk x 0.644" ID, -908, Cl 6, 90 Duro

1шт.

25

238-6014

O-RING,0.07" Thk x 0.489" ID, -14, Cl 6, 90 Duro

Not Illustrated

1шт.

Выбрано товаров: 27