Запчасти Case IH 2388 (09G-16) - HEATER - AIR CONDITIONING (10) - CAB & AIR CONDITIONING

Схема запчастей Case IH 2388 - (09G-16) - HEATER - AIR CONDITIONING (10) - CAB & AIR CONDITIONING
3
22
6
4
18
1
2
13
24
10
14
12
15
7
5
9
23
20
19
11
16
16
21
17
8
FIT
1:1
100%

Артикул

Название

Примечание

Количество

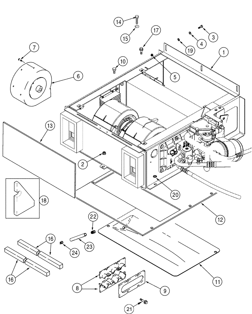
1

431088A2

UNIT HEATER

Air Conditioning BSN HAJ0295001

1шт.

See Figure 09G-17

1шт.

1

87313891

UNIT HEATER

Air Conditioning ASN HAJ0295001

1шт.

2

825-5148

SERRATED NUT,M8, Flg Ser

6шт.

3

117067A1

SELF-TAP SCREW,Pan Hd, #10-24 x 3/4"

3шт.

4

492-11010

LOCK WASHER,#10

3шт.

5

231-51409

SERRATED NUT,Flg, USR, #10-24

3шт.

6

175435A3

BLOWER

1шт.

7

840-1516

SCREW,Pan, M5 x 16mm, Cl 4.8

5шт.

8

125264A2

CLAMP

2шт.

9

125000A2

GASKET

1шт.

10

191216A1

SELF-TAP SCREW,Hex Wash Hd, #10-24 x 5/8"

4шт.

11

121595A2

PAN

Drip Pan

1шт.

12

279438A1

INSULATOR

Center Floor

1шт.

13

279305A2

INSULATOR

Rear Wall

1шт.

14

276-13520

SELF-TAP SCREW,Hex Hd, #10 x 1 1/4"

4шт.

15

492-11010

LOCK WASHER,#10

4шт.

16

192269A1

FOAM INSULATION,25mm W x 500mm L x 19mm Thk

500 mm (19-5/8"), Cut from 1971350C1

2шт.

17

458-512

BOLT,Hex, 5/16" - 18 x 3/4", Gr 5

4шт.

18

297573A1

INSULATOR

1шт.

19

493-81000

LOCK WASHER,Ext-Int Tooth, #10

3шт.

20

493-11039

LOCK WASHER,3/8", Int-Ext Tooth

1шт.

21

191216A1

SELF-TAP SCREW,Hex Wash Hd, #10-24 x 5/8"

10шт.

22

1250522C3

FITTING

Drain

2шт.

23

122116A1

HEATER HOSE,12.95 mm ID x 1524.00 mm

1905.00 mm, Cut from Bulk

2шт.

24

109239C2

CHECK VALVE

Drain

2шт.

Выбрано товаров: 26