Запчасти Case IH 2388 (09G-20) - AIR CONDITIONING - COMPRESSOR MOUNTING AND DRIVE (10) - CAB & AIR CONDITIONING

Схема запчастей Case IH 2388 - (09G-20) - AIR CONDITIONING - COMPRESSOR MOUNTING AND DRIVE (10) - CAB & AIR CONDITIONING
10
12
5
11
7
11
7
8
8
7
8
8
8
8
9
2
6
4
1
3
9
FIT
1:1
100%

Артикул

Название

Примечание

Количество

86993462

AIRCOND. COMPRESSOR

Includes 1 - 4

1шт.

86993462GV

AIRCOND. COMPRESSOR

Value

1шт.

86993462R

REMAN-COMPRESSOR

2388 BTW HAJ292001 & HAJ300000 (10/04-)

1шт.

86993462C

CORE-COMPRESSOR

Return Number

1шт.

48017123R

REMAN-A/C COMP KIT

Reman AC Compressor Kit

1шт.

48017123C

REMAN-A/C COMP KIT

Return Number

1шт.

1999755C3R

REMAN-A/C COMPRESSOR

Inc.- 8 Mounting Holes, 2 Groove Pulley, For Use w/HFC134A Refrigerant

1шт.

1999755C3C

CORE-COMPRESSOR

Return Number

1шт.

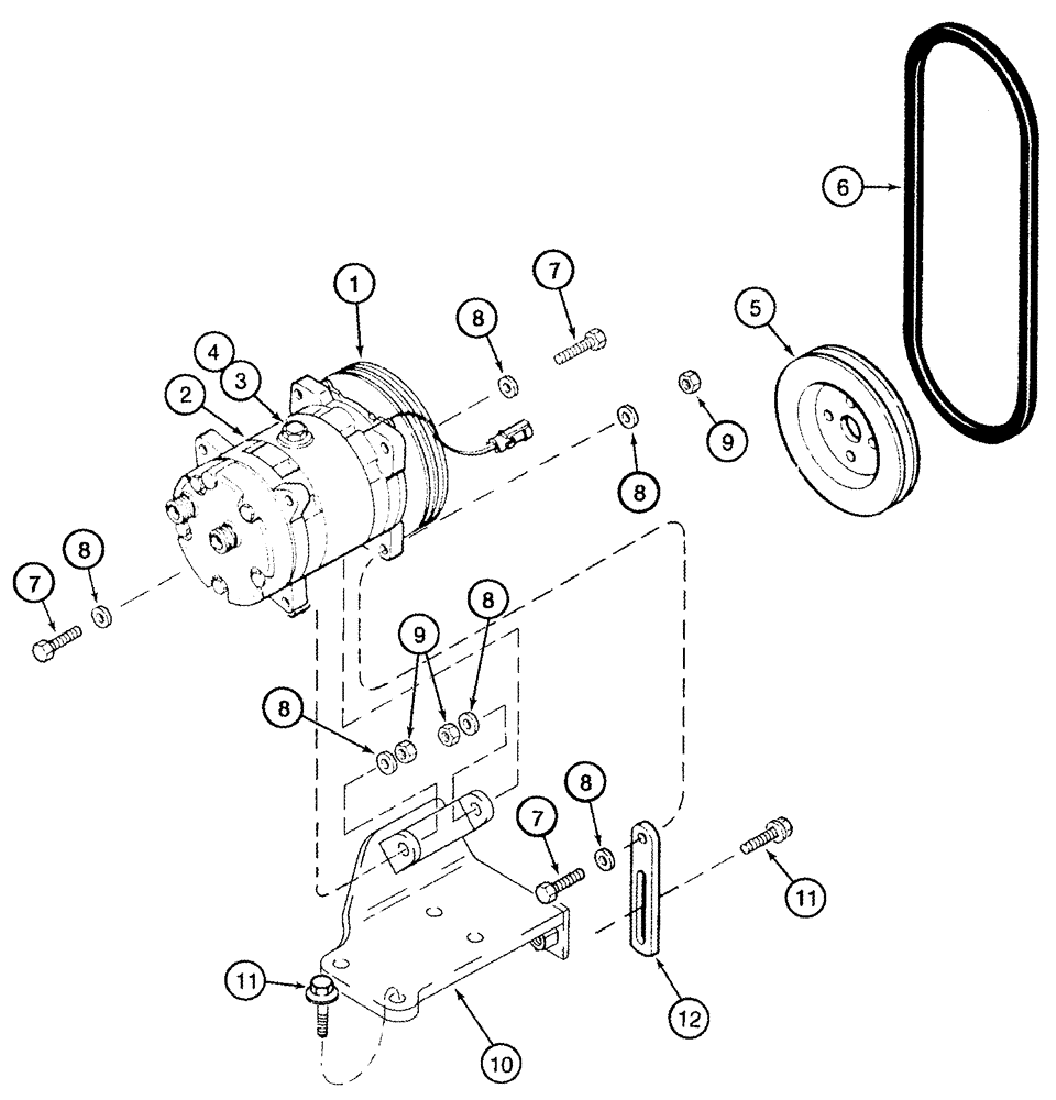
1

135324A2

CLUTCH

1шт.

2

NSS

NOT SOLD SEPARAT

Compressor

1шт.

3

A49667

PLUG

1шт.

4

128483A1

O-RING,1.78mm Thk x 7.65mm ID, 70 Duro

5/16" ID x 1/16"

1шт.

5

431716A1

PULLEY,147mm OD

Drive

1шт.

6

235414A1

BELT,12.70 mm W x 901.70 mm L

Used with 86993462

1шт.

7

614-10035

BOLT,Hex, M10 x 1.5 x 35mm, Cl 8.8, Full Thd

3шт.

8

896-15010

WASHER,11mm ID x 24mm OD x 3mm Thk

6шт.

9

86512554

NUT,M10 x 1.5, Cl 10

3шт.

10

87000275

BRACKET

1шт.

11

905-10025

BOLT,Hex Flg, M10 x 25mm

5шт.

12

87000300

BRACKET

1шт.

Выбрано товаров: 20