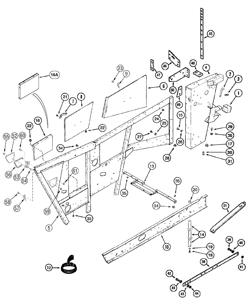
Запчасти Case IH 2388 (09H-03) - SEPARATOR - DOORS - LEFT HAND (12) - CHASSIS

Схема запчастей Case IH 2388 - (09H-03) - SEPARATOR - DOORS - LEFT HAND (12) - CHASSIS
50
52
16a
21
3
54
36
13
22
48
12
20
56
55
4
10
34
35
44
16
25
14
43
7
18
28
24
19
53
5
30
38
15
26
17
40
22
29
34
60
47
45
6
49
23
57
46
58
35
41
33
31
42
61
51
27
59
8
39
1
2
9
43
FIT
1:1
100%

Артикул

Название

Примечание

Количество

1

1989327C2

RETAINER

1шт.

1

1989327C3

RETAINER

12 Row Ready

1шт.

2

418694A1

ROD,25.4mm OD

1шт.

3

1978738C1

HAIR PIN COTTER

3/16"

1шт.

4

393184A1

POST

LH Front, Includes Decal 144385A1, Serial Range: -HAJ0295001

1шт.

See Figure 09H-23, Ref. 9

1шт.

4

87383812

POST

LH Front, Includes Decal 144385A1, Start Serial: HAJ0295001

1шт.

4a

120253C1

CONDUIT

210 mm (8-1/4"), Cut from 1262114C1, Not Illustrated

1шт.

5

443249A1

FRAME

Side, LH

1шт.

6

193223C2

DOOR

LH Front

1шт.

7

160638C2

HANDLE

Replaces 160638C1

2шт.

8

193353C1

DOOR

LH

1шт.

9

167800C1

CLIP

10шт.

10

359826A2

SILL

Main, LH

1шт.

12

188062C2

DOOR SEAL,12.7mm H x 25.4mm W x 140mm L

140 mm (5-1/2"), Cut from 1338148CX

1шт.

13

237975A5

SUPPORT

1шт.

14

186018C1

STRAP

1шт.

15

426-1020

BOLT,Hex, 5/8" - 11 x 1-1/4", Gr 8

20шт.

15

426-1028

BOLT,Hex, 5/8" - 11 x 1-3/4", Gr 8

3шт.

16a

87301105

DOOR

1шт.

17

87301493

SERRATED NUT,Flg, USR, 5/8"-11, G8

24шт.

18

426-824

BOLT,Hex, 1/2" - 13 x 1-1/2", Gr 8

21шт.

19

232-5318

FLANGE NUT,Flg, 1/2"-13

39шт.

20

186852C1

FLANGE NUT,Hex, 1/2"-13, Lock

1/2", 8

3шт.

21

477-73108

SERRATED SCREW,Sl Truss Hd, 5/16" - 18 x 1/2"

4шт.

22

231-5145

SERRATED NUT,Flg, USR, 5/16"-18

9шт.

23

440-1108

SCREW,Cross Pan Hd, #10-24 x 1/2"

10шт.

24

231-51409

SERRATED NUT,Flg, USR, #10-24

10шт.

25

396-41066

WASHER,16.66mm ID x 38.1mm OD x 5.05mm Thk

6шт.

26

496-11066

WASHER,21/32" x 1 5/16" x .095", HDN

13шт.

27

426-816

BOLT,Hex, 1/2" - 13 x 1", Gr 8

11шт.

28

232-5138

FLANGE NUT,Flg, USR, 1/2"-13, G8

12шт.

29

413-1028

BOLT,Hex, 5/8" - 11 x 1-3/4", Gr 5

2шт.

30

492-11062

BEARING WASHER,5/8"

2шт.

31

425-1010

NUT,5/8"-11, G5

2шт.

33

477-73112

SERRATED SCREW,Sl Truss Hd, 5/16" - 18 x 3/4"

8шт.

33

477-73116

SERRATED SCREW,Truss HD, 5/16" - 18 x 1"

1шт.

33

409-7524

BOLT,Hex Flg, 5/16" - 18 x 1 1/2", Spcl

4шт.

34

231-5146

FLANGE NUT,3/8"-16

9шт.

34

231-5145

SERRATED NUT,Flg, USR, 5/16"-18

4шт.

35

477-73812

SERRATED SCREW,Truss HD, 3/8" - 16 x 3/4"

20шт.

35

477-73816

SERRATED SCREW,Sl Truss Hd, 3/8" x 1"

2шт.

36

493-21065

LOCK WASHER,Int Tooth, 5/8"

2шт.

37

188062C2

DOOR SEAL,12.7mm H x 25.4mm W x 140mm L

140 mm (5-1/2"), Cut from 1338149C1, Not Illustrated

4шт.

38

198572A3

STRAP

12 Row Ready

2шт.

39

426-632

BOLT,Hex, 3/8" - 16 x 2", Gr 8

12 Row Ready

2шт.

40

496-41041

WASHER,13/32" x 1 1/8" x .134"

4шт.

41

429-106

NUT,3/8"-16, G8

12 Row Ready

4шт.

42

426-832

BOLT,Hex, 1/2" - 13 x 2", Gr 8

14шт.

43

496-21053

WASHER,17/32" x 1 1/16" x .134"

28шт.

44

429-108

NUT,1/2"-13, G8

14шт.

45

236933A1

PLATE

1шт.

46

238987A1

PLATE

LH Front

1шт.

47

239001A1

PLATE

1шт.

48

236509A1

SPACER

2шт.

49

239289A1

SPACER

Lower RH

1шт.

50

236370A2

PLATE

LH

1шт.

51

236726A1

PLATE

LH

1шт.

387815A1

DOOR

Separator, Includes 52 - 56

1шт.

52

383558A1

DOOR

1шт.

53

397586A1

HINGE

1шт.

54

477-82508

SERRATED SCREW,Sl Truss Hd, 1/4" - 20 x 1/2"

2шт.

55

231-5144

SERRATED NUT,Flg, USR, 1/4"-20

2шт.

56

383559A1

SEAL

1шт.

57

167800C1

CLIP

1шт.

58

440-1108

SCREW,Cross Pan Hd, #10-24 x 1/2"

1шт.

59

231-51409

SERRATED NUT,Flg, USR, #10-24

1шт.

60

477-82508

SERRATED SCREW,Sl Truss Hd, 1/4" - 20 x 1/2"

2шт.

61

231-5144

SERRATED NUT,Flg, USR, 1/4"-20

2шт.

62

131-946

FLANGE NUT,Flg, 1/2"-13, G8

6шт.

63

409-7620

BOLT,Hex Flg, 3/8" - 16 x 1 1/4", Spcl

2шт.

64

426-1036

BOLT,Hex, 5/8" - 11 x 2-1/4", Gr 8

1шт.

426155A1

KIT

Sieve Light / Viewing Door, Includes 23, 24, 34, 52, 54 - 56, 60 - 61. Also Includes 1347069C1.

1шт.

Use to retrofit machines built prior to P.I.N. JJC0270499.

1шт.

See Figure(s) 04-6, 09H-03, 09H-25, 09H-26

1шт.

Выбрано товаров: 75