Запчасти Case IH 2388 (05-15) - MOTOR ASSY - WHEEL DRIVE - POWER GUIDE AXLE - CORN AND GRAIN COMBINE (11) - TRACKS/STEERING

Схема запчастей Case IH 2388 - (05-15) - MOTOR ASSY - WHEEL DRIVE - POWER GUIDE AXLE - CORN AND GRAIN COMBINE (11) - TRACKS/STEERING
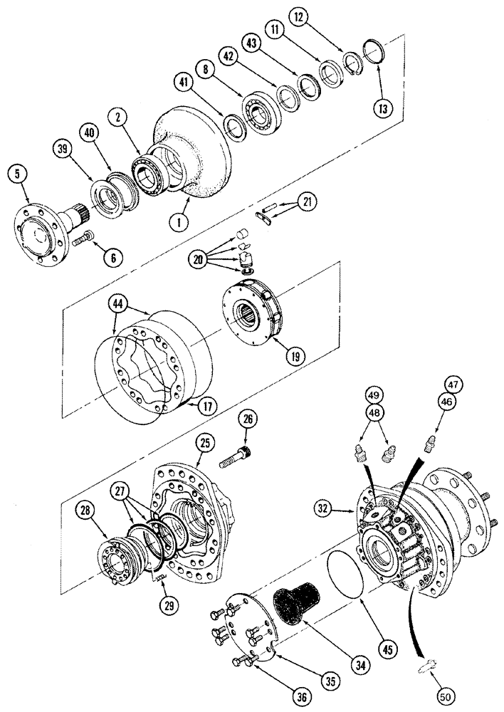
36
43
19
8
35
39
25
45
48
49
28
1
21
47
50
46
20
42
34
12
44
6
40
13
41
2
27
17
26
5
29
32
11
FIT
1:1
100%

Артикул

Название

Примечание

Количество

87300716

MOTOR, HYDRAULIC

MOTOR Wheel Drive, Inc. 1 - 32, 35 - 50

2шт.

1

NSS

NOT SOLD SEPARAT

Housing

1шт.

2

305405A1

BALL BEARING,70mm ID x 125mm OD x 41mm W

Outer

1шт.

5

NSS

NOT SOLD SEPARAT

Shaft, Wheel Hub

1шт.

6

1970151C1

STUD

8шт.

8

NSS

NOT SOLD SEPARAT

Bearing, Ball, Inner

1шт.

11

NSS

NOT SOLD SEPARAT

Spacer

1шт.

12

NSS

NOT SOLD SEPARAT

Ring, Snap

1шт.

13

NSS

NOT SOLD SEPARAT

Retainer

1шт.

17

NSS

NOT SOLD SEPARAT

Ring

1шт.

19

NSS

NOT SOLD SEPARAT

Block, Cylinder

1шт.

20

NSS

NOT SOLD SEPARAT

Kit, Piston

10шт.

21

NSS

NOT SOLD SEPARAT

Kit, Retainer

1шт.

25

NSS

NOT SOLD SEPARAT

Cover

1шт.

26

NSS

NOT SOLD SEPARAT

Bolt

16шт.

27

1978004C1

SEAL KIT

1шт.

Use with REF 28

1шт.

28

NSS

NOT SOLD SEPARAT

Block, Valve

1шт.

29

NSS

NOT SOLD SEPARAT

Spring

8шт.

32

NSS

NOT SOLD SEPARAT

Housing, Wheel

1шт.

34

1970394C2

DIAPHRAGM

No Longer Required

1шт.

35

1978005C1

COVER

1шт.

36

NSS

NOT SOLD SEPARAT

Bolt, Cover

8шт.

87300718

SEAL KIT

Inc. 39 - 44

1шт.

39

NSS

NOT SOLD SEPARAT

Deflector

1шт.

40

NSS

NOT SOLD SEPARAT

Seal

1шт.

41

NSS

NOT SOLD SEPARAT

Seal

1шт.

42

NSS

NOT SOLD SEPARAT

Washer

1шт.

43

NSS

NOT SOLD SEPARAT

Kit

1шт.

44

NSS

NOT SOLD SEPARAT

O-Ring

2шт.

45

238-5162

O-RING,0.103" Thk x 5.737" ID, -162, Cl 5, 75 Duro

1шт.

46

218-5059

HYD CONNECTOR,3/4"-16, 37 Degree x 3/4"-16, O-Ring

Incl. 47

1шт.

47

237-6008

O-RING,0.087" Thk x 0.644" ID, -908, Cl 6, 90 Duro

1шт.

48

218-5064

HYD CONNECTOR,1-1/16" - 12 Male JIC x 1-1/16" - 12 Male ORB

Incl. 49

2шт.

49

237-6012

O-RING,0.116" Thk x 0.924" ID, -912, Cl 6, 90 Duro

1шт.

50

121434A1

ADAPTER

Flush Port, English Thread

1шт.

Выбрано товаров: 36