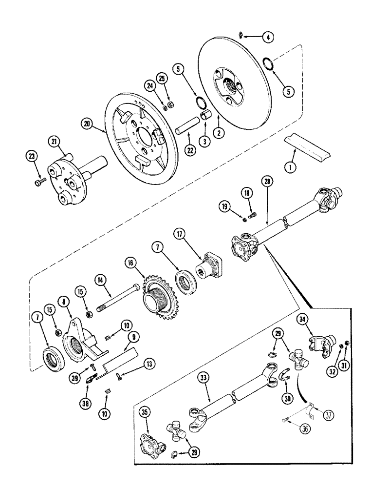
Запчасти Case IH 2388 (09A-04) - SEPARATOR - JACKSHAFT DRIVE (13) - FEEDER

Схема запчастей Case IH 2388 - (09A-04) - SEPARATOR - JACKSHAFT DRIVE (13) - FEEDER
25
29
1
24
16
7
3
20
9
4
28
8
38
29
15
37
13
32
21
5
33
31
2
10
14
22
5
15
7
10
36
30
17
19
39
35
34
18
20
FIT
1:1
100%

Артикул

Название

Примечание

Количество

1

413159A2

V-BELT,2839.48 mm L

Rotor Drive

1шт.

2

413164A1

PULLEY,520.7mm OD

20-1/2 in OD, Rotor Drive Variable, Inc. 3

1шт.

3

87307839

BUSHING,30.2mm ID x 35.03mm OD x 31.75mm L

3шт.

4

219-86

LUBE NIPPLE,1/8" NPTF

1шт.

5

238-5226

O-RING,0.139" Thk x 1.984" ID, -226, Cl 5, 75 Duro

2шт.

7

278927A1

THRUST BEARING,69.84mm ID x 113.79mm OD x 22.1mm W

2шт.

8

194394C1

HUB

1шт.

9

249397A1

SUPPORT

Rotor Speed Limit Switch

1шт.

10

231-5146

FLANGE NUT,3/8"-16

2шт.

13

477-73816

SERRATED SCREW,Sl Truss Hd, 3/8" x 1"

2шт.

14

413-12176

BOLT,3/4"-10 x 11", Gr 5

1шт.

15

425-1412

JAM NUT,Jam, 3/4"-10, G5

2шт.

16

194464C2

SPROCKET

25T, Serial Range: -HAJ303001

1шт.

16

87678413

SPROCKET

25T, Start Serial: HAJ303001

1шт.

17

411042A1

SPLINED COUPLING,20T

1шт.

18

426-720

BOLT,Hex, 7/16" - 14 x 1-1/4", Gr 8

4шт.

19

492-11044

LOCK WASHER,7/16"

4шт.

20

87529708

PULLEY ASSY.

20-1/2 in OD, Rotor Drive, Stationary

1шт.

21

87396631

HUB

Inc. 22, Serial Range: -HAJ305515

1шт.

21

87481453

HUB

Inc. 22, Start Serial: HAJ305515

1шт.

22

191544C2

PIN,28.48mm OD x 127mm L

3шт.

23

426-828

BOLT,Hex, 1/2" - 13 x 1-3/4", Gr 8

, Serial Range: -HAJ305515

6шт.

23

426-832

BOLT,Hex, 1/2" - 13 x 2", Gr 8

, Start Serial: HAJ305515

6шт.

24

492-21050

LOCK WASHER,1/2"

6шт.

25

9803187

NUT,1/2"-13, G8

6шт.

28

443298A1

DRIVE SHAFT

Inc. 29, 33 - 37

1шт.

29

383499A1

U-JOINT SPIDER

Inc. (4) R13992 Snap Rings

1шт.

30

1300501C1

U-BOLT,3/8" - 24 x 1.66" W x 1.40" L

If Used

2шт.

31

425-116

NUT,3/8" - 24, Gr 5

4шт.

32

492-11038

LOCK WASHER,3/8"

4шт.

33

NSS

NOT SOLD SEPARAT

Shaft

1шт.

34

NSS

NOT SOLD SEPARAT

Yoke

1шт.

35

S80726

YOKE

UNIVERSAL JOINT YOKE Flange

1шт.

36

D137627

BOLT,Hex Flg, 5/16" - 24 x 19.05mm

5/16

4шт.

37

D137626

CLAMP,30.175mm D Clamping Pipe

Bearing

2шт.

38

362120R1

CLAMP,9.53mm ID, 10.32mm Bolt Hole, P Type

1шт.

39

477-73808

SERRATED SCREW,Sl Truss Hd, 3/8" - 16 x 1/2"

1шт.

Выбрано товаров: 37