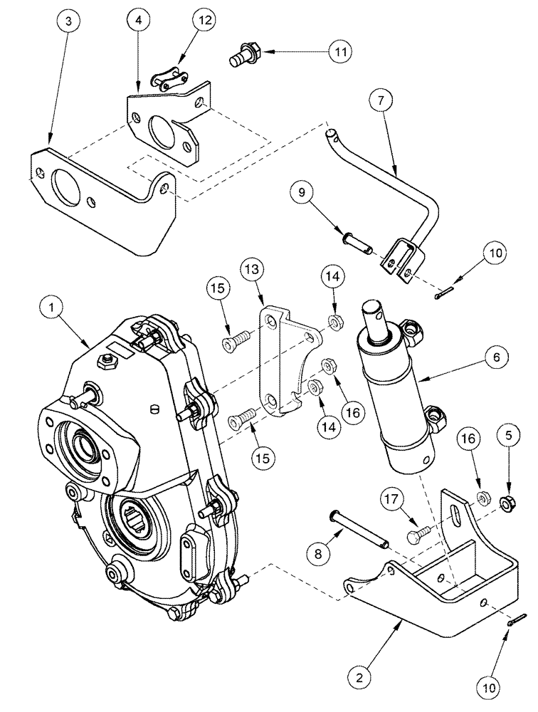
Запчасти Case IH 2388 (09A-21) - GEARBOX ASSY - FEEDER REVERSER (13) - FEEDER

Схема запчастей Case IH 2388 - (09A-21) - GEARBOX ASSY - FEEDER REVERSER (13) - FEEDER
14
9
16
10
4
15
5
6
8
3
7
15
11
17
1
12
16
14
13
10
2
FIT
1:1
100%

Артикул

Название

Примечание

Количество

401134A2

GEARBOX

Inc. 1 - 12

1шт.

1

86980131

GEARBOX

1шт.

See Figure 09A-22

1шт.

86980131R

REMAN-GEARBOX

2388 (RU) ASN HAJ300001 (10/06-)

1шт.

86980131C

CORE-GEARBOX

Return Number

1шт.

2

405720A1

SUPPORT

1шт.

3

388772A1

BRACKET

1шт.

4

388773A1

BRACKET

1шт.

5

231-5146

FLANGE NUT,3/8"-16

2шт.

6

87391858

CYLINDER

Clutch

1шт.

7

391768A1

ROD

1шт.

8

439-1656

HEADED PIN,3/8" x 3 1/2"

1шт.

9

439-5624

HEADED PIN,3/8" x 1 1/2"

1шт.

10

432-812

COTTER PIN,3/4" OAL x 1/8" W

2шт.

11

409-7816

BOLT,Hex Flg, 1/2" - 13 x 1", Spcl

2шт.

12

242-1410

LINK CHAIN

1шт.

13

405718A1

SUPPORT

1шт.

14

231-5146

FLANGE NUT,3/8"-16

2шт.

15

87301496

HEX SOC SCREW,Flat Hd, CSK, 1/2" - 13 x 1 1/2"

2шт.

16

231-5148

FLANGE NUT,Flg, USR, 1/2"-13

4шт.

17

87670

BOLT,1/2" - 13 x 1-1/4", Full Thd, Gr 5

3шт.

Выбрано товаров: 21