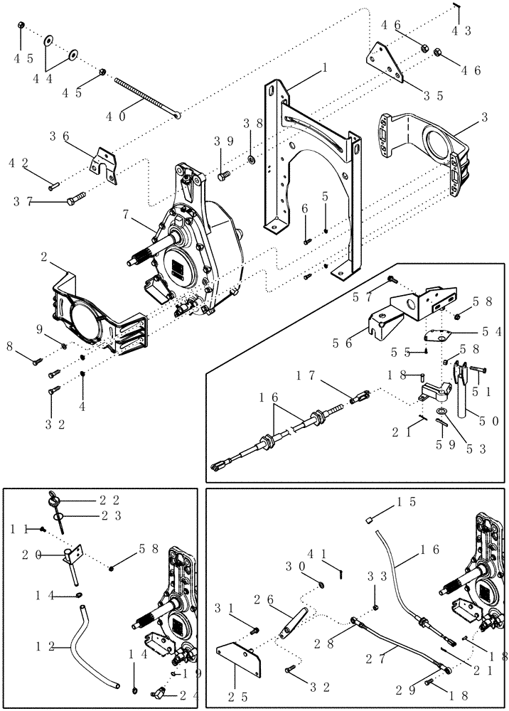
Запчасти Case IH 2388 (09B-01) - ROTOR DRIVE - GEARBOX MOUNTING (14) - ROTOR, CONCANVES & SIEVE

Схема запчастей Case IH 2388 - (09B-01) - ROTOR DRIVE - GEARBOX MOUNTING (14) - ROTOR, CONCANVES & SIEVE
53
6
39
2
5
24
50
55
51
30
22
18
40
20
23
21
4
31
45
28
18
42
11
58
41
17
44
36
3
37
58
9
15
35
54
32
45
14
33
43
19
27
12
32
16
14
16
8
18
38
46
25
1
59
56
29
21
7
46
57
58
26
FIT
1:1
100%

Артикул

Название

Примечание

Количество

1

87615040

SUPPORT

Rotor Gearbox

1шт.

2

87406698

SUPPORT

Rear

1шт.

3

87406699

SUPPORT

Front

1шт.

4

80679

LOCK WASHER,1/20.507 CST ZND

8шт.

5

492-11038

LOCK WASHER,3/8"

4шт.

6

413-616

BOLT,Hex, 3/8" - 16 x 1", Gr 5

4шт.

7

87331237

GEARBOX

1шт.

See Figure 09B-03

1шт.

7

87330126R

GEARBOX

2388 (RU) ASN HAJ300001, Reman For New P/N 87331237

1шт.

7

87330126C

CORE

Return Part Number

1шт.

7

84171991R

REMAN-ROTOR DRIVE

Reman, Heavy Duty Rotor Drive

1шт.

7

84171991C

CORE-HOUSING

Return Part Number, Heavy Duty Rotor Drive

1шт.

8

614-12040

BOLT,Hex, M12 x 1.75 x 40mm, Cl 8.8, Full Thd

2шт.

9

896-11012

WASHER,13.5mm ID x 24mm OD x 3mm Thk

2шт.

10

413-828

BOLT,Hex, 1/2" - 13 x 1-3/4", Gr 5

4шт.

11

477-73112

SERRATED SCREW,Sl Truss Hd, 5/16" - 18 x 3/4"

2шт.

12

194043C1

HYDRAULIC HOSE,12.70 mm ID x 483.00 mm

1шт.

13

163493C1

STRIP,19.05mm ID x 25.4mm OD x 45.7mm L

1шт.

14

214-1706

HOSE CLAMP,#06, 0.44" - 0.78", Type M Worm

2шт.

15

515-23254

CLAMP,1", Insul, 3/8" Bolt

1шт.

16

236859A2

CABLE,3810mm L

Shift, Inc. 30A

1шт.

17

213-325

CLEVIS,5/16"

5/16 NF

2шт.

18

427-5094

CLEVIS PIN,7.92mm OD x 23.88mm L

1шт.

19

237-6008

O-RING,0.087" Thk x 0.644" ID, -908, Cl 6, 90 Duro

1шт.

20

193946C1

TUBE,12.7 mm OD

Assembly

1шт.

21

432-612

COTTER PIN,3/32" x 3/4"

2шт.

22

194066C91

DIPSTICK

Inc. 35A

1шт.

23

238-5210

O-RING,0.139" Thk x 0.734" ID, -210, Cl 5, 75 Duro

2шт.

24

217-348

FITTING,90 Degree Elbow, 1/2" Hose Barb x 3/4" - 16 Male ORB

1шт.

25

87400381

GUIDE

Shift Handle

1шт.

26

87528912

HANDLE

1шт.

27

87304527

SHIFT RAIL

Rod, Inc. 28, 29

1шт.

28

86582884

BALL JOINT

2шт.

29

425-118

NUT,1/2"-20, G5

2шт.

30

495-81037

WASHER,25/32" x 1 1/4" x .060"

1шт.

31

413-820

BOLT,Hex, 1/2" - 13 x 1-1/4", Gr 5

1шт.

32

413-828

BOLT,Hex, 1/2" - 13 x 1-3/4", Gr 5

1шт.

33

232-4118

NUT,1/2"-13, GC

1шт.

34

86991660

PLATE

Gearbox Spacer

1шт.

35

87406697

PLATE

1шт.

36

87406696

BRACKET

Bracket

1шт.

37

426-1248

BOLT,Hex, 3/4" - 10 x 3", Gr 8

2шт.

38

496-21081

WASHER,13/16" x 1 1/2" x .179", HDN

3шт.

39

426-1224

BOLT,Hex, 3/4" - 10 x 1-1/2", Gr 8

1шт.

40

188143C1

EYEBOLT

Eyebolt

1шт.

41

432-1620

COTTER PIN,1/4" x 1 1/4"

1шт.

42

439-5832

HEADED PIN,12.7mm OD x 50.8mm L

1шт.

43

432-1216

COTTER PIN,3/16" x 1"

1шт.

44

495-81030

WASHER,21/32" x 2" x .179"

2шт.

45

425-1010

NUT,5/8"-11, G5

2шт.

46

429-1012

NUT,3/4"-10, G8

3шт.

47

426-1256

BOLT,Hex, 3/4" - 10 x 3-1/2", Gr 8

2шт.

48

232-53112

FLANGE NUT,Flg, 3/4"-10

2шт.

49

254982A2

SHAFT

3 Speed Gearbox

1шт.

50

276073A2

HANDLE

3 Speed Rotor Shift

1шт.

51

413-528

BOLT,Hex, 5/16" - 18 x 1-3/4", Gr 5

1шт.

52

280736

NUT,5/16"-18, GC

1шт.

53

495-81039

WASHER,25/32" x 1 1/4" x .120"

1шт.

54

255651A5

PLATE

Shift Indicator

1шт.

55

281-1458

SELF-TAP SCREW,Hex Wash Hd, #10 x 1/2"

1шт.

56

253851A3

SUPPORT

Front Shift

1шт.

57

409-7516

BOLT,Hex Flg, 5/16" - 18 x 1", Spcl

2шт.

58

231-5145

SERRATED NUT,Flg, USR, 5/16"-18

2шт.

59

432-1620

COTTER PIN,1/4" x 1 1/4"

1шт.

Выбрано товаров: 0