Запчасти Case IH 2388 (02-19) - CYLINDER BLOCK - ENGINE BLOCK HEATERS (01) - ENGINE

Схема запчастей Case IH 2388 - (02-19) - CYLINDER BLOCK - ENGINE BLOCK HEATERS (01) - ENGINE
14
6
16
17
27
30
14
9
13
2
33
39
4
4
10
11
32
20
12
8
38
29
4
3
28
7
34
21
5
15
31
19
18
40
1
37
36
22
4
35
FIT
1:1
100%

Артикул

Название

Примечание

Количество

87411283

BASIC ENGINE

Service, 6TAA-830 Tier 2

1шт.

Basic Service Engine, Less, Starter, Alternator, Fan, Fan Belt, Air Cleaner, Muffler, Exhaust Manifold, Flywheel and Housing, Oil Fill and Dipstick, Fuel Injection Pump, Injectors and Lines, Front Pulley, Belt Tensioner, Turbocharger and Aftercooler; See Note

1шт.

Note: Basic engines and reman engines are generic engines, all parts are not supplied with the engines. Check the configuration of the engine being removed, with the configuration of the engine being installed. For any components not supplied with the engine being installed, reuse those parts from the engine that has just been removed. Do not return the old engine, until the unit is reassembled.

1шт.

87411283R

REMAN-BASIC ENGINE

ENGINE (EXCHANGE) Remanufactured, For N.A. Only

1шт.

87411283C

CORE-BASIC ENGINE

Return Number, For N.A. Only

1шт.

87411285

BLOCK

Short Block Inc. Stripped Blck.,Crank, Pistons, Sleeves, Rings, Rods, Main & Rod Brgs.

1шт.

87411285R

REMAN-SHORT ENGINE

2388 (RU) ASN HAJ300001 (10/06-)

1шт.

87411285C

CORE-ENGINE

Return Number

1шт.

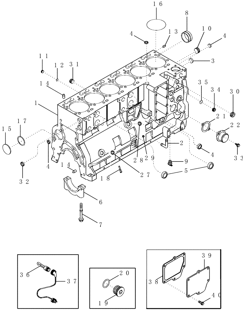
1

84165306

CYLINDER BLOCK

Stripped, Inc. 3 - 8, Also Order 87444569

1шт.

2

87437056

TUBE,.875" OD

Turbo Drain

1шт.

3

A77586

PLUG

28.9 mm

2шт.

4

A77506

PLUG

21 mm

4шт.

5

J905401

PLUG

35 mm

4шт.

6

87444056

BEARING CAP,159 mm OD x 34 mm

Main Bearing

7шт.

7

87444059

BOLT

M14 x 128

14шт.

8

J945329

CAMSHAFT BEARING,60.08mm ID x 64.13mm OD x 25mm L

Camshaft

7шт.

87444569

SERVICE KIT

Inc. 9 - 20

1шт.

9

217-103

COCK, DRAIN

1/4 PT

1шт.

10

86625135

PLUG,1" - 11-1/2 NPT

1шт.

11

J678923

PLUG,M10 x 1

10 mm, Inc. 12

5шт.

12

86625087

O-RING,1.6mm Thk x 8.1mm ID, Cl 7, 75 Duro

5шт.

13

J900257

PIN,10.01mm OD x 16mm L

10 mm

2шт.

14

J901846

PIN,12.01mm OD x 24mm L

4шт.

15

41-3044

PLUG,Exp, 2 3/4"

1шт.

16

J907177

SEAL,118mm ID x 122.32mm OD x 4mm Thk

6шт.

17

J926048

O-RING,0.07" Thk x 2.614" ID, -38, Cl 5, 75 Duro

66 mm ID

1шт.

18

J928031

NOZZLE,8.5mm OD x 30mm L

12шт.

19

J678921

PLUG

14 mm, Inc. 20

2шт.

20

J678912

O-RING,2.2mm Thk x 11.3mm ID

2шт.

21

J945603

GASKET,1.65mm Thk

Water Inlet

1шт.

22

J913030

FITTING

Water Inlet

1шт.

27

A77530

PLUG

1-13/64 OD

1шт.

28

238-7018

O-RING,0.07" Thk x 0.739" ID, -18, Cl 7, 75 Duro

1шт.

29

J943808

PLUG

13 mm

1шт.

30

263136

MAGNETIC PLUG,Sq. Soc, 3/4"-14 NPTF

PLUG, MAGNETIC

2шт.

31

217-438

PLUG,Hex Soc, 1/2" - 14 NPTF

2шт.

32

J920443

PLUG

30 mm

2шт.

33

845-8020

BOLT,Hvy Hex, M8 x 20mm, Cl 8.8

2шт.

34

313244A1

PLUG

Hex Socket, 22 mm, Inc. 35

2шт.

35

313246A1

O-RING,2.2mm Thk x 19.3mm ID

19 ID x 2,2 mm

1шт.

310493A1

KIT

Engine Block Heater, 120 Volt, Inc. 36 - 37

1шт.

36

196466A1

ELECTRIC CABLE

1829 mm (72 in)

1шт.

37

NSS

NOT SOLD SEPARAT

Element

1шт.

310494A1

KIT

Coolant Heater, 240V, Inc. 36 - 37

1шт.

36

J913112

WIRE HARNESS

305 mm (12")

1шт.

37

NSS

NOT SOLD SEPARAT

Element

1шт.

38

87436828

GASKET

1шт.

39

87413814

COVER

Used Without Side Crankcase Breather

1шт.

40

87409160

SCREW,Hex, M6 x 1 x 16mm, Cl 10.9

6шт.

A78017

REPAIR KIT

Engine Overhaul, (Not Shown)

1шт.

See Figure 02-33

1шт.

Выбрано товаров: 51