Запчасти Case IH 2388 (06-22) - AXLE ASSY - DRIVE, WITHOUT EXTENSIONS (03) - POWER TRAIN

Схема запчастей Case IH 2388 - (06-22) - AXLE ASSY - DRIVE, WITHOUT EXTENSIONS (03) - POWER TRAIN
10
6
6
12
3
5
4
9
6
10
1
8
2
7
11
FIT
1:1
100%

Артикул

Название

Примечание

Количество

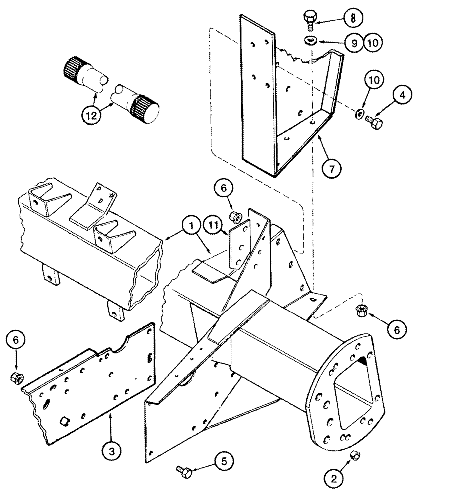
1

87526458

AXLE

1шт.

2

135314A1

BUSHING,20.1mm ID x 21.75mm OD x 12.7mm L

4шт.

3

REF

INSTRUCTION

Support, Right Hand Shown

1шт.

See Figure(s) 09H-03, REF 18; 09H-04, REF 8

1шт.

4

426-1020

BOLT,Hex, 5/8" - 11 x 1-1/4", Gr 8

1шт.

4

426-1036

BOLT,Hex, 5/8" - 11 x 2-1/4", Gr 8

1шт.

4

426-1024

BOLT,Hex, 5/8" - 11 x 1-1/2", Gr 8

1шт.

5

627-20060

BOLT,Hex, M20 x 2.5 x 60mm, Cl 10.9, Full Thd

1шт.

6

87301493

SERRATED NUT,Flg, USR, 5/8"-11, G8

1шт.

7

REF

INSTRUCTION

Separator, Right Hand Shown

1шт.

See Figure(s) 09H-03, REF 19; 09H-04, REF 9

1шт.

8

326-1024

BOLT,Hex, 5/8" - 11 x 1-1/2", Gr 8

1шт.

9

496-41066

WASHER,5/8" ID x 1-1/2" OD x 3/16" Thk

If Used

1шт.

10

496-11066

WASHER,21/32" x 1 5/16" x .095", HDN

1шт.

11

87527680

PLATE

Reinforcement

2шт.

12

REF

INSTRUCTION

Shaft, Axle, Drive, Without Extensions, 748mm

2шт.

See Figure 06-24, REF 40

1шт.

Выбрано товаров: 17