Запчасти Case IH 2577 (21.130.04) - TRANSMISSION ASSY - HOUSING AND DIFFERENTIAL (21) - TRANSMISSION

Схема запчастей Case IH 2577 - (21.130.04) - TRANSMISSION ASSY - HOUSING AND DIFFERENTIAL (21) - TRANSMISSION
17
4
5a
15
6
23
1
21
12
26
7
12
5a
44.151.11
44.151.01
3
2
5
27
8
14
12
10
30
13
7
14
32
20
5
31
25
9
24
11
3a
29
13
18
16
22
19
28
FIT
1:1
100%

Артикул

Название

Примечание

Количество

87393461

TRANSMISSION

37/35 Change Gears, Incl 1 - 31

1шт.

87393461R

REMAN-TRANSMISSION

37/35 Change Gears

1шт.

87393461C

CORE-TRANSMISSION

Return Number

1шт.

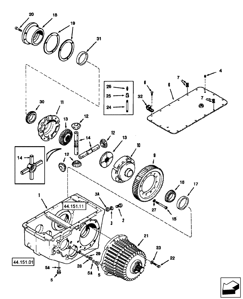
1

236715A1

HOUSING

1шт.

2

627-16050

BOLT,Hex, M16 x 2 x 50mm, Cl 10.9, Full Thd

4шт.

3

892-16016

LOCK WASHER,M16, Hvy

4шт.

3a

896-11016

WASHER,17.5mm ID x 30mm OD x 4mm Thk

4шт.

4

217-433

PLUG,Hex Soc, 1/4" - 18 NPTF

2шт.

5

9841223

PLUG,1-1/16" - 12 ORB

Incl 5A

2шт.

5a

237-6012

O-RING,0.116" Thk x 0.924" ID, -912, Cl 6, 90 Duro

1шт.

6

239456A1

COVER

Housing

1шт.

7

396-21041

WASHER,10.31mm ID x 20.63mm OD x 2.26mm Thk

If Required

4шт.

8

613-10020

BOLT,Hex, M10 x 1.5 x 20mm, Cl 8.8, Full Thd

18шт.

9

87354342

GEAR

66T, Differential Driven

1шт.

236380A1

HOUSING

Differential, Incl 10, 11

1шт.

10

NSS

NOT SOLD SEPARAT

HOUSING, RH

1шт.

11

NSS

NOT SOLD SEPARAT

HOUSING, LH

1шт.

12

361061R3

PINION

15T

4шт.

13

236377A1

BEVEL GEAR

28T

2шт.

14

197469A1

SHAFT

Two Pieces Required

2шт.

14

393637R2

DIFF. SPIDER

1шт.

15

230447A1

HEX SOC SCREW

M16 x 90; 10.9

12шт.

16

ST2096

BEARING ASSY,73.03mm ID x 25.4mm W

1шт.

17

ST981

BEARING CONE,112.71mm OD x 19.05mm W

1шт.

18

1997956C2

CAGE

1шт.

19

1997957C1

SHIM

0.813 mm

1шт.

19

1997958C2

SHIM,134mm ID x 176mm OD x 0.13mm Thk

1шт.

19

1997947C2

SHIM,134mm ID x 176mm OD x 0.08mm Thk

1шт.

20

863-10025

HEX SOC SCREW,M10 x 25mm, Cl 12.9

5шт.

21

236388A1

BRAKE ASSY.

Master

2шт.

21

236388A1R

REMAN-BRAKE ASSY.

Master

2шт.

21

236388A1C

CORE-BRAKE ASSY.

Return Number

2шт.

22

963-12040

HEX SOC SCREW,M12 x 40mm, Cl 10.9

20шт.

23

896-11012

WASHER,13.5mm ID x 24mm OD x 3mm Thk

20шт.

24

221-1114

LUBE NIPPLE,1/8" NPT x 4 1/2"

1шт.

25

144098

REDUCER

Housing Cover

1шт.

26

219-434

BREATHER,1/8" - 27 NPT, Short, W/ Washer

Transmission Case Oil

1шт.

27

896-12016

WASHER,17.5mm ID x 30mm OD x 4mm Thk

12шт.

28

86625138

PLUG,7/18" - 14

Incl 29

1шт.

29

237-6010

O-RING,0.097" Thk x 0.755" ID, -910, Cl 6, 90 Duro

1шт.

30

ST2133

BEARING ASSY,3.0625" ID x 4.625" OD x 1"

1шт.

31

ST990

TAPERED BEARING,3.0625" ID x 4.625" OD x 1"

1шт.

32

516-23127

CLAMP,9/16", Insul, 3/8" Bolt

3шт.

Выбрано товаров: 0