Запчасти Case IH 2577 (21.135.01) - HYDRAULICS - FOOT-N-INCH VALVE (21) - TRANSMISSION

Схема запчастей Case IH 2577 - (21.135.01) - HYDRAULICS - FOOT-N-INCH VALVE (21) - TRANSMISSION
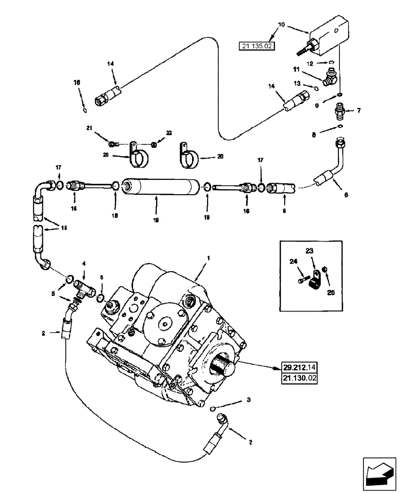
12
6
18
25
19
14
20
17
16
2
10
22
9
11
21
23
16
20
15
8
16
7
29.212.14
21.135.02
21.130.02
3
6
14
5
24
13
5
17
18
4
1
2
FIT
1:1
100%

Артикул

Название

Примечание

Количество

2

141127A3

HOSE,6.35mm ID x 400mm L

400 mm (15-3/4"), At Motor Relief Valve

1шт.

3

238-6011

O-RING,0.07" Thk x 0.301" ID, -11, Cl 6, 90 Duro

1шт.

4

201-421

TEE,9/16"-18 ORFS x 9/16"-18 Sw Run

Incl 5

1шт.

5

238-6011

O-RING,0.07" Thk x 0.301" ID, -11, Cl 6, 90 Duro

3шт.

6

141126A2

HOSE,6.35mm ID x 2800mm L

2800 mm (110-1/4"), Supply, Foot-N-Inch Valve

1шт.

7

201-100

HYD CONNECTOR,9/16" - 18 Male ORFS x 7/16" - 20 Male ORB

Incl 8, 9

1шт.

9

237-6004

O-RING,0.072" Thk x 0.351" ID, -904, Cl 6, 90 Duro

1шт.

10

123974A4

VALVE

Assy, Foot-N-Inch

1шт.

11

201-332

ELBOW,90 Degree Elbow, 13/16" - 16 Male ORFS x 9/16" - 18 Male ORB

Incl 12, 13

1шт.

12

237-6006

O-RING,0.078" Thk x 0.468" ID, -906, Cl 6, 90 Duro

1шт.

13

238-6014

O-RING,0.07" Thk x 0.489" ID, -14, Cl 6, 90 Duro

1шт.

14

141158A2

FLEXIBLE HOSE

651 mm (25-5/8"), Return, Foot-N-Inch Valve

1шт.

15

244209A3

HOSE ASSY.,620 mm Length

620mm (24-13/32"), Foot-N-Inch Supply to Tube

1шт.

16

243956A1

FITTING

Incl 17, 18

2шт.

17

238-6011

O-RING,0.07" Thk x 0.301" ID, -11, Cl 6, 90 Duro

1шт.

18

237-6006

O-RING,0.078" Thk x 0.468" ID, -906, Cl 6, 90 Duro

1шт.

19

242967A1

TUBE,31.6 mm ID, 41.3 mm OD, 270 mm Length

Supply, Foot-N-Inch Valve

1шт.

20

243755A1

CLAMP,39.67mm ID, 10.3mm Bolt Hole, P Type

1-9/16" ID

2шт.

21

409-7616

BOLT,Hex Flg, 3/8" - 16 x 1", Spcl

2шт.

22

231-5146

FLANGE NUT,3/8"-16

2шт.

23

515-23206

CLAMP,13/16", Insul, 3/8" Bolt

P-type, For Return Hose

1шт.

23

515-23159

CLAMP,5/8", Insul, 3/8" Bolt

For supply hose

1шт.

24

614-8025

BOLT,Hex, M8 x 1.25 x 25mm, Cl 8.8, Full Thd

1шт.

25

832-10408

NUT,M8 x 1.25, Cl 8.8

1шт.

26

1327979C1

MOLDING

152 mm (6"), (Not Shown)

1шт.

Выбрано товаров: 25