Запчасти Case IH 2577 (29.212.02[02]) - MOTOR ASSY - HYDROSTATIC - TWO SPEED (29) - HYDROSTATIC DRIVE

Схема запчастей Case IH 2577 - (29.212.02[02]) - MOTOR ASSY - HYDROSTATIC - TWO SPEED (29) - HYDROSTATIC DRIVE
22
56
25
50
61
12
37
14
43
30
31
10
51
18
3
4
34
46
38
36
32
13
18
33
60
14a
58
59
45
57
33
44
52
17
48
21
21.130.01
51
26
27
24
16
15
1
39
47
52
49
23
18
27
50
15
17
18
FIT
1:1
100%

Артикул

Название

Примечание

Количество

400476A2R

REMAN-HYD MOTOR,89.13 CC

N.A. Only

1шт.

400476A2C

CORE-MOTOR HYDRAULIC

Use to Return Core for Credit

1шт.

400476A2

HYDROSTATIC MOTOR

Incl 1 - 56

1шт.

400476A2R

REMAN-HYD MOTOR,89.13 CC

2577 ASN HAJ0300001 (10/06-)

1шт.

400476A2C

CORE-MOTOR HYDRAULIC

Return Number

1шт.

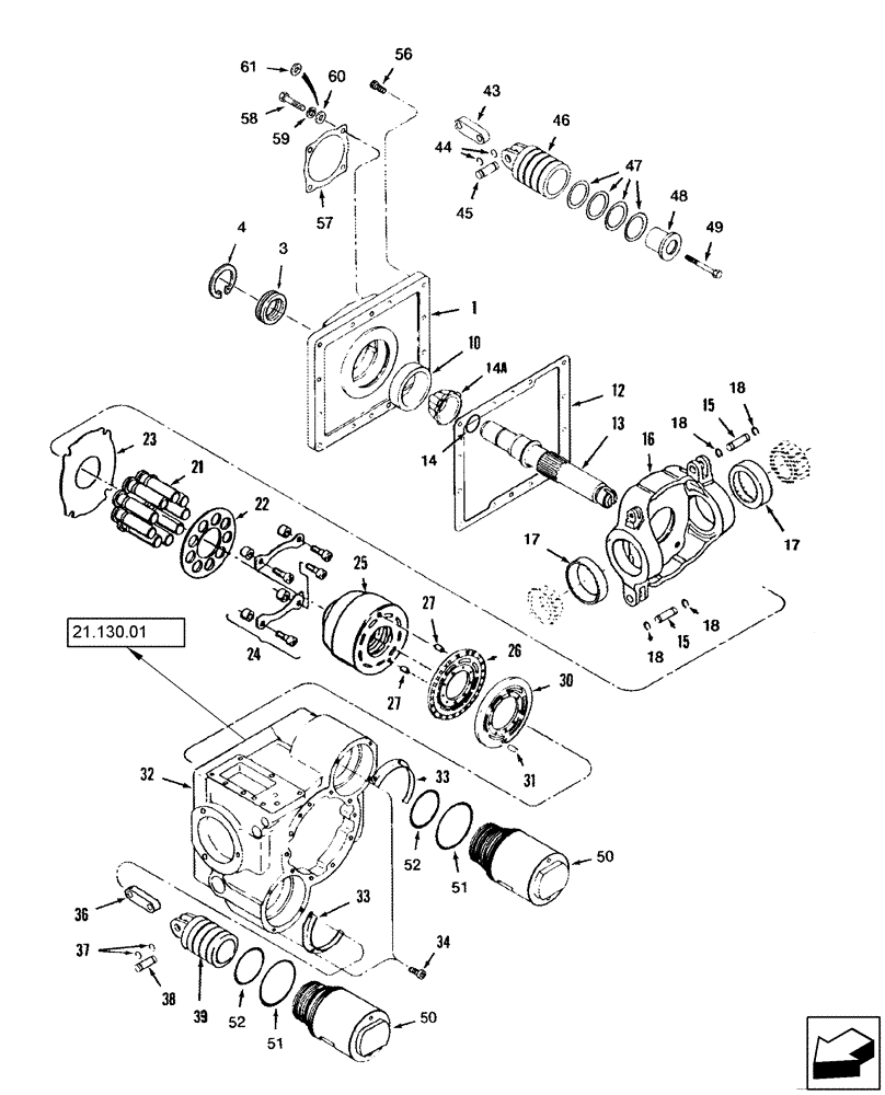
1

NSS

NOT SOLD SEPARAT

FLANGE

1шт.

403145A1

SEAL

Shaft, Incl 3, 4

1шт.

3

NSS

NOT SOLD SEPARAT

SEAL

1шт.

4

100-21250

SNAP RING,2.50", Int, #250

1шт.

10

ST863

BEARING CUP,93.22mm OD x 23.81mm W

1шт.

12

142399C1

GASKET

1шт.

13

403147A1

SHAFT

Output, Incl 14, 14A

1шт.

14

NSS

NOT SOLD SEPARAT

RING, Retaining, No. 200

4шт.

14a

NSS

NOT SOLD SEPARAT

BEARING, CONE

1шт.

15

140766C1

PIN,14.22mm OD x 39.12mm L

2шт.

16

NSS

NOT SOLD SEPARAT

PLATE, Swash

1шт.

17

NSS

NOT SOLD SEPARAT

BEARING, CUP

2шт.

18

100-1356

SNAP RING,#56, Ext

4шт.

21

NSS

NOT SOLD SEPARAT

PISTON

9шт.

22

NSS

NOT SOLD SEPARAT

PLATE

1шт.

23

NSS

NOT SOLD SEPARAT

PLATE

1шт.

24

NSS

NOT SOLD SEPARAT

KIT

1шт.

25

NSS

NOT SOLD SEPARAT

BARREL

1шт.

26

NSS

NOT SOLD SEPARAT

PLATE

1шт.

27

37-1510

DOWEL,5/16" x 5/8"

2шт.

30

NSS

NOT SOLD SEPARAT

PLATE, Valve

1шт.

31

37-1510

DOWEL,5/16" x 5/8"

1шт.

32

NSS

NOT SOLD SEPARAT

HOUSING, Motor

1шт.

33

142408C1

RETAINER

2шт.

34

461-3086

HEX SOC SCREW,#8 - 32 x 3/8"

6шт.

36

NSS

NOT SOLD SEPARAT

LINK

1шт.

37

100-1375

SNAP RING,#75, Ext

2шт.

38

NSS

NOT SOLD SEPARAT

PIN

1шт.

39

NSS

NOT SOLD SEPARAT

PISTON

1шт.

145308C1

PISTON

Servo, Incl 43 - 49

1шт.

43

NSS

NOT SOLD SEPARAT

LINK

1шт.

44

100-1375

SNAP RING,#75, Ext

2шт.

45

NSS

NOT SOLD SEPARAT

PIN

1шт.

46

NSS

NOT SOLD SEPARAT

PISTON

1шт.

47

NSS

NOT SOLD SEPARAT

SHIM

4шт.

48

NSS

NOT SOLD SEPARAT

SPACER

1шт.

49

413-540

BOLT,Hex, 5/16" - 18 x 2-1/2", Gr 5

1шт.

50

NSS

NOT SOLD SEPARAT

SLEEVE Assy, Servo, Incl 51, 52

2шт.

51

238-5237

O-RING,0.139" Thk x 3.359" ID, -237, Cl 5, 75 Duro

2шт.

52

238-5234

O-RING,0.139" Thk x 2.984" ID, -234, Cl 5, 75 Duro

2шт.

56

413-720

BOLT,Hex, 7/16" - 14 x 1-1/4", Gr 5

12шт.

57

166506C1

GASKET,0.81mm Thk

1шт.

58

828-12045

BOLT,Hex, M12 x 1.75 x 45mm, Cl 10.9, Full Thd

4шт.

61

396-41053

WASHER,13.49mm ID x 31.75mm OD x 5.05mm Thk

4шт.

Выбрано товаров: 49