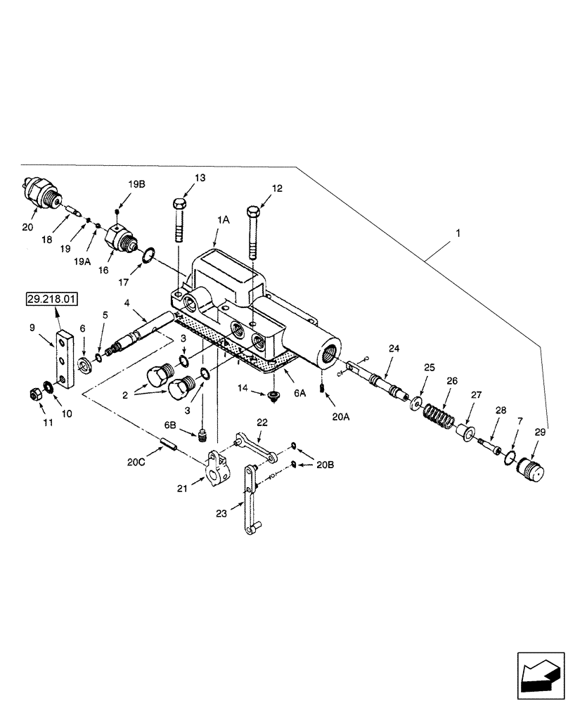
Запчасти Case IH 2577 (29.212.05) - PUMP ASSY - HYDROSTATIC - CONTROL VALVE (29) - HYDROSTATIC DRIVE

Схема запчастей Case IH 2577 - (29.212.05) - PUMP ASSY - HYDROSTATIC - CONTROL VALVE (29) - HYDROSTATIC DRIVE
1
1a
6b
19
18
13
29.218.01
6
10
5
21
6a
27
28
17
25
20b
4
20c
20
22
26
29
7
2
14
24
16
23
20a
19a
9
3
19b
11
3
12
FIT
1:1
100%

Артикул

Название

Примечание

Количество

1

191065A1

CONTROL VALVE

Hydrostatic Pump, Incl 1 - 29

1шт.

1a

NSS

NOT SOLD SEPARAT

BODY

1шт.

2

76349

PLUG,9/16" - 18 ORB

Incl 3

2шт.

3

237-6006

O-RING,0.078" Thk x 0.468" ID, -906, Cl 6, 90 Duro

1шт.

1978048C3

KIT

Incl 4 - 6B

1шт.

4

NSS

NOT SOLD SEPARAT

SHAFT

1шт.

5

238-5012

O-RING,0.07" Thk x 0.364" ID, -12, Cl 5, 75 Duro

1шт.

6

NSS

NOT SOLD SEPARAT

SEAL

1шт.

6a

133756C1

GASKET

1шт.

6b

NSS

NOT SOLD SEPARAT

SETSCREW

1шт.

7

238-5016

O-RING,0.07" Thk x 0.614" ID, -16, Cl 5, 75 Duro

1шт.

9

REF

INSTRUCTION

Lever, Not Used In This Application

1шт.

10

493-11033

LOCK WASHER,Ext-Int Tooth, 5/16"

1шт.

11

425-105

NUT,5/16"-18, G5

1шт.

12

413-528

BOLT,Hex, 5/16" - 18 x 1-3/4", Gr 5

2шт.

13

413-516

BOLT,Hex, 5/16" - 18 x 1", Gr 5

4шт.

14

1272750C1

ORIFICE

0.057" dia, Used in 1343716C4

1шт.

15

238-5012

O-RING,0.07" Thk x 0.364" ID, -12, Cl 5, 75 Duro

1шт.

197909A2

ADAPTER,9/16" - 18 x 3/4"- 16

Special, Incl 16 - 19C, Serial Range: Valve-Switch

1шт.

16

NSS

NOT SOLD SEPARAT

ADAPTER

1шт.

17

238-6008

O-RING,0.07" Thk x 0.176" ID, -8, Cl 6, 90 Duro

1шт.

18

NSS

NOT SOLD SEPARAT

PIN, Neutral Start

1шт.

19

238-5004

O-RING,0.07" Thk x 0.07" ID, -4, Cl 5, 75 Duro

1шт.

19a

211-1006

BALL,3/16" Dia

Neutral Start

1шт.

19b

84-1103

SET SCREW,Hex Soc, #10-32 x 3/16"

2шт.

19c

86991254

SLEEVE,9.397mm ID x 12.7mm OD x 9.397mm L

Switch (Not Shown)

1шт.

20

197514A2

SWITCH

Neutral Start

1шт.

20a

83-1106

SET SCREW,Hex Soc, #10-24 x 3/8"

1шт.

20b

100-1125

SNAP RING,#25, Ext

2шт.

20c

38-1614

LOCK PIN,2.36mm OD x 22.23mm L

1шт.

21

NSS

NOT SOLD SEPARAT

CONNECTOR

1шт.

22

NSS

NOT SOLD SEPARAT

LINK

1шт.

23

NSS

NOT SOLD SEPARAT

LINK

1шт.

24

NSS

NOT SOLD SEPARAT

SPOOL

1шт.

25

NSS

NOT SOLD SEPARAT

SPACER

1шт.

26

NSS

NOT SOLD SEPARAT

SPRING

1шт.

27

NSS

NOT SOLD SEPARAT

RETAINER

1шт.

28

NSS

NOT SOLD SEPARAT

SCREW

1шт.

29

NSS

NOT SOLD SEPARAT

SCREW

1шт.

Выбрано товаров: 39