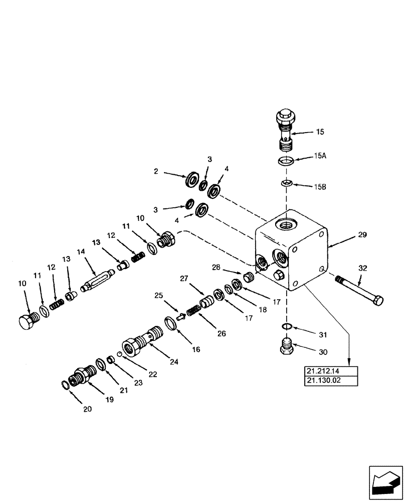
Запчасти Case IH 2577 (29.212.13) - HYDROSTATIC MOTOR ASSY - RELIEF VALVE BLOCK (29) - HYDROSTATIC DRIVE

Схема запчастей Case IH 2577 - (29.212.13) - HYDROSTATIC MOTOR ASSY - RELIEF VALVE BLOCK (29) - HYDROSTATIC DRIVE
32
11
29
30
18
23
10
27
3
16
21.130.02
12
21
12
15a
24
15b
21.212.14
4
18
15
22
28
14
2
17
25
13
31
11
17
10
20
13
26
3
4
FIT
1:1
100%

Артикул

Название

Примечание

Количество

193646A2

BLOCK

Relief Valve, Incl 2 - 31

1шт.

140747C92

SEAL KIT

Valve Block, Incl 2 - 4

1шт.

2

239-5018

O-RING,Square, 0.062" Thk x 0.75" ID, -18, Cl 5, 75 Duro

1шт.

3

238-6018

O-RING,0.07" Thk x 0.739" ID, -18, Cl 6, 90 Duro

2шт.

4

631458C1

RING

2шт.

145559C91

KIT

Shuttle Valve, Incl 10 - 14

1шт.

10

86512512

PLUG,7/8" - 14 ORB

Incl 11

2шт.

11

237-6010

O-RING,0.097" Thk x 0.755" ID, -910, Cl 6, 90 Duro

2шт.

12

145560C1

SPRING

2шт.

13

NSS

NOT SOLD SEPARAT

VALVE, Regulator, Shuttle

2шт.

14

NSS

NOT SOLD SEPARAT

SPOOL

1шт.

15

140761C1

VALVE PRESSURE RELIE

Low, Incl Ref 15A, 15B

1шт.

15a

237-6014

O-RING,0.116" Thk x 1.048" ID, -914, Cl 6, 90 Duro

1шт.

15b

238-6117

O-RING,0.103" Thk x 0.799" ID, -117, Cl 6, 90 Duro

1шт.

193647A1

VALVE PRESSURE RELIE

Kit, Feathering, Incl 393885R92, 222167A1, Ref 16 - 22

2шт.

393885R92

SEAL KIT

Relief Valve, Incl 16 - 18

3шт.

16

NSS

NOT SOLD SEPARAT

O-RING

1шт.

17

NSS

NOT SOLD SEPARAT

RING, BACKUP

2шт.

18

NSS

NOT SOLD SEPARAT

O-RING

1шт.

222167A1

REPAIR KIT

Check Valve, Incl 19 - 22

1шт.

19

NSS

NOT SOLD SEPARAT

CONNECTOR

1шт.

20

238-6011

O-RING,0.07" Thk x 0.301" ID, -11, Cl 6, 90 Duro

1шт.

21

237-6004

O-RING,0.072" Thk x 0.351" ID, -904, Cl 6, 90 Duro

1шт.

22

211-1008

BALL,1/4" Dia

1шт.

23

NSS

NOT SOLD SEPARAT

BUSHING, BALL GUIDE

1шт.

24

NSS

NOT SOLD SEPARAT

HOUSING

1шт.

25

NSS

NOT SOLD SEPARAT

ORIFICE

1шт.

26

NSS

NOT SOLD SEPARAT

SPRING

1шт.

27

NSS

NOT SOLD SEPARAT

PISTON

1шт.

28

NSS

NOT SOLD SEPARAT

PLUG

1шт.

29

NSS

NOT SOLD SEPARAT

BLOCK

1шт.

30

9672438

PLUG,7/16" - 20 ORB

Incl 1

1шт.

31

237-6004

O-RING,0.072" Thk x 0.351" ID, -904, Cl 6, 90 Duro

1шт.

32

413-664

BOLT,Hex, 3/8" - 16 x 4", Gr 5

4шт.

Выбрано товаров: 34