Запчасти Case IH 2577 (35.200.11) - VALVE, CONTROL - MOUNTING (35) - HYDRAULIC SYSTEMS

Схема запчастей Case IH 2577 - (35.200.11) - VALVE, CONTROL - MOUNTING (35) - HYDRAULIC SYSTEMS
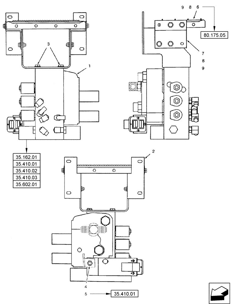
9
2
4
8
5
7
3
35.410.01
35.602.01
35.410.03
35.410.02
35.410.01
35.162.01
80.175.05
9
8
6
1
FIT
1:1
100%

Артикул

Название

Примечание

Количество

428361A1

CONTROL VALVE

Header Lift, Complete With All Fittings

1шт.

1

124565A3

VALVE, CONTROL

Header Lift, If Used

1шт.

1

124566A3

VALVE, CONTROL

Header Lift with Reel Fore and Aft, If Used

1шт.

1

124567A3

VALVE, CONTROL

Header Lift with Reel Fore and Aft and Field Tracker, If Used

1шт.

1

124567A3R

REMAN-HYD VALVE

Reman Header Lift with Reel Fore and Aft and Field Tracker, If Used

1шт.

1

124567A3C

CORE-VALVE HYD

Core Return Number

1шт.

2

123883A4

SUPPORT

1шт.

3

905-10020

BOLT,Hex Flg, M10 x 20mm

4шт.

4

127379A2

SUPPORT

Valve, Rear, Mounts to Tube Clamp Support Bolt

1шт.

5

829-1410

NUT,M10 x 1.5, Cl 10.9

1шт.

6

1531337C1

STEP

Service, At Valve Mounting Bracket, Front Grain Tank Inspection

2шт.

7

141410A1

SUPPORT

2шт.

8

409-7512

BOLT,Hex Flg, 5/16" - 18 x 3/4", Spcl

16шт.

9

231-5145

SERRATED NUT,Flg, USR, 5/16"-18

16шт.

409-7516

BOLT,Hex Flg, 5/16" - 18 x 1", Spcl

4шт.

231-5145

SERRATED NUT,Flg, USR, 5/16"-18

4шт.

100-1531

SNAP RING,#31, Ext

4шт.

Выбрано товаров: 17