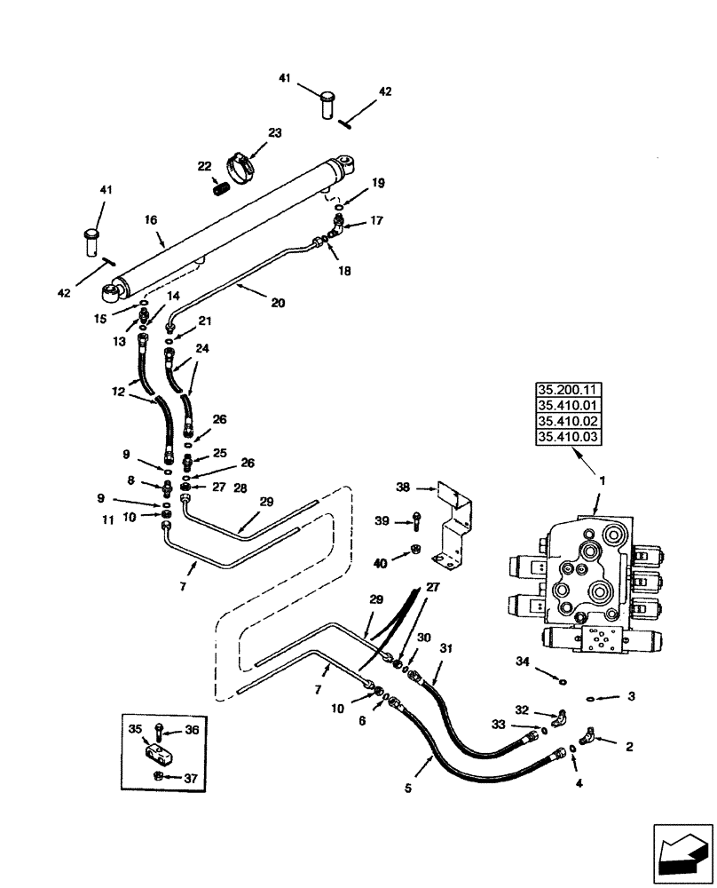
Запчасти Case IH 2577 (35.440.01) - HYDRAULICS - UNLOADER TUBE SWING CYLINDER (35) - HYDRAULIC SYSTEMS

Схема запчастей Case IH 2577 - (35.440.01) - HYDRAULICS - UNLOADER TUBE SWING CYLINDER (35) - HYDRAULIC SYSTEMS
30
13
40
35.410.02
28
18
27
26
4
14
29
41
25
9
21
37
9
33
20
41
31
6
16
10
7
24
5
19
39
29
32
35
17
11
10
1
42
23
34
15
27
42
36
38
2
3
12
26
35.410.03
35.410.01
35.200.11
7
8
22
FIT
1:1
100%

Артикул

Название

Примечание

Количество

1

124565A3

VALVE, CONTROL

Header Lift

1шт.

2

201-324

ELBOW,90 Degree, 9/16"-18 x 9/16"-18, Adj, ORFS

Incl 3, 4

1шт.

3

237-6006

O-RING,0.078" Thk x 0.468" ID, -906, Cl 6, 90 Duro

1шт.

4

238-6011

O-RING,0.07" Thk x 0.301" ID, -11, Cl 6, 90 Duro

1шт.

5

300718A1

TUBE,6.35mm ID x 590mm L

Unloader Tube Swing Out, At Valve

1шт.

6

238-6011

O-RING,0.07" Thk x 0.301" ID, -11, Cl 6, 90 Duro

1шт.

7

292406A1

TUBE,1384.5, 772.9 mm Length

Unloader Swing Out

1шт.

8

201-108

HYD CONNECTOR,9/16" - 18 Male ORFS x 9/16" - 18 Male ORFS

Incl 9

1шт.

9

238-6011

O-RING,0.07" Thk x 0.301" ID, -11, Cl 6, 90 Duro

2шт.

10

218-1254

LOCK NUT,Blkhd, 9/16"-18

2шт.

11

495-11059

WASHER,9/16"

1шт.

12

134978A2

HOSE

540 mm (21-1/4"), Unloader Tube Swing Out, At Cylinder

1шт.

13

201-100

HYD CONNECTOR,9/16" - 18 Male ORFS x 7/16" - 20 Male ORB

Incl 14, 15

1шт.

14

238-6011

O-RING,0.07" Thk x 0.301" ID, -11, Cl 6, 90 Duro

1шт.

15

237-6004

O-RING,0.072" Thk x 0.351" ID, -904, Cl 6, 90 Duro

1шт.

16

87597336

CYLINDER ASSY.,Double Acting, 25.4mm Rod, 508mm Stroke

Unloader Tube Swing

1шт.

16

87597336R

REMAN-HYD CYLINDER

2577 ASN HAJ0300001 (10/04-), Does not come with hyme joint rod end PN 87611478. Order as needed.

1шт.

16

87597336C

CORE-HYD CYLINDER

Return Number

1шт.

16a

87364304

LINK ARM ASSY KIT

Monarch Cylinder (Not Shown)

1шт.

16a

188806A1

SEAL KIT

Parker Cylinder (Not Shown)

1шт.

17

201-303

ELBOW,90 Degree Elbow, 9/16" - 18 Male ORFS x 7/16" - 20 Male ORB

Incl 18, 19

1шт.

18

238-6011

O-RING,0.07" Thk x 0.301" ID, -11, Cl 6, 90 Duro

1шт.

19

237-6004

O-RING,0.072" Thk x 0.351" ID, -904, Cl 6, 90 Duro

1шт.

20

134643A2

TUBE,430 mm Length

1шт.

21

238-6012

O-RING,0.07" Thk x 0.364" ID, -12, Cl 6, 90 Duro

1шт.

22

163489C1

STRIP

1/4" ID x 1-13/64"

1шт.

23

214-1432

HOSE CLAMP,#32, 1.56" - 2.5", Type F Worm

1шт.

24

134976A1

FLEXIBLE HOSE

510 mm (20-1/16")

1шт.

25

201-120

HYD CONNECTOR,11/16"-16, Blkhd, ORFS

Incl 26

1шт.

26

238-6012

O-RING,0.07" Thk x 0.364" ID, -12, Cl 6, 90 Duro

2шт.

27

201-909

BHD LOCK NUT,Blkhd, 11/16"-16

2шт.

28

495-81033

WASHER,18.26mm ID x 38.1mm OD x 3.4mm Thk

1шт.

29

292405A1

TUBE,1432.8, 693.6 mm Length

Unloader Swing In

1шт.

30

238-6012

O-RING,0.07" Thk x 0.364" ID, -12, Cl 6, 90 Duro

1шт.

31

293482A1

FLEXIBLE HOSE

Unloader Tube Swing In, At Valve

1шт.

32

201-304

ELBOW,90 Degree Elbow, 11/16" - 16 Male ORFS x 9/16" - 18 Male ORB

Incl 33, 34

1шт.

33

238-6012

O-RING,0.07" Thk x 0.364" ID, -12, Cl 6, 90 Duro

1шт.

34

237-6006

O-RING,0.078" Thk x 0.468" ID, -906, Cl 6, 90 Duro

1шт.

35

183824C1

CLAMP

2шт.

36

409-7416

BOLT,Hex Flg, 1/4" - 20 x 1", Spcl

2шт.

37

231-5144

SERRATED NUT,Flg, USR, 1/4"-20

2шт.

38

292407A2

SUPPORT

Unloader Tubes

1шт.

39

409-7416

BOLT,Hex Flg, 1/4" - 20 x 1", Spcl

2шт.

40

231-5144

SERRATED NUT,Flg, USR, 1/4"-20

2шт.

41

427-10225

CLEVIS PIN,5/8" x 1 1/4"

2шт.

42

432-816

COTTER PIN,1/8" x 1"

2шт.

Выбрано товаров: 46