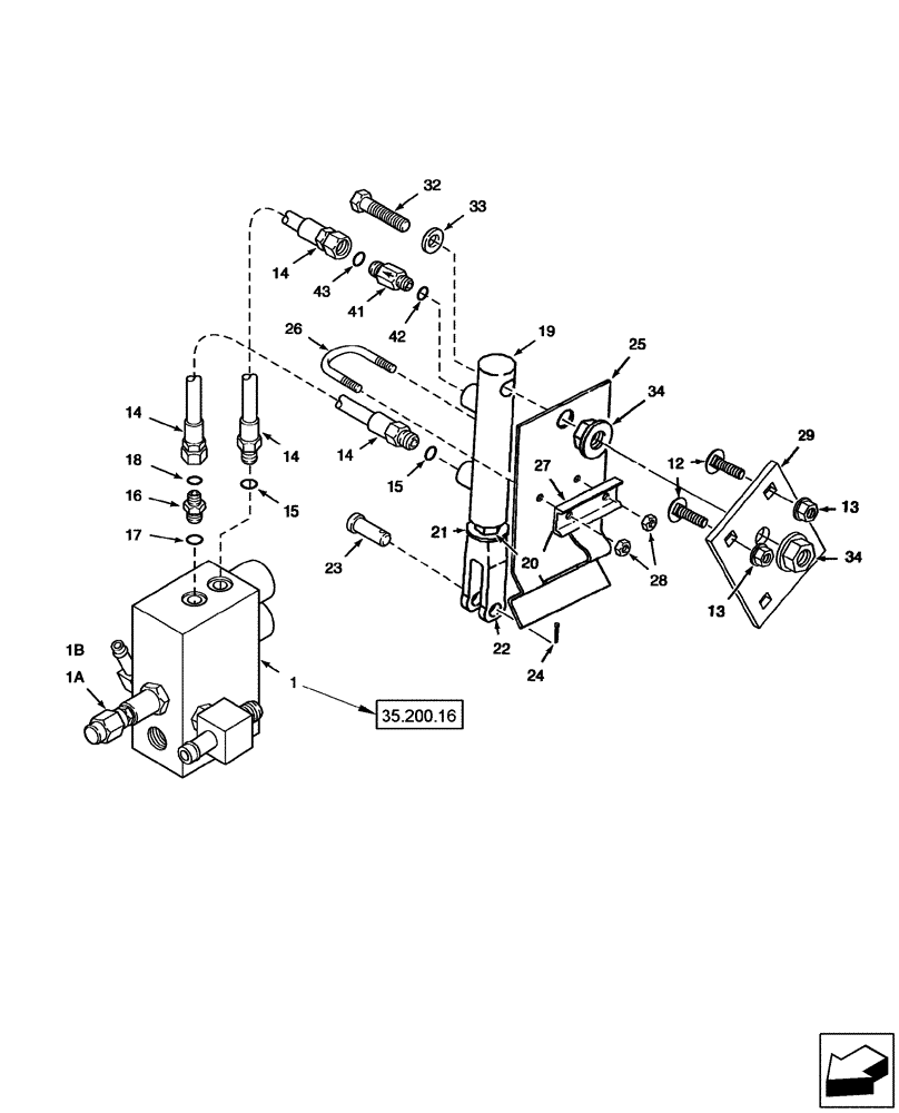
Запчасти Case IH 2577 (35.440.05) - HYDRAULICS - UNLOADER CLUTCH (35) - HYDRAULIC SYSTEMS

Схема запчастей Case IH 2577 - (35.440.05) - HYDRAULICS - UNLOADER CLUTCH (35) - HYDRAULIC SYSTEMS
1a
16
13
27
33
14
29
24
20
28
35.200.16
23
1b
19
14
12
18
41
22
1
21
32
25
15
26
34
14
34
42
43
13
15
17
14
FIT
1:1
100%

Артикул

Название

Примечание

Количество

1

384307A1

SOLENOID VALVE

Pressure Regulator, Incl 1A, 1B

1шт.

1a

377593A1

VALVE PRESSURE RELIE

Regulator, Incl 1B

1шт.

1b

190709A1

SEAL KIT

Valve Cartridge (Not Shown)

1шт.

12

434-612

CARRIAGE BOLT,Sht Sq Nk, 3/8" - 16 x 3/4", Gr 5

4шт.

13

231-5146

FLANGE NUT,3/8"-16

4шт.

14

128068A2

FLEXIBLE HOSE

760 mm (30"), Incl 15, At Unloader Clutch Cylinder

2шт.

15

237-6006

O-RING,0.078" Thk x 0.468" ID, -906, Cl 6, 90 Duro

1шт.

16

201-101

HYD CONNECTOR,11/16" - 16 Male ORFS x 9/16" - 18 Male ORB

Incl 17, 18

1шт.

17

237-6006

O-RING,0.078" Thk x 0.468" ID, -906, Cl 6, 90 Duro

1шт.

18

238-6012

O-RING,0.07" Thk x 0.364" ID, -12, Cl 6, 90 Duro

1шт.

19

87337243

CYLINDER,Double Acting, 12.7mm Rod, 69.85mm Stroke

Unloader Clutch

1шт.

20

425-118

NUT,1/2"-20, G5

1шт.

21

189153A1

WASHER

1шт.

22

213-128

ADJUSTABLE CLEVIS,1/2"-20 x 3"

1шт.

23

427-8136

CLEVIS PIN,1/2" x 1.360"

1шт.

24

432-820

COTTER PIN,1/8" x 1 1/4"

1шт.

25

175611A2

HOLDER

1шт.

26

188528A1

U-BOLT,1/4" - 20 x 34.80mm W x 44mm L, Gr 5

BOLT "U"

1шт.

27

176023A2

SUPPORT

1шт.

28

425-104

NUT,1/4"-20, Cl 5

2шт.

29

112942A2

PLATE

1шт.

32

413-1048

BOLT,Hex, 5/8" - 11 x 3", Gr 5

1шт.

33

495-11066

WASHER,5/8", SAE

1шт.

34

231-51410

FLANGE NUT,Flg, USR, 5/8"-11

2шт.

41

327679A1

CHECK VALVE

Inline, Incl 42, 43, To Slow Unloader Engagement

1шт.

42

237-6006

O-RING,0.078" Thk x 0.468" ID, -906, Cl 6, 90 Duro

1шт.

43

238-6012

O-RING,0.07" Thk x 0.364" ID, -12, Cl 6, 90 Duro

1шт.

Выбрано товаров: 27