Запчасти Case IH 2577 (35.760.01) - HYDRAULICS - FEEDER REVERSER (35) - HYDRAULIC SYSTEMS

Схема запчастей Case IH 2577 - (35.760.01) - HYDRAULICS - FEEDER REVERSER (35) - HYDRAULIC SYSTEMS
17
60.165.01
35.410.06
35.410.06
20
11
24
14
16
8
26
10
22
21
4
25
5
19
13
15
16
6
17
1
15
13
7
3
14
12
9
18
23
2
FIT
1:1
100%

Артикул

Название

Примечание

Количество

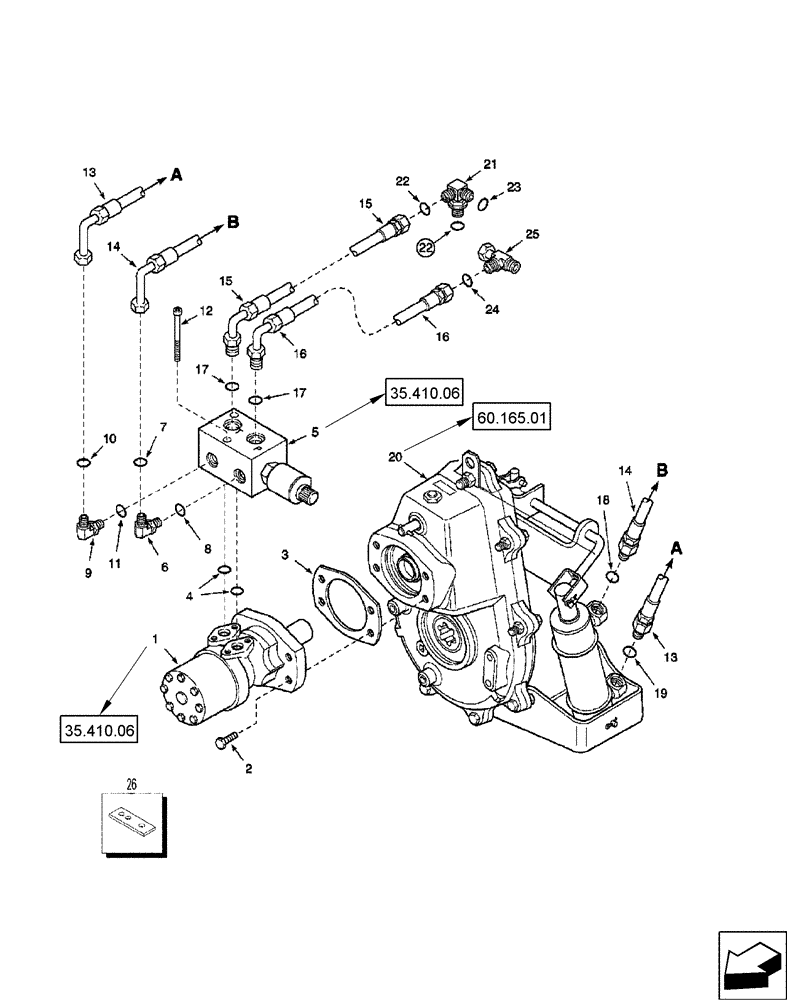
1

393903A1

MOTOR, HYDRAULIC,397CC

1шт.

2

87302570

12 PT SCREW,1/2" - 13 x 1 1/4"

4шт.

3

400998A1

GASKET,0.79mm Thk

1шт.

4

277634

O-RING,0.103" Thk x 0.799" ID, -117, Cl 6, 90 Duro

2шт.

5

393904A1

VALVE

Feeder Reverser Motor

1шт.

6

201-304

ELBOW,90 Degree Elbow, 11/16" - 16 Male ORFS x 9/16" - 18 Male ORB

Incl 7, 8

1шт.

7

238-6012

O-RING,0.07" Thk x 0.364" ID, -12, Cl 6, 90 Duro

1шт.

8

238-6006

O-RING,0.07" Thk x 0.114" ID, -6, Cl 6, 90 Duro

1шт.

9

201-332

ELBOW,90 Degree Elbow, 13/16" - 16 Male ORFS x 9/16" - 18 Male ORB

Incl 10, 11

1шт.

10

238-6014

O-RING,0.07" Thk x 0.489" ID, -14, Cl 6, 90 Duro

1шт.

11

237-6006

O-RING,0.078" Thk x 0.468" ID, -906, Cl 6, 90 Duro

1шт.

12

865-8085

HEX SOC SCREW,M8 x 85mm, Cl 8.8

2шт.

13

391969A1

FLEXIBLE HOSE,10mm ID x 750mm L

750 mm (29-1/2"), Extend

1шт.

14

391970A1

FLEXIBLE HOSE,10mm ID x 610mm L

610 mm (24"), Retract

1шт.

15

395853A2

FLEXIBLE HOSE

520 mm (20-1/2"), Return

1шт.

16

430394A1

FLEXIBLE HOSE

3050 mm (120"), Supply

1шт.

17

237-6010

O-RING,0.097" Thk x 0.755" ID, -910, Cl 6, 90 Duro

2шт.

18

237-6006

O-RING,0.078" Thk x 0.468" ID, -906, Cl 6, 90 Duro

1шт.

19

237-6006

O-RING,0.078" Thk x 0.468" ID, -906, Cl 6, 90 Duro

1шт.

20

401134A2

GEARBOX

1шт.

21

395408A1

TEE

Incl 22, 23

1шт.

22

237-6010

O-RING,0.097" Thk x 0.755" ID, -910, Cl 6, 90 Duro

1шт.

23

238-6016

O-RING,0.07" Thk x 0.614" ID, -16, Cl 6, 90 Duro

2шт.

24

238-6016

O-RING,0.07" Thk x 0.614" ID, -16, Cl 6, 90 Duro

1шт.

25

201-433

TEE,1"-14 ORFS x 1"-14 Sw Run

1шт.

26

427273A1

SUPPORT

Bracket, Clamp

1шт.

27

409-7616

BOLT,Hex Flg, 3/8" - 16 x 1", Spcl

(Not Shown)

1шт.

28

231-5146

FLANGE NUT,3/8"-16

(Not Shown)

1шт.

Выбрано товаров: 28