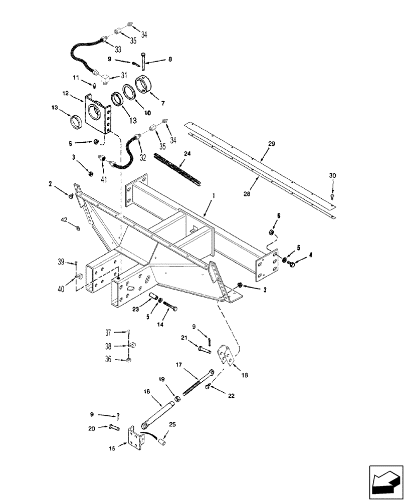
Запчасти Case IH 2577 (44.153.01) - AXLE, STEERING - SUPPORT - ADJUSTABLE AXLE (44) - WHEELS

Схема запчастей Case IH 2577 - (44.153.01) - AXLE, STEERING - SUPPORT - ADJUSTABLE AXLE (44) - WHEELS
24
31
7
29
5
41
14
35
37
6
18
13
17
25
35
6
19
40
23
3
21
5
13
36
20
30
16
10
9
4
9
38
9
3
22
1
11
8
32
34
2
15
39
34
33
42
28
12
FIT
1:1
100%

Артикул

Название

Примечание

Количество

1

87590281

SUPPORT

1шт.

2

426-816

BOLT,Hex, 1/2" - 13 x 1", Gr 8

12шт.

3

87301492

SERRATED NUT,Flg, USR, 1/2"-13, G8

, Serial Range: -HAJ303001

12шт.

3

232-41110

NUT,5/8"-11, GC

, Start Serial: HAJ303001

6шт.

4

426-1224

BOLT,Hex, 3/4" - 10 x 1-1/2", Gr 8

4шт.

5

496-21081

WASHER,13/16" x 1 1/2" x .179", HDN

1шт.

5

496-21053

WASHER,17/32" x 1 1/16" x .134"

12шт.

6

87301494

FLANGE NUT,Flg, USR, 3/4"-10, G8

1шт.

7

182795C1

BUSHING,101.68mm ID x 127mm OD x 44.7mm L

1шт.

8

439-11288

HEADED PIN,19.05mm OD x 139.7mm L

1шт.

9

432-1620

COTTER PIN,1/4" x 1 1/4"

1шт.

10

168385C2

WASHER,102.6mm ID x 127mm OD x 3.3mm Thk

2шт.

11

219-87

LUBE NIPPLE,1/4" - 28 NPTF

2шт.

11

219-93

LUBE NIPPLE,90 Degree Elbow, 1/4" - 28 NPTF

1шт.

12

182792C97

SUPPORT

Front, Incl 13

1шт.

13

182794C1

BUSHING,101.77mm ID x mm OD x 19.1mm L

2шт.

14

84450

BOLT,Hex, 3/4" x 4 1/2", Gr 8

8шт.

14

426-1288

BOLT,Hex, 3/4" - 10 x 5-1/2", Gr 8

2шт.

14

426-1296

BOLT,Hex, 3/4" - 10 x 6", Gr 8

2шт.

15

254425A1

SUPPORT

Rear

2шт.

16

181444C1

TIE-ROD,1" - 8

2шт.

17

181442C3

EYEBOLT,1" - 8 x 381mm

BOLT, EYE

2шт.

18

1541603C1

SUPPORT

, Serial Range: -HAJ303001

2шт.

18

87590286

BRACKET

, Start Serial: HAJ303001

2шт.

19

425-1016

NUT,1"-8, G5

Front

2шт.

20

439-11488

HEADED PIN,22.23mm OD x 139.7mm L

2шт.

21

439-11456

HEADED PIN,22.23mm OD x 88.9mm L

4шт.

22

426-824

BOLT,Hex, 1/2" - 13 x 1-1/2", Gr 8

6шт.

With Power Guide Axle

1шт.

22

426-832

BOLT,Hex, 1/2" - 13 x 2", Gr 8

, Serial Range: -HAJ303001

6шт.

22

426-1028

BOLT,Hex, 5/8" - 11 x 1-3/4", Gr 8

, Start Serial: HAJ303001

6шт.

23

177748C1

SPACER

13/16" x 1-1/4" x 2-13/16"

1шт.

24

120895A1

GROMMET

1шт.

25

254598A1

SPACER

2шт.

26

76349

PLUG,9/16" - 18 ORB

Incl 27 (Not Shown)

1шт.

Without Power Guide Axle

1шт.

27

237-6006

O-RING,0.078" Thk x 0.468" ID, -906, Cl 6, 90 Duro

(Not Shown)

1шт.

28

316709A1

SEALING STRIP

Shoe Seal

1шт.

29

316711A1

SEAL,65mm W x 1560mm L

Rubber, Shoe

1шт.

30

138558A1

SELF-TAP SCREW,Hex Flg, 5/16" - 18 x 13/16", HDN

5/16" x 13/16"

8шт.

31

219-439

ADAPTER,90 Degree, 1/4"-1/8 NPTF

1шт.

32

431724A1

FLEXIBLE HOSE

1317 mm (52")

1шт.

33

428293A1

FLEXIBLE HOSE

1091 mm (43")

1шт.

34

219-8

LUBE NIPPLE,1/4" - 28 NPTF

2шт.

35

F53473

LOCK NUT,1/8-27 NPSM

1/8"

2шт.

36

231-5145

SERRATED NUT,Flg, USR, 5/16"-18

1шт.

37

409-7512

BOLT,Hex Flg, 5/16" - 18 x 3/4", Spcl

1шт.

38

515-23254

CLAMP,1", Insul, 3/8" Bolt

1шт.

38

515-23317

CLAMP,31.75mm ID, 10.3mm Bolt Hole, P Type

1шт.

39

276-14912

SELF-TAP SCREW,Hex Hd, 3/8" x 3/4"

1шт.

40

515-23317

CLAMP,31.75mm ID, 10.3mm Bolt Hole, P Type

1шт.

41

219-418

ADAPTER,1/4"-1/8 NPTF

1шт.

42

496-41066

WASHER,5/8" ID x 1-1/2" OD x 3/16" Thk

, Start Serial: HAJ303001

2шт.

Выбрано товаров: 53