Запчасти Case IH 2577 (44.200.08) - HYDRAULICS - WHEEL MOTOR FLUSH - POWER GUIDE AXLE (44) - WHEELS

Схема запчастей Case IH 2577 - (44.200.08) - HYDRAULICS - WHEEL MOTOR FLUSH - POWER GUIDE AXLE (44) - WHEELS
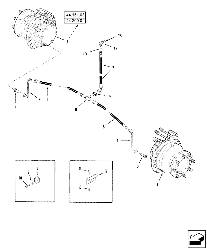
1
4
12
19
6
7
3
3
8
11
17
16
4
44.151.03
44.200.04
18
1
5
9
13
5
10
FIT
1:1
100%

Артикул

Название

Примечание

Количество

1

87300716

MOTOR, HYDRAULIC

Wheel Drive, Incl 3

2шт.

87300716R

REMAN-HYDROSTAT MOTO

2577 - AXIAL-FLOW COMBINE ASN HAJ0300001 - 10/06,

2шт.

87300716C

CORE-HYDROSTAT MOTOR

Return Number

1шт.

3

121434A1

ADAPTER

English Thread, Flush Port

2шт.

4

1346971C1

TUBE

Motor Flush

2шт.

5

1346969C1

HYDRAULIC HOSE,9.52 mm ID x 1803.40 mm

Motor Flush

2шт.

6

218-805

TEE,3/4"-16, 37 Degree, Blkhd

1шт.

7

129187A1

FLEXIBLE HOSE

3450 mm (135-7/8")

1шт.

8

1347182C1

CLAMP

2шт.

9

495-11053

WASHER,1/2", SAE

2шт.

10

614-12040

BOLT,Hex, M12 x 1.75 x 40mm, Cl 8.8, Full Thd

2шт.

11

426-616

BOLT,Hex, 3/8" - 16 x 1", Gr 8

6шт.

12

1347068C1

SUPPORT

1шт.

13

232-4116

NUT,3/8"-16, GC

6шт.

16

218-1255

BHD LOCK NUT,Blkhd, 3/4"-16

1шт.

17

135485A1

ELBOW

Incl 18, 19

1шт.

18

237-6004

O-RING,0.072" Thk x 0.351" ID, -904, Cl 6, 90 Duro

1шт.

19

238-6012

O-RING,0.07" Thk x 0.364" ID, -12, Cl 6, 90 Duro

1шт.

Выбрано товаров: 18