Запчасти Case IH 2588 (21.140.01) - TRANSMISSION ASSY - INPUT SHAFT, GEARS AND SHIFTER RAILS (21) - TRANSMISSION

Схема запчастей Case IH 2588 - (21.140.01) - TRANSMISSION ASSY - INPUT SHAFT, GEARS AND SHIFTER RAILS (21) - TRANSMISSION
4
10
9
22
20
18
12
13
28
28
10
15
6
31
19
23
17
9
27
30
11
2
1
26
21
14
29
21.184.01
32
16
11
5
21.130.04
24
12
7
3
8
29
25
FIT
1:1
100%

Артикул

Название

Примечание

Количество

87393461

TRANSMISSION

37/35 Change Gears, Incl Refs 1 - 32

1шт.

Corn and Grain Combine

1шт.

87393461R

REMAN-TRANSMISSION

37/35 Change Gears, Corn and Grain Combine

1шт.

87393461C

CORE-TRANSMISSION

Return number

1шт.

87393465

TRANSMISSION

34/38 Change Gears, Incl Refs 1 - 32

1шт.

Rice Combine

1шт.

87393465R

REMAN-TRANSMISSION

34/38 Change Gears, Rice Combine

1шт.

87393465C

CORE-TRANSMISSION

Return number

1шт.

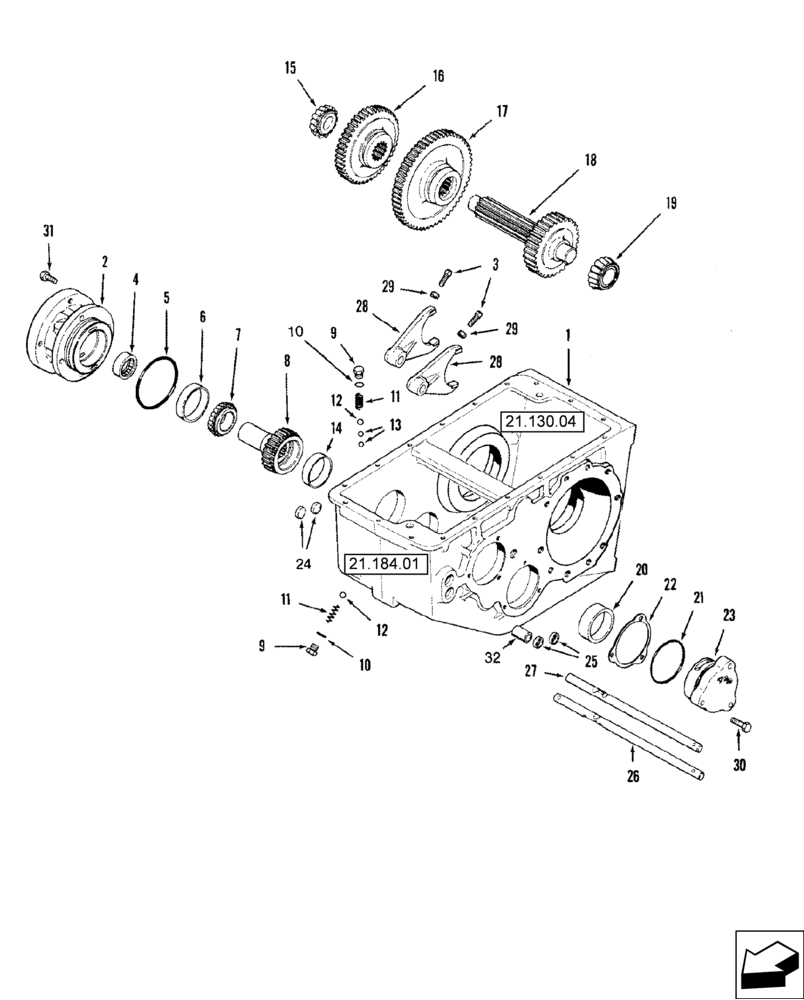
1

236715A1

HOUSING

1шт.

2

1997934C1

HOUSING

Input Shaft

1шт.

3

1997657C1

SET SCREW

2шт.

4

359950R91

NEEDLE BEARING

1-3/4" ID

1шт.

5

238-5348

O-RING,0.21" Thk x 4.35" ID, -348, Cl 5, 75 Duro

1шт.

6

130503H

BEARING CUP

3-17/64" OD

1шт.

7

300426R91

BEARING ASSY,45.618 mm ID x 25.4 mm

1-25/32" ID

1шт.

8

184217C1

GEAR

Input Pinion, 26T

1шт.

9

76349

PLUG,9/16" - 18 ORB

Incl Ref 10

2шт.

10

237-6006

O-RING,0.078" Thk x 0.468" ID, -906, Cl 6, 90 Duro

1шт.

11

64600C1

SPRING

, Serial Range: -HAJ303001

2шт.

11

87670320

SPRING

, Start Serial: HAJ303001

2шт.

12

211-1016

BALL,12.7mm OD, Gr 24

GR .24, CRS

2шт.

13

211-1014

BALL,7/16" Dia

24, CRS

2шт.

14

51200379

BEARING CUP,69.9mm OD x 18.95mm W

2-3/4" OD

1шт.

15

50212VA

ROLLER BEARING,33.35mm ID x 24.01mm W

1-5/16" ID

1шт.

16

87305299

GEAR

26T, 46T, Second and Third Sliding

1шт.

17

401889R1

GEAR

58T, First Sliding

1шт.

18

1997650C1

SHAFT

37T, Drive Gear

1шт.

Corn and Grain Combine

1шт.

18

1349044C1

SHAFT

34T, Drive Gear

1шт.

Rice Combine

1шт.

19

290099C91

TAPERED BEARING,39.69mm ID x 22.1mm W

1-9/16" ID

1шт.

20

290100C1

BEARING CUP,73.05mm OD x 17.78mm W

2-7/8" OD

1шт.

21

238-7154

O-RING,0.103" Thk x 3.737" ID, -154, Cl 7, 75 Duro

1шт.

22

401883R2

SHIM,102mm ID x 126mm OD x 0.08mm Thk

(0.003")

1шт.

22

401884R2

SHIM,102mm ID x 110mm OD x 0.13mm Thk

(0.005")

1шт.

22

401885R2

SHIM,102mm ID x 110mm OD x 0.18mm Thk

(0.007")

1шт.

22

184195C2

SHIM,102mm ID x 110mm OD x 0.76mm Thk

(0.030")

1шт.

23

1997998C1

BEARING COVER,72.99 mm ID x 101.51 mm OD x 37.8 mm

1шт.

24

41-1012

PLUG,Cup, 3/4"

2шт.

25

1997906C1

OIL SEAL,19.05mm ID x 31.85mm OD x 6.35mm Thk

2шт.

26

87574759

SHIFT RAIL

Second and Third Gear Shifter

1шт.

27

1342443C3

SHIFT RAIL

First Gear Shifter

1шт.

28

1997656C1

SHIFTER FORK

2шт.

29

829-1310

NUT,M10, Cl 10

2шт.

30

628-10035

BOLT,Hex, M10 x 1.5 x 35mm, Cl 10.9, Full Thd

3шт.

Use 345-181 Loctite No 516, 1 ml

1шт.

31

613-10025

BOLT,Hex, M10 x 1.5 x 25mm, Cl 8.8, Full Thd

4шт.

Use Loctite No. 596, 1 ml

1шт.

32

189168A1

SPACER

Shift Rail

1шт.

Выбрано товаров: 49