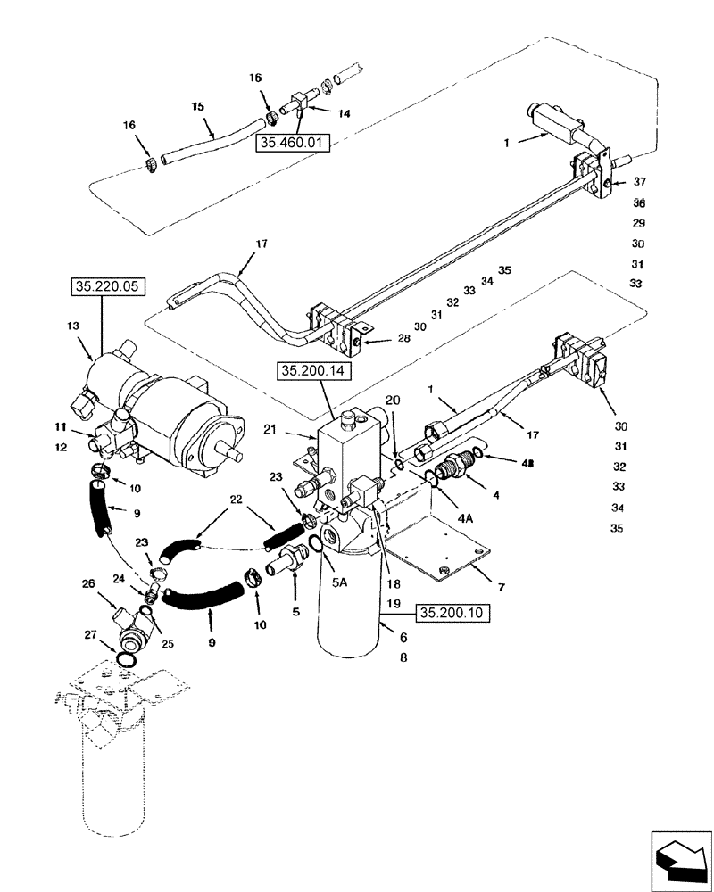
Запчасти Case IH 2588 (35.220.02) - HYDRAULICS - AUXILIARY PUMP RETURN (35) - HYDRAULIC SYSTEMS

Схема запчастей Case IH 2588 - (35.220.02) - HYDRAULICS - AUXILIARY PUMP RETURN (35) - HYDRAULIC SYSTEMS
21
31
34
14
10
23
1
16
23
27
22
17
30
36
28
30
7
4
31
20
9
25
24
35
5a
12
33
9
4b
11
31
35.200.14
35.220.05
35.460.01
35.200.10
17
33
4a
13
35
30
32
33
5
10
18
15
1
26
37
16
8
19
6
29
32
34
FIT
1:1
100%

Артикул

Название

Примечание

Количество

1

124380A1

TUBE

Manifold, Return

1шт.

4

201-122

HYD CONNECTOR,1 7/16"-12 ORFS x 1 5/8"-12 ORB

Incl Refs 4A, 4B

1шт.

4a

237-6020

O-RING,0.118" Thk x 1.475" ID, -920, Cl 6, 90 Duro

1шт.

4b

238-6021

O-RING,15/16 X 1 - 1/16, Cl 6

1шт.

5

217-173

FITTING,1" Hose Barb x 1-5/8" - 12 Male ORB

Incl Ref 5A

1шт.

5a

237-6020

O-RING,0.118" Thk x 1.475" ID, -920, Cl 6, 90 Duro

1шт.

6

87784C92

HYDRAULIC OIL FILTER

Return

1шт.

7

124803A2

SUPPORT

1шт.

8

409-768

BOLT,Hex Flg, 3/8" - 16 x 1/2", Spcl

3шт.

9

1541692C1

FLEXIBLE HOSE

640 mm (25-1/4"), Cut Vrom P/N 1541952C1

1шт.

10

214-3228

HOSE CLAMP,1" - 1-7/8", HD Worm, W/ Liner

2шт.

11

182813A1

TEE

1-1/4" x 1" x 1", Incl Ref 12

1шт.

12

237-6020

O-RING,0.118" Thk x 1.475" ID, -920, Cl 6, 90 Duro

1шт.

13

NSS

NOT SOLD SEPARAT

PUMP, Hydraulic, Auxiliary

1шт.

14

177975A1

TEE

5/8" x 3/8" x 5/8", For Attaching Parts

1шт.

15

128104A2

HYDRAULIC HOSE,15.88 mm ID x 250.00 mm

Cut from S118576X

1шт.

16

214-1410

HOSE CLAMP,#10, 0.56" - 1.06", Type F Worm

2шт.

17

141659A1

TUBE,0.625 mm OD, 2205, 118 mm Length

Return, Low Pressure

1шт.

18

141657A1

TEE

Incl Refs 19, 20, Return Tube at Regulator Valve

1шт.

19

237-6008

O-RING,0.087" Thk x 0.644" ID, -908, Cl 6, 90 Duro

1шт.

20

238-6016

O-RING,0.07" Thk x 0.614" ID, -16, Cl 6, 90 Duro

1шт.

21

384307A1

SOLENOID VALVE

Pressure Regulator

1шт.

22

87408006

HOSE

685 mm (27"), Return, Cut From P/N S118576X

1шт.

23

214-1410

HOSE CLAMP,#10, 0.56" - 1.06", Type F Worm

2шт.

24

217-175

FITTING,5/8" Hose Barb x 7/8" - 14 Male ORB

Incl 25

1шт.

25

237-6010

O-RING,0.097" Thk x 0.755" ID, -910, Cl 6, 90 Duro

1шт.

26

370228A1

FITTING,1 5/8"-12 ORB x 7/8"-14 x M31.75 Bead x 7/8"-14

Suction, Charge Pump Filter, Incl Ref 27

1шт.

27

237-6020

O-RING,0.118" Thk x 1.475" ID, -920, Cl 6, 90 Duro

1шт.

28

135355A1

SUPPORT TUBE,79, 40 mm Length

Center

1шт.

29

122950A1

SUPPORT

Front

1шт.

30

118577A1

CLAMP

3шт.

Matched Set For 1 and 1/2" Diameter Tubes

1шт.

31

124668A1

CLAMP

3шт.

Matched Set For 3/4 and 5/8" Diameter Tubes

1шт.

32

255212A1

CLAMP

2шт.

Matched Set For 3/4 and 5/8" Diameter Tubes

1шт.

33

1347127C1

PLATE

4шт.

34

413-588

BOLT,Hex, 5/16" - 18 x 5-1/2", Gr 5

2шт.

35

231-5315

FLANGE NUT,Flg, 5/16"-18

2шт.

36

413-564

BOLT,Hex, 5/16" - 18 x 4", Gr 5

1шт.

37

231-5315

FLANGE NUT,Flg, 5/16"-18

1шт.

Выбрано товаров: 0