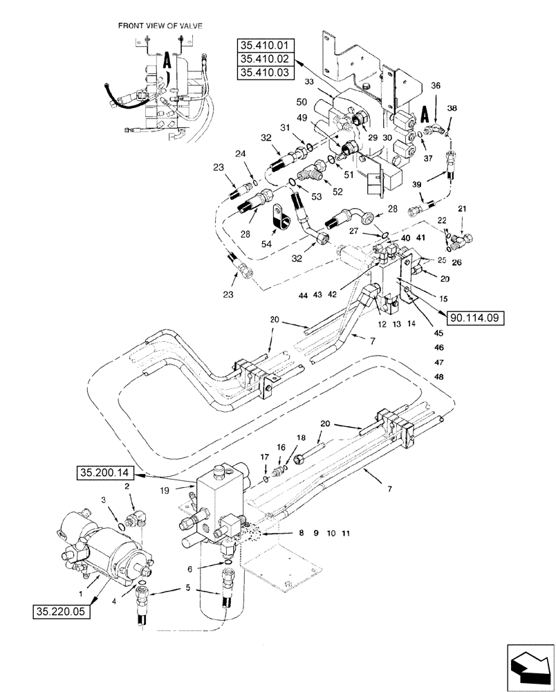
Запчасти Case IH 2588 (35.602.01) - HYDRAULICS - HEADER LIFT VALVE SUPPLY (35) - HYDRAULIC SYSTEMS

Схема запчастей Case IH 2588 - (35.602.01) - HYDRAULICS - HEADER LIFT VALVE SUPPLY (35) - HYDRAULIC SYSTEMS
5
33
13
20
28
19
43
30
6
54
24
3
25
40
17
21
22
53
10
16
27
45
18
23
9
28
48
90.114.09
35.220.05
35.410.03
35.410.02
35.410.01
35.200.14
4
14
15
44
20
8
32
52
39
32
26
20
49
11
36
46
42
2
29
7
51
38
7
47
37
50
23
12
41
31
1
FIT
1:1
100%

Артикул

Название

Примечание

Количество

1

NSS

NOT SOLD SEPARAT

PUMP, HYDRAULIC, Auxiliary

1шт.

Order Component Parts

1шт.

2

201-307

ELBOW,90 Degree Elbow, 1-3/16" - 12 Male ORFS x 1-1/16" - 12 Male ORB

Incl Refs 3, 4

1шт.

3

237-6012

O-RING,0.116" Thk x 0.924" ID, -912, Cl 6, 90 Duro

1шт.

4

238-6018

O-RING,0.07" Thk x 0.739" ID, -18, Cl 6, 90 Duro

1шт.

5

87338783

FLEXIBLE HOSE,16mm ID x 840mm L

840 mm (33-1/8"), Header Lift Supply

1шт.

6

238-6018

O-RING,0.07" Thk x 0.739" ID, -18, Cl 6, 90 Duro

1шт.

7

124375A2

TUBE

Header Lift Supply

1шт.

8

1541538C1

CLAMP

Two Piece, 3/4" OD Tube

1шт.

9

1541537C1

PLATE

1шт.

10

413-432

BOLT,Hex, 1/4" - 20 x 2", Gr 5

2шт.

11

231-5344

FLANGE NUT,Flg, 1/4"-20

2шт.

12

201-352

ELBOW,45 Degree Elbow, 1-3/16" - 12 Male ORFS x 7/8" - 14 Male ORB

Incl Refs 13, 14

1шт.

13

237-6010

O-RING,0.097" Thk x 0.755" ID, -910, Cl 6, 90 Duro

1шт.

14

238-6018

O-RING,0.07" Thk x 0.739" ID, -18, Cl 6, 90 Duro

1шт.

15

114851A2

VALVE

Steering

1шт.

16

201-126

HYD CONNECTOR,13/16"-16 ORFS x 9/16"-20 ORB

Incl Refs 17, 18

1шт.

17

237-6006

O-RING,0.078" Thk x 0.468" ID, -906, Cl 6, 90 Duro

1шт.

18

238-6014

O-RING,0.07" Thk x 0.489" ID, -14, Cl 6, 90 Duro

1шт.

19

384307A1

SOLENOID VALVE

Pressure Regulator

1шт.

20

126870A1

TUBE

Supply, From Pressure Regulator

1шт.

21

201-416

TEE,13/16"-16 ORFS x 13/16"-16 Sw Run

Incl Ref 22

1шт.

22

238-6014

O-RING,0.07" Thk x 0.489" ID, -14, Cl 6, 90 Duro

2шт.

23

128101A1

FLEXIBLE HOSE

690 mm (27-1/4"), Incl Ref 24, Header Lift Valve Regulator Supply

1шт.

24

237-6006

O-RING,0.078" Thk x 0.468" ID, -906, Cl 6, 90 Duro

1шт.

25

201-306

90 ELBOW,90 Degree Elbow, 1" - 14 Male ORFS x 7/8" - 14 Male ORB

Incl Refs 26, 27

1шт.

26

237-6010

O-RING,0.097" Thk x 0.755" ID, -910, Cl 6, 90 Duro

1шт.

27

238-6016

O-RING,0.07" Thk x 0.614" ID, -16, Cl 6, 90 Duro

1шт.

28

400633A1

FLEXIBLE HOSE,16mm ID x 735mm L

735 mm (28-15/16"), Header Lift Valve Supply

1шт.

29

201-104

HYD CONNECTOR,1-3/16" - 12 Male ORFS x 1-1/16" - 12 Male ORB

Incl Refs 30, 31

1-2шт.

30

237-6012

O-RING,0.116" Thk x 0.924" ID, -912, Cl 6, 90 Duro

1шт.

31

238-6018

O-RING,0.07" Thk x 0.739" ID, -18, Cl 6, 90 Duro

1шт.

32

128097A1

HOSE,19.05mm ID x 710mm L

710 mm (28"), Header Lift Valve Return

1шт.

33

124565A3

VALVE, CONTROL

Header Lift

1шт.

33

124566A3

VALVE, CONTROL

Header Lift With Reel Fore and Aft

1шт.

33

124567A3

VALVE, CONTROL

Header Lift With Reel Fore and Aft and Field Tracker

1шт.

33

124567A3R

REMAN-HYD VALVE

Reman Header Lift With Reel Fore and Aft and Field Tracker

1шт.

33

124567A3C

CORE-VALVE HYD

Core Return Number

1шт.

36

201-324

ELBOW,90 Degree, 9/16"-18 x 9/16"-18, Adj, ORFS

Incl Refs 37, 38

1шт.

37

237-6006

O-RING,0.078" Thk x 0.468" ID, -906, Cl 6, 90 Duro

1шт.

38

238-6011

O-RING,0.07" Thk x 0.301" ID, -11, Cl 6, 90 Duro

1шт.

39

127997A1

FLEXIBLE HOSE

640 mm (25-1/4"), Pump Signal To Header Lift Valve

1шт.

40

201-434

TEE,11/16"-18 ORFS x 11/16"-18 Sw Br

Incl Ref 41

1шт.

41

238-6012

O-RING,0.07" Thk x 0.364" ID, -12, Cl 6, 90 Duro

2шт.

42

128328A1

FITTING

With Orifice Check Valve, Incl Refs 43, 44

1шт.

43

237-6008

O-RING,0.087" Thk x 0.644" ID, -908, Cl 6, 90 Duro

1шт.

44

238-6012

O-RING,0.07" Thk x 0.364" ID, -12, Cl 6, 90 Duro

1шт.

45

124576A1

SUPPORT

1шт.

46

413-540

BOLT,Hex, 5/16" - 18 x 2-1/2", Gr 5

2шт.

47

495-11034

WASHER,5/16", SAE

1шт.

48

231-5315

FLANGE NUT,Flg, 5/16"-18

2шт.

49

201-131

HYD CONNECTOR,1"-12 ORFS x 9/16"-18 ORB

Incl Refs 50, 51

1шт.

50

237-6012

O-RING,0.116" Thk x 0.924" ID, -912, Cl 6, 90 Duro

1шт.

51

238-6016

O-RING,0.07" Thk x 0.614" ID, -16, Cl 6, 90 Duro

1шт.

52

201-433

TEE,1"-14 ORFS x 1"-14 Sw Run

1шт.

53

238-6016

O-RING,0.07" Thk x 0.614" ID, -16, Cl 6, 90 Duro

2шт.

54

515-23254

CLAMP,1", Insul, 3/8" Bolt

Used With Ref 32

1шт.

55

409-7512

BOLT,Hex Flg, 5/16" - 18 x 3/4", Spcl

1шт.

56

231-5145

SERRATED NUT,Flg, USR, 5/16"-18

1шт.

Выбрано товаров: 0