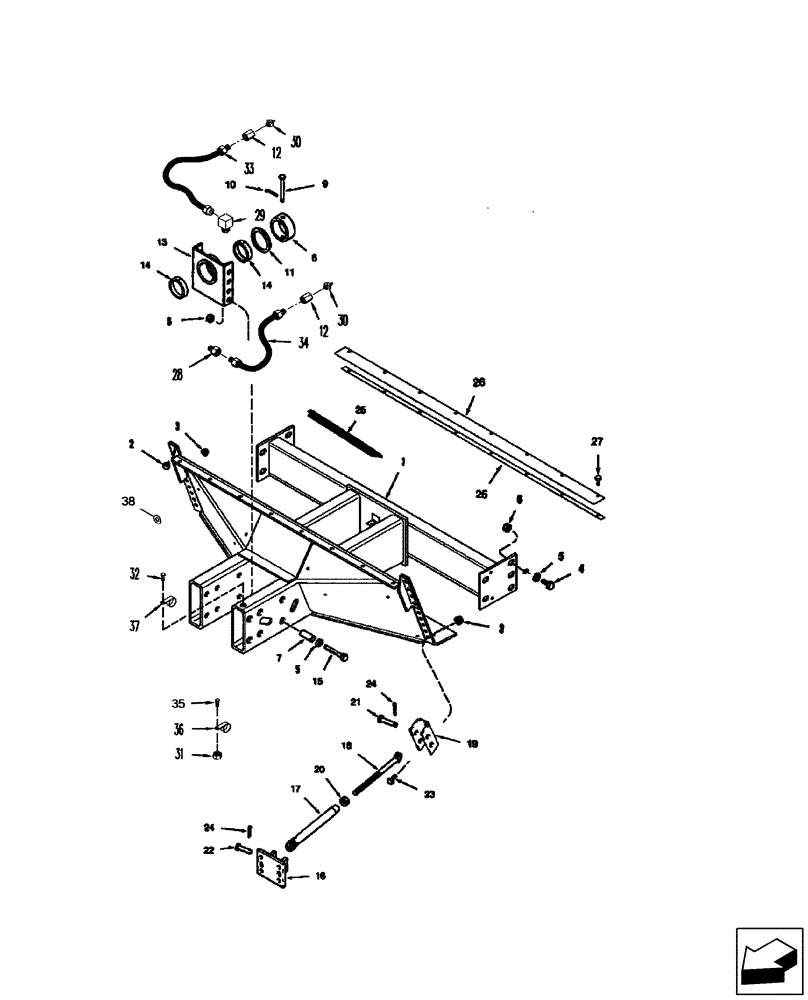
Запчасти Case IH 2588 (44.153.02) - AXLE, STEERING SUPPORT - POWER GUIDE AXLE (44) - WHEELS

Схема запчастей Case IH 2588 - (44.153.02) - AXLE, STEERING SUPPORT - POWER GUIDE AXLE (44) - WHEELS
31
10
21
15
19
12
16
5
24
34
1
3
3
25
22
2
27
5
7
20
26
32
12
30
26
35
14
24
23
28
13
30
18
14
33
6
9
29
37
4
8
11
38
6
36
17
FIT
1:1
100%

Артикул

Название

Примечание

Количество

1

87590281

SUPPORT

Steering Axle

1шт.

2

426-816

BOLT,Hex, 1/2" - 13 x 1", Gr 8

12шт.

3

87301492

SERRATED NUT,Flg, USR, 1/2"-13, G8

, Serial Range: -HAJ303001

12шт.

3

232-41110

NUT,5/8"-11, GC

, Start Serial: HAJ303001

6шт.

4

426-1224

BOLT,Hex, 3/4" - 10 x 1-1/2", Gr 8

4шт.

5

496-21081

WASHER,13/16" x 1 1/2" x .179", HDN

8шт.

6

87301494

FLANGE NUT,Flg, USR, 3/4"-10, G8

8шт.

7

177748C1

SPACER

13/16" x 1-1/4" x 2 13/16"

12шт.

8

182795C1

BUSHING,101.68mm ID x 127mm OD x 44.7mm L

Axle Pivot

1шт.

9

439-11288

HEADED PIN,19.05mm OD x 139.7mm L

1шт.

10

432-1620

COTTER PIN,1/4" x 1 1/4"

1шт.

11

168385C2

WASHER,102.6mm ID x 127mm OD x 3.3mm Thk

1шт.

12

F53473

LOCK NUT,1/8-27 NPSM

1/8"

2шт.

13

182792C97

SUPPORT

Front, Incl Ref 14

1шт.

14

182794C1

BUSHING,101.77mm ID x mm OD x 19.1mm L

2шт.

15

426-1272

BOLT,Hex, 3/4" - 10 x 4-1/2", Gr 8

4шт.

16

1970206C1

BRACKET

2шт.

17

181444C1

TIE-ROD,1" - 8

2шт.

18

181442C3

EYEBOLT,1" - 8 x 381mm

BOLT, EYE

2шт.

19

1541603C1

SUPPORT

Front, Serial Range: -HAJ303001

2шт.

19

87590286

BRACKET

Front, Start Serial: HAJ303001

2шт.

20

425-1016

NUT,1"-8, G5

2шт.

21

439-11456

HEADED PIN,22.23mm OD x 88.9mm L

2шт.

22

439-11456

HEADED PIN,22.23mm OD x 88.9mm L

2шт.

23

426-824

BOLT,Hex, 1/2" - 13 x 1-1/2", Gr 8

, Serial Range: -HAJ303001

6шт.

23

426-1028

BOLT,Hex, 5/8" - 11 x 1-3/4", Gr 8

, Start Serial: HAJ303001

6шт.

24

432-1620

COTTER PIN,1/4" x 1 1/4"

1шт.

25

316709A1

SEALING STRIP

Shoe Seal

1шт.

26

316711A1

SEAL,65mm W x 1560mm L

Rubber, Shoe

1шт.

27

477-73116

SERRATED SCREW,Truss HD, 5/16" - 18 x 1"

8шт.

28

219-418

ADAPTER,1/4"-1/8 NPTF

Hose

1шт.

29

219-439

ADAPTER,90 Degree, 1/4"-1/8 NPTF

Hose

1шт.

30

219-8

LUBE NIPPLE,1/4" - 28 NPTF

2шт.

31

231-5145

SERRATED NUT,Flg, USR, 5/16"-18

1шт.

32

276-14912

SELF-TAP SCREW,Hex Hd, 3/8" x 3/4"

1шт.

33

428293A1

FLEXIBLE HOSE

Grease, 1091 mm (43")

1шт.

34

431724A1

FLEXIBLE HOSE

Grease, 1317 mm (52")

1шт.

35

409-7512

BOLT,Hex Flg, 5/16" - 18 x 3/4", Spcl

1шт.

36

515-23254

CLAMP,1", Insul, 3/8" Bolt

1шт.

37

515-23317

CLAMP,31.75mm ID, 10.3mm Bolt Hole, P Type

1шт.

38

496-41066

WASHER,5/8" ID x 1-1/2" OD x 3/16" Thk

, Start Serial: HAJ303001

7шт.

Выбрано товаров: 41