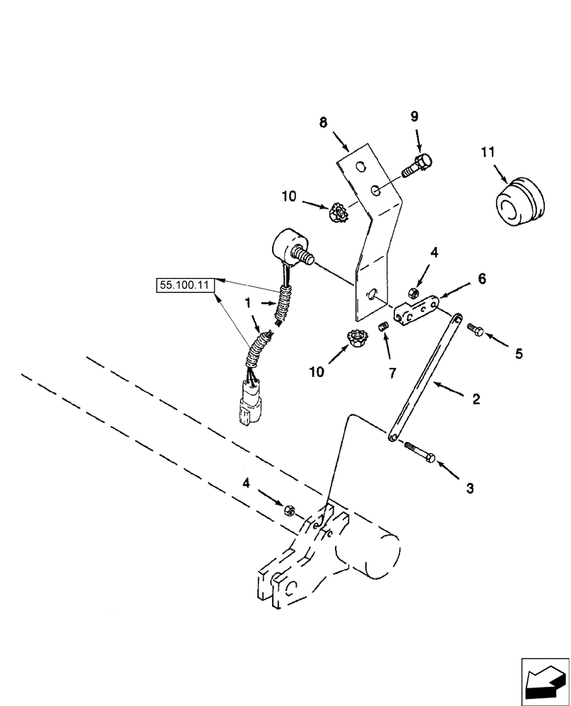
Запчасти Case IH 2588 (55.418.08) - POTENTIOMETER, CONCAVE POSITION - MOUNTING (55) - ELECTRICAL SYSTEMS

Схема запчастей Case IH 2588 - (55.418.08) - POTENTIOMETER, CONCAVE POSITION - MOUNTING (55) - ELECTRICAL SYSTEMS
5
8
55.100.11
10
2
4
4
9
6
1
10
7
11
3
FIT
1:1
100%

Артикул

Название

Примечание

Количество

1

122756A3

POTENTIOMETER,1000 Ohm, 8V

1K, Concave Position

1шт.

2

181760A2

LEVER

1шт.

3

463-11024

SCREW,Hex Hd, #10-24 x 1 1/2"

1шт.

4

230-42409

NUT,#10-24, GA

2шт.

5

463-11010

SCREW,Hex Hd, #10-24 x 5/8"

1шт.

6

131175A1

ARM

1шт.

7

483-1084

SET SCREW,Hex Soc, #8-32 x 1/4"

1шт.

8

142402A2

SUPPORT

1шт.

9

409-7512

BOLT,Hex Flg, 5/16" - 18 x 3/4", Spcl

2шт.

10

231-5145

SERRATED NUT,Flg, USR, 5/16"-18

2шт.

11

198824C1

GROMMET,12.7mm ID x 41.1mm OD x 26.9mm Thk

1/2" ID

1шт.

Выбрано товаров: 11