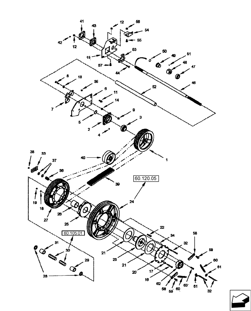
Запчасти Case IH 2588 (60.130.01) - FEEDER - JACKSHAFT DRIVE (60) - PRODUCT FEEDING

Схема запчастей Case IH 2588 - (60.130.01) - FEEDER - JACKSHAFT DRIVE (60) - PRODUCT FEEDING
6
26
27
21
24
3
34
1
52
59
53
55
30
56
60.105.01
41
49
62
20
19
15
60
29
32
58
46
60
10
63
12
9
61
16
60.120.05
38
22
31
23
36
36
8
59
32
40
11
44
39
54
28
51
50
33
7
5
48
18
25
37
57
56
12
61
4
43
14
47
2
17
21
42
FIT
1:1
100%

Артикул

Название

Примечание

Количество

391085A1

PULLEY,335.5mm OD

Incl Refs 1 - 5

1шт.

1

388396A1

PULLEY,335.5mm OD

1шт.

241929A2

BEARING ASSY

Incl Refs 2 - 4

1шт.

2

NSS

NOT SOLD SEPARAT

HOUSING

1шт.

3

193282C91

BEARING ASSY,50.8 mm ID x 100 mm OD x 55.5 mm

1шт.

4

219-40

LUBE NIPPLE,65 Degree Elbow, 1/8" - 27 NPTF

1шт.

5

100-11200

SNAP RING,#200, Ext

1шт.

6

239239A2

SUPPORT

RH

1шт.

7

240436A2

SUPPORT

1шт.

8

433-1036

CARRIAGE BOLT,Sq Nk, 5/8" - 11 x 2 1/4", Gr 5

4шт.

9

231-51410

FLANGE NUT,Flg, USR, 5/8"-11

4шт.

10

498-81010

SQ HOLE WASHER,16.66mm ID x 38.1mm OD x 2.67mm Thk

4шт.

11

477-73112

SERRATED SCREW,Sl Truss Hd, 5/16" - 18 x 3/4"

2шт.

12

231-5148

FLANGE NUT,Flg, USR, 1/2"-13

5шт.

14

425-1410

JAM NUT,Jam, 5/8"-11, G5

4шт.

15

396133A1

SUPPORT

LH

1шт.

16

426-656

BOLT,Hex, 3/8" - 16 x 3-1/2", Gr 8

4шт.

17

1305375C1

SPACER

4шт.

18

492-11038

LOCK WASHER,3/8"

4шт.

19

429-106

NUT,3/8"-16, G8

4шт.

20

398550A2

PLATE

1шт.

21

181579C1

DISC

2шт.

22

Q3959

COTTER PIN,Gib, 3/8" Sq x 4 1/2"

2шт.

23

398526A1

HUB

1шт.

24

396781A1

PULLEY,573mm OD

22-9/16" OD, Driven

1шт.

25

1305220C91

HUB ASSY.

Incl Ref 26

1шт.

26

610435C1

BUSHING,69.93mm ID x 82.65mm OD x 76.2mm L

1шт.

27

388395A1

PULLEY

16-11/16" OD, Drive

1шт.

28

495-81093

WASHER,45.24mm ID x 63.5mm OD x 3.4mm Thk

3шт.

29

1305393C1

SPACER

2-35/64"

1шт.

30

389071A1

SHAFT

Conveyor

1шт.

31

162172C1

SPACER

1-13/16" x 2-1/4" x 1-15/16"

1шт.

32

1315319C1

BOLT,Hex, 3/8" - 16 x 6", Gr 8

3/8" x 6"; 8

8шт.

33

1315316C1

SUPPORT

2шт.

With Rock Trap

1шт.

34

1305370C3

SPACER

8шт.

35

231-5145

SERRATED NUT,Flg, USR, 5/16"-18

2шт.

36

1305692C2

SPRING

8-10шт.

37

495-81143

WASHER,13/32" x 1 1/2" x .120"

8-16шт.

37

495-81135

WASHER,10.31mm ID x 25.4mm OD x 3.4mm Thk

8шт.

38

231-4116

NUT,3/8"-16, GB

8шт.

39

402368A1

V-BELT,15.24 mm W x 3990.69 mm L

1шт.

With 60" Feeder

1шт.

39

402370A1

V-BELT,15.24 mm W x 3706.69 mm L

1шт.

With 54-1/2" Feeder

1шт.

40

176579C1

IDLER

8" OD, Drive Tightener

1шт.

41

87430517

FLANGE

Incl Ref 42

1шт.

42

219-87

LUBE NIPPLE,1/4" - 28 NPTF

1шт.

43

86974037

FLANGE

1шт.

44

434-820

CARRIAGE BOLT,Sht Sq Nk, 1/2" - 13 x 1 1/4", Gr 5

4шт.

45

413-820

BOLT,Hex, 1/2" - 13 x 1-1/4", Gr 5

3шт.

388777A1

SHAFT

Incl Refs 46 - 51

1шт.

46

388771A1

SHAFT

1шт.

47

240746A1

BALL BEARING,34.93mm ID x 80mm OD x 22mm W

1шт.

48

253469A1

COLLAR,35.25mm ID x 63.5mm OD x 46mm L

1шт.

49

253533A1

HUB,1-15/16" - 20

1шт.

50

253462A1

SPECIAL RING

1шт.

51

484-1386

SET SCREW,Hex Soc, 3/8"-24 x 3/8"

1шт.

52

240438A2

PLASTIC-RUBBER TUBE,60.3 mm OD

Plastic

1шт.

53

388770A1

BRACKET

1шт.

54

396135A1

BRACKET

1шт.

55

87301495

BOLT

5/8" x 1-1/4"; 8

2шт.

56

87301493

SERRATED NUT,Flg, USR, 5/8"-11, G8

2шт.

57

409-7820

BOLT,Hex Flg, 1/2" - 13 x 1 1/4", Spcl

1шт.

58

398547A2

PAWL,25.4mm OD x 127mm L

Ratchet

2шт.

59

396073A1

SPECIAL BOLT

2шт.

60

86989592

SPRING

2шт.

61

86988966

MOUNTING PLATE

2шт.

62

398098A1

RATCHET

1шт.

63

461-35024

HEX SOC SCREW,1/2" - 13 x 1-1/2"

4шт.

Выбрано товаров: 70