Запчасти Case IH 2588 (66.360.10) - CAGE - REAR (66) - THRESHING

Схема запчастей Case IH 2588 - (66.360.10) - CAGE - REAR (66) - THRESHING
26
16
3
17
20
19
12
13
17
2
30
18
4
9
10
23
15
11
29
1
1
27
3
28
22
8
14
6
21
7
31
5
24
FIT
1:1
100%

Артикул

Название

Примечание

Количество

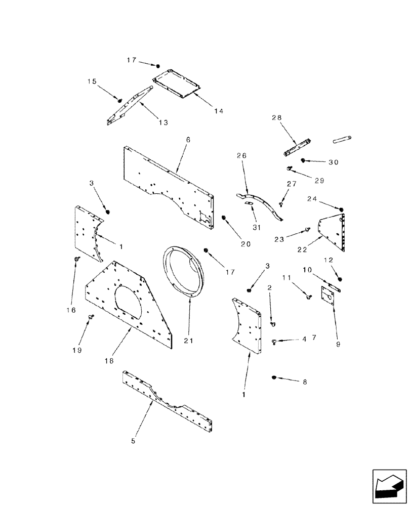
1

191269C4

SUPPORT

Rear

2шт.

2

477-73812

SERRATED SCREW,Truss HD, 3/8" - 16 x 3/4"

8шт.

2

477-73816

SERRATED SCREW,Sl Truss Hd, 3/8" x 1"

24шт.

3

231-5146

FLANGE NUT,3/8"-16

40шт.

4

1302160C1

SCREW,Truss HD, 3/8" - 16 x 3/4"

8шт.

5

182931C1

SUPPORT

Lower Rear

1шт.

6

176201A1

SHEET

Upper Rear

1шт.

7

477-73812

SERRATED SCREW,Truss HD, 3/8" - 16 x 3/4"

15шт.

8

231-5146

FLANGE NUT,3/8"-16

15шт.

9

191191C2

GASKET,6.35mm Thk

1шт.

10

191192C1

BAR

2шт.

11

477-73112

SERRATED SCREW,Sl Truss Hd, 5/16" - 18 x 3/4"

4шт.

12

231-5145

SERRATED NUT,Flg, USR, 5/16"-18

4шт.

13

193393C1

COVER

2шт.

14

193170C1

COVER

1шт.

15

409-7512

BOLT,Hex Flg, 5/16" - 18 x 3/4", Spcl

4шт.

16

138558A1

SELF-TAP SCREW,Hex Flg, 5/16" - 18 x 13/16", HDN

5/16" x 13/16"

3шт.

17

231-5145

SERRATED NUT,Flg, USR, 5/16"-18

7шт.

18

443254A1

SHEET

1шт.

19

477-73112

SERRATED SCREW,Sl Truss Hd, 5/16" - 18 x 3/4"

28шт.

19

477-73116

SERRATED SCREW,Truss HD, 5/16" - 18 x 1"

2шт.

20

231-5145

SERRATED NUT,Flg, USR, 5/16"-18

28шт.

21

182550C2

HOUSING

1шт.

22

191398C2

SHEET

Gear Housing, Inner

1шт.

23

477-73812

SERRATED SCREW,Truss HD, 3/8" - 16 x 3/4"

4шт.

24

231-5146

FLANGE NUT,3/8"-16

4шт.

26

1308696C1

SUPPORT

Upper Rear

1шт.

27

1302160C1

SCREW,Truss HD, 3/8" - 16 x 3/4"

4шт.

28

182634C3

SUPPORT

1шт.

29

1302143C1

FLANGE BOLT,Lock, Hex, 1/2" - 13 x 1"

1/2" x 1"

2шт.

30

231-5148

FLANGE NUT,Flg, USR, 1/2"-13

2шт.

31

186797C2

SUPPORT

1шт.

Выбрано товаров: 0