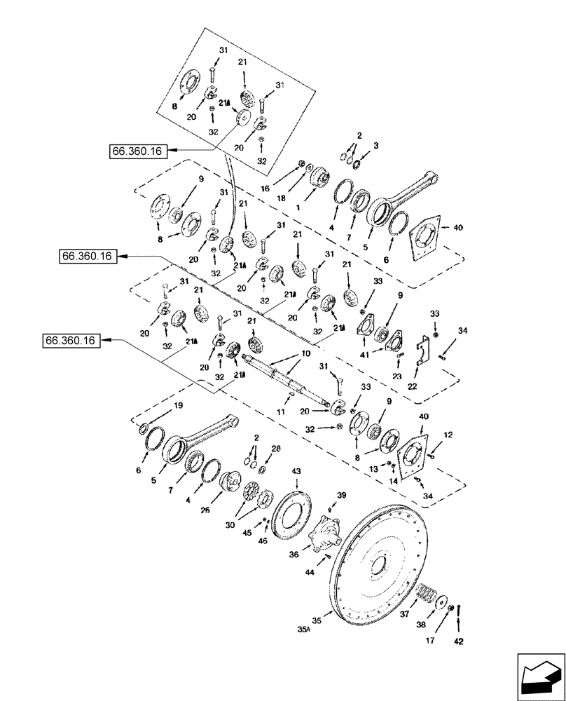
Запчасти Case IH 2588 (74.101.08) - DRIVE - SHAKER SHAFT AND AUGER (74) - CLEANING

Схема запчастей Case IH 2588 - (74.101.08) - DRIVE - SHAKER SHAFT AND AUGER (74) - CLEANING
21a
40
31
31
4
12
21
35a
31
23
14
34
20
20
45
2
13
1
28
20
42
21
10
21
31
21a
3
26
21a
46
6
31
2
19
22
40
5
41
31
36
33
9
4
8
38
16
7
43
35
8
20
20
20
20
32
32
44
33
18
6
8
11
9
37
33
21
21a
21a
9
31
21a
32
5
32
21
32
7
32
20
17
34
31
30
32
39
66.360.16
66.360.16
66.360.16
32
21
FIT
1:1
100%

Артикул

Название

Примечание

Количество

1

1322573C1

CAM

LH

1шт.

Loctite Adhesive 86615927 To Shaft 1322616C2

1шт.

2

1322623C1

RETAINER

1-13/64"

4шт.

3

1330336C1

WASHER,24mm ID x 31.65mm OD x 3mm Thk

29/32" x 1-1/4" x 1/8"

1шт.

4

1979190C1

RETAINER

2шт.

5

87582203

ARM ASSY.

Shaker Shaft

2шт.

6

1322624C1

SNAP RING

5-1/8"

2шт.

7

1345226C1

BALL BEARING,80mm ID x 125mm OD x 22mm W

2шт.

8

87430518

FLANGE

4шт.

9

87376564

BALL BEARING,28.47mm Hex x 72mm OD x 25mm W

3шт.

10

1322616C2

SHAFT

1шт.

11

126-124

WOODRUFF KEY,#15, 1/4" x 1", HT

2шт.

12

477-73812

SERRATED SCREW,Truss HD, 3/8" - 16 x 3/4"

8шт.

13

425-106

NUT,3/8"-16, Cl 5

8шт.

14

492-11038

LOCK WASHER,3/8"

8шт.

16

231-41112

LOCK NUT,3/4"-10, GB

1шт.

17

425-1212

SLOTTED NUT,3/4"-10, G5

1шт.

18

1979580C1

WASHER,19.05mm ID x 44.5mm OD x 11mm L

1шт.

19

495-81213

WASHER,35.71mm ID x 50.8mm OD x 1.7mm Thk

1шт.

20

225265R1

CLAMP

6шт.

21

194194C1

GEAR

14T

5шт.

21a

191677C1

GEAR

14T

5шт.

The Left Most Bevel Drive Gear, Ref 21A, On The Shaker Shaft Must Be turned 180 Degrees, So That The Gear Teeth Are Mounted Facing Ref 8 Flange When Using a 1309229C1 Left Hand Rotation Auger. See Inset Illustration Figure(s) 9B-21. See Figure(s) 9B-20

1шт.

22

186589C1

SUPPORT

1шт.

23

477-73816

SERRATED SCREW,Sl Truss Hd, 3/8" x 1"

2шт.

26

87318100

CAM,Shaker Shaft Pitman Drive, RH Plated

RH

1шт.

Loctite Adhesive 86615927 To Shaft 1322616C2

1шт.

28

1979191C1

WASHER,27mm ID x 31.65mm OD x 3mm Thk

1-1/16" x 1-1/4" x 1/8"

1шт.

30

B12170

RATCHET,Clutch Slip, 94.49mm

2шт.

31

413-840

BOLT,Hex, 1/2" - 13 x 2-1/2", Gr 5

6шт.

32

231-4118

LOCK NUT,1/2"-13, GB

6шт.

33

231-5146

FLANGE NUT,3/8"-16

13шт.

34

477-73812

SERRATED SCREW,Truss HD, 3/8" - 16 x 3/4"

3шт.

34

477-73816

SERRATED SCREW,Sl Truss Hd, 3/8" x 1"

8шт.

35

359099A1

PULLEY,612.14mm OD

Driven

1шт.

35a

193682C1

PULLEY

1шт.

36

1303136C2

HUB

1шт.

37

19302K

SPRING

1шт.

38

388418C1

SPECIAL WASHER,19.84mm ID x 81.28mm OD x 6.35mm Thk

1шт.

39

219-87

LUBE NIPPLE,1/4" - 28 NPTF

1шт.

40

1302221C1

PLATE

2шт.

41

86620026

FLANGED BEARING

2шт.

42

432-828

COTTER PIN,1/8" x 1 3/4"

1шт.

43

566516R92

PULLEY,256.46mm OD

9-3/4" OD

1шт.

44

413-516

BOLT,Hex, 5/16" - 18 x 1", Gr 5

5шт.

45

425-105

NUT,5/16"-18, G5

5шт.

46

492-11031

LOCK WASHER,5/16"

5шт.

Выбрано товаров: 47