Запчасти Case IH 5088 (27.450.AJ[02]) - VAR - 722475 - REAR AXLE EXTENSION, PGA, RH (27) - REAR AXLE SYSTEM

Схема запчастей Case IH 5088 - (27.450.AJ[02]) - VAR - 722475 - REAR AXLE EXTENSION, PGA, RH (27) - REAR AXLE SYSTEM
27.450.al 02
9
2
16
13
4
19
7
4
17
2
18
14
6
9
10
15
8
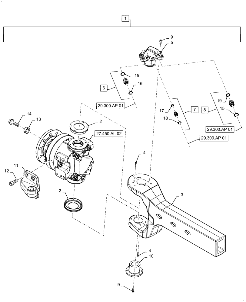
1
15
5
11
3
12
29.300.ap 01
29.300.ap 01
29.300.ap 01
FIT
1:1
100%

Артикул

Название

Примечание

Количество

1

87659988

AXLE

Extension Assy, RH, Incl 2 - 19, VAR - 722475

1шт.

2

84817924

DUST CAP,137.92mm OD x 22.1mm W

Kingpin

2шт.

3

87743252

EXTENSION

Axle, PGA, RH

1шт.

4

9515561

HEX SOC SCREW,M6 x 35mm, Cl 12.9

8шт.

5

432698A1

GUIDE

Upper Kingpin

1шт.

6

83962539

HYD CONNECTOR,1" - 14 ORFS x 1-1/16 - 12 ORB

Incl 15, 16

1шт.

7

9992305

HYD CONNECTOR,13/16" - 16 ORFS x 3/4" - 16 ORB

Incl 17, 18

1шт.

8

9840535

HYD CONNECTOR,1-3/16" - 12 ORFS x 1-1/16" - 12 ORB

Incl 15, 19

1шт.

9

86508097

HEX SOC SCREW,M10 x 25mm, Cl 12.9, Full Thd

9шт.

10

84800194

PIN,3.15" OD x 3.07" L

Lower Kingpin

1шт.

11

87685406

STEERING ARM

PGA, RH

1шт.

12

87733367

HEX SOC SCREW,M20 x 50mm, Cl 12.9, Full Thd

4шт.

13

87281709

SPACER,.81" ID x 1.75" OD x .79" L

Wheel Bolt

10шт.

14

87035472

FLANGE BOLT,Hex Flg, M20 x 1.5 x 70, Cl 10.9

Wheel

10шт.

15

167266

O-RING,0.116" Thk x 0.924" ID, -912, Cl 6, 90 Duro

2шт.

16

9992069

O-RING,0.07" Thk x 0.614" ID, -16, Cl 6, 90 Duro

1шт.

17

128825

O-RING,0.087" Thk x 0.644" ID, -908, Cl 6, 90 Duro

1шт.

18

9992298

O-RING,0.07" Thk x 0.489" ID, -14, Cl 6, 90 Duro

1шт.

19

9991976

O-RING,0.07" Thk x 0.739" ID, -18, Cl 6, 90 Duro

1шт.

Выбрано товаров: 19