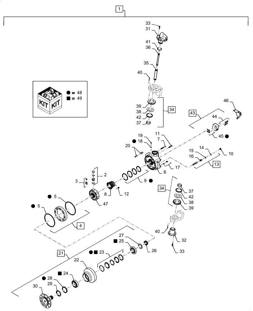
Запчасти Case IH 5088 (27.450.AL[02]) - VAR - 722475 - MOTOR, REAR AXLE ASSY, RH (27) - REAR AXLE SYSTEM

Схема запчастей Case IH 5088 - (27.450.AL[02]) - VAR - 722475 - MOTOR, REAR AXLE ASSY, RH (27) - REAR AXLE SYSTEM
33
8
48
46
40
43
12
13
48
18
49
16
10
6
44
42
37
34
48
24
33
20
2
37
31
38
35
15
17
41
28
49
38
5
39
48
30
48
19
36
32
26
47
49
25
34
7
1
23
49
4
14
21
39
22
45
27
3
48
42
11
29
9
5
48
49
40
48
48
FIT
1:1
100%

Артикул

Название

Примечание

Количество

1

87726688

MOTOR, HYDRAULIC

Rear Axle, RH, Incl 2 - 49

1шт.

2

NSS

NOT SOLD SEPARAT

Piston Kit, Incl in 1

8шт.

3

NSS

NOT SOLD SEPARAT

Piston Retainer Kit, Incl in 1

1шт.

4

NSS

NOT SOLD SEPARAT

Cam Ring, Incl in 1

1шт.

5

87484762

O-RING

Cam Ring, Incl in 1, 48

2шт.

6

NSS

NOT SOLD SEPARAT

Distributor Cover, Incl in 1

1шт.

7

NSS

NOT SOLD SEPARAT

Screw, Incl in 1

6шт.

8

NSS

NOT SOLD SEPARAT

Distributor Valve, Incl in 1

1шт.

9

87484763

SEAL KIT

Distributor, Incl in 1, 48

1шт.

10

NSS

NOT SOLD SEPARAT

Plug, Incl in 1

1шт.

11

NSS

NOT SOLD SEPARAT

Screw, Incl in 1

4шт.

12

NSS

NOT SOLD SEPARAT

Spring, Incl in 1

9шт.

13

NSS

NOT SOLD SEPARAT

Spool, Incl in 1

1шт.

14

NSS

NOT SOLD SEPARAT

Washer, Incl in 1

1шт.

15

NSS

NOT SOLD SEPARAT

Snap Ring, Incl in 1

1шт.

16

NSS

NOT SOLD SEPARAT

Spring, Incl in 1

1шт.

17

87415

LUBE NIPPLE,90 Degree, 1/4" NPT x 3/4" L, Drive

2шт.

18

NSS

NOT SOLD SEPARAT

Bleed Screw Washer, Incl in 1, 48

1шт.

19

NSS

NOT SOLD SEPARAT

Screw, Incl in 1

1шт.

20

NSS

NOT SOLD SEPARAT

Safety Pin, Incl in 1

2шт.

21

NSS

NOT SOLD SEPARAT

Bearing Support Assy, Incl in 1

1шт.

22

NSS

NOT SOLD SEPARAT

Bearing Support, Incl in 1

1шт.

23

87485684

SEAL

Inner Shaft, Incl in 1, 48, 49

1шт.

24

87485685

BEARING

Outer, Incl in 1, 49

1шт.

25

87485686

BEARING

Inner, Incl in 1, 49

1шт.

26

NSS

NOT SOLD SEPARAT

Split Ring, Incl in 1

1шт.

27

NSS

NOT SOLD SEPARAT

Shim, Incl in 1

1шт.

28

NSS

NOT SOLD SEPARAT

Grease Seal, Incl in 1, 48

1шт.

29

NSS

NOT SOLD SEPARAT

Deflector, Incl in 1

1шт.

30

NSS

NOT SOLD SEPARAT

Shaft, Incl in 1

1шт.

31

432698A1

GUIDE

Top Pin

1шт.

32

84800194

PIN,3.15" OD x 3.07" L

Bottom

1шт.

33

86508097

HEX SOC SCREW,M10 x 25mm, Cl 12.9, Full Thd

9шт.

34

NSS

NOT SOLD SEPARAT

Pivot Seal Kit, Incl in 1

2шт.

35

84800212

TUBE,1.77" OD x 5.24" L

Outer Pipe

1шт.

36

84800213

TUBE,1.25" DIA x 7.05" L

Kingpin Seal Cover

1шт.

37

84817916

BUSHING,80.01mm ID x 89.15mm OD x 20.07mm L

Kingpin

2шт.

38

84817900

THRUST WASHER,3.23" ID x .08" Thk

2шт.

39

84817924

DUST CAP,137.92mm OD x 22.1mm W

Seal Cover

2шт.

40

9515561

HEX SOC SCREW,M6 x 35mm, Cl 12.9

8шт.

41

84817917

SEAL,66.04mm ID x 76.71mm OD x 5.33mm Thk

Top Pin

1шт.

42

84817926

SEAL,109.22mm ID x 127mm OD x 9.14mm Thk

Environmental

2шт.

43

87281713

CONTROL VALVE

PRA Motor

1шт.

44

NSS

NOT SOLD SEPARAT

Screw, Incl in 1

4шт.

45

NSS

NOT SOLD SEPARAT

O-Ring, Incl in 1

4шт.

46

NSS

NOT SOLD SEPARAT

Pilot Valve Cover, Incl in 1

1шт.

47

NSS

NOT SOLD SEPARAT

Cylinder Block Assy, Incl in 1

1шт.

48

47762461

SEAL KIT

Incl 5, 9, 18, 23, 28, 45, Incl in 1

1шт.

49

87552816

BEARING ASSY

Incl 23, 24, 25, Incl in 1

1шт.

Выбрано товаров: 49