Запчасти Case IH 5088 (60.120.AG[02]) - VAR - 425126, 425087, 425085, 425082, 425080 - HEADER DRIVE, TWO SPEED (60) - PRODUCT FEEDING

Схема запчастей Case IH 5088 - (60.120.AG[02]) - VAR - 425126, 425087, 425085, 425082, 425080 - HEADER DRIVE, TWO SPEED (60) - PRODUCT FEEDING
60.120.ar
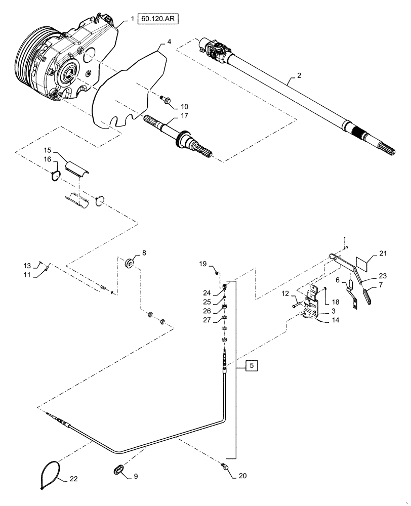
15
23
3
25
24
20
14
16
27
19
5
10
22
1
4
2
9
11
13
12
7
21
26
6
18
17
8
FIT
1:1
100%

Артикул

Название

Примечание

Количество

1

87751887

GEARBOX ASSY

Two Speed Header Drive

1шт.

1

87751887R

REMAN-GEARBOX

Two Speed Header Drive

1шт.

1

87751887C

CORE-GEARBOX

Return Number

1шт.

2

87719075

SHAFT

Feeder Jackshaft

1шт.

3

84130453

BRACKET

Handle Support

6шт.

4

NS

NOT SERVICED

Gasket, Foam Strip, Cut 480mm From 1340329C1 Bulk

1шт.

5

87494244

CABLE

2 Speed Header Drive Control, Incl 24 - 27

1шт.

6

84130460

BRACKET

Shift Lever Stop

1шт.

7

433741A1

GRIP

Shift Lever

1шт.

8

84133775

SHIELD

Plug, Debris

1шт.

9

248-1185

GROMMET,1 1/2" ID x 1 3/4" Groove Dia

1шт.

10

87698746

BOLT,Hex, M16 x 45mm, Cl 10.9

4шт.

11

87597960

CLEVIS PIN,6.35mm OD x 19.56mm L

.77" x .25"

2шт.

12

353216

CLEVIS PIN,8mm OD x 45mm L

1шт.

13

280236

COTTER PIN,1/16" x 1/2"

1шт.

14

9512667

COTTER PIN,M2 x 20mm OAL

1шт.

15

87381623

SHIELD

Cable Protection

2шт.

16

L11541

CABLE TIE,203.2mm L, Nylon

2шт.

17

87719076

SHAFT ASSY.

Support, Shift Lever

1шт.

18

86511315

WASHER,8.4mm ID x 16mm OD x 1.8mm Thk

1шт.

19

87361

WASHER,0.28" ID x 0.62" OD x 0.07" Thk

1шт.

20

9706748

CLAMP,15.9mm, Coat, 8.7mm Bolt Hole, P Type

1шт.

21

84123053

DECAL

2 Speed Feed Control

1шт.

22

801895

CABLE TIE,30.63"

1шт.

23

84130457

HANDLE

2 Speed Header Drive

1шт.

24

131703A1

CLEVIS

.5" x .25"

2шт.

25

86976064

JAM NUT,Jam, 1/4"-28, G5

2шт.

26

86637932

JAM NUT,Jam, 5/8"-18, G5

4шт.

27

13507701

WASHER,16.4mm ID x 27mm OD x 2mm Thk

2шт.

Выбрано товаров: 29