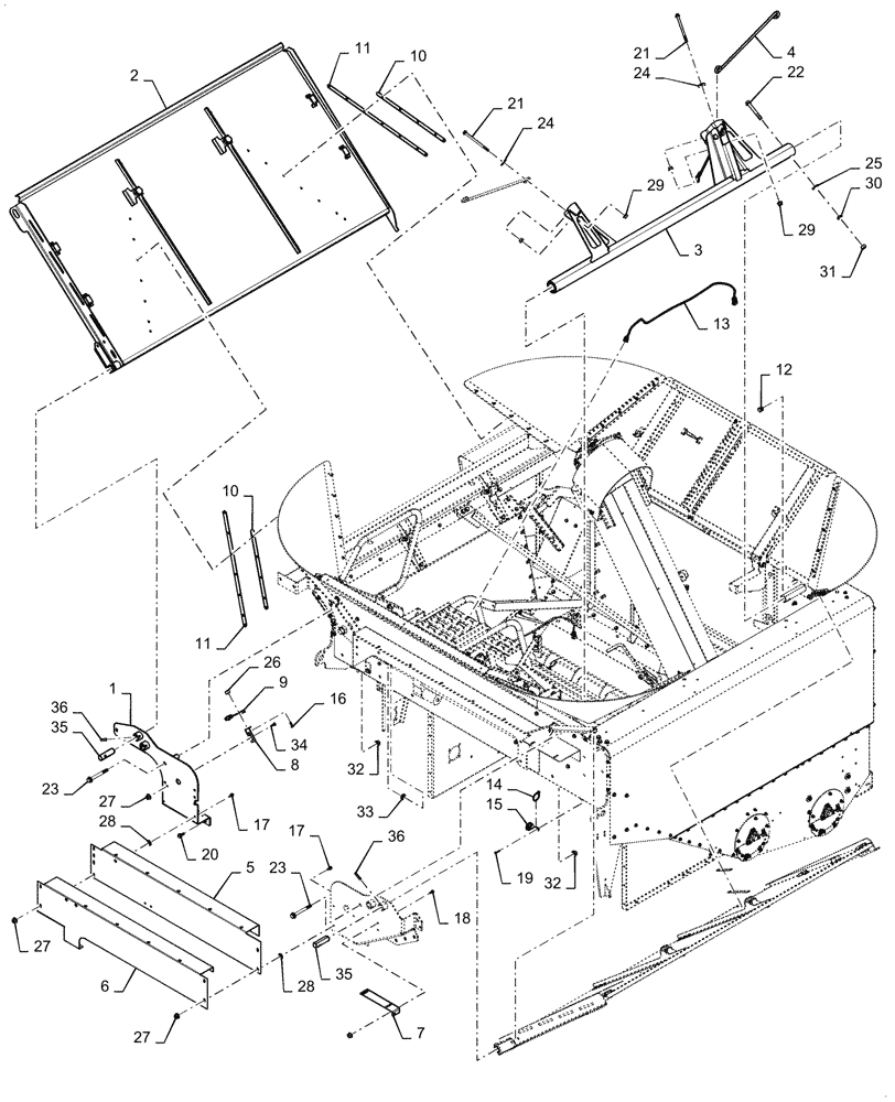
Запчасти Case IH 5088 (88.100.80[04]) - DIA KIT, GRAIN TANK COVER, CONTINUED (88) - ACCESSORIES

Схема запчастей Case IH 5088 - (88.100.80[04]) - DIA KIT, GRAIN TANK COVER, CONTINUED (88) - ACCESSORIES
22
28
10
9
34
15
23
31
24
6
8
17
13
32
10
35
33
36
18
5
3
29
36
21
20
26
28
11
16
35
7
17
27
11
19
30
1
4
12
29
27
23
14
27
24
25
32
21
2
FIT
1:1
100%

Артикул

Название

Примечание

Количество

1

47424000

BRACKET

Tank Cover, Rear LH

1шт.

2

87556613

COVER ASSY

Grain Tank, LH

1шт.

3

84419999

SERVICE KIT

Rockshaft, Tank Cover

1шт.

4

84411464

ROD

Linkage, Extension

2шт.

5

84300520

COVER ASSY

Actuator

1шт.

6

87579334

COVER ASSY

Actuator Access

1шт.

7

87643551

CHANNEL

Baffle Cover Support

1шт.

8

47438793

BRACKET

Sensor

1шт.

9

87392235

SENSOR

Reed Switch

1шт.

10

87740262

STRAP

Corner

2шт.

11

87727124

STRAP

Backing, Corner

2шт.

12

86512629

RIVET

Pop

1шт.

13

84373207

WIRE HARNESS

Grain Tank Cover

1шт.

14

86566989

CABLE TIE,208mm L

4шт.

15

86508603

RELAY,12V

2шт.

16

86511920

SCREW,Phillips Drive, Pan HD, #10 - 24 x 1/2"

2шт.

17

87656137

BOLT,Flange Hex, M8 x 20mm, Cl 10.9

6шт.

18

86585704

SCREW,Phillips Drive, Pan HD, M8 x 25mm, Cl 4.8

2шт.

19

86975890

SCREW,Torx, Pan HD, M8 x 1.25 x 20mm, Cl 8.8

66шт.

20

87030508

BOLT,Hvy Hex, M12 x 30mm, Full Thd, Cl 10.9

11шт.

21

84526231

BOLT,Hex, M12 x 170mm, Cl 10.9

2шт.

22

87698807

BOLT,Hex, M16 x 120mm, Cl 10.9

2шт.

23

87028052

BOLT,Hex Flg, M16 x 140, 10.9

2шт.

24

9511052

WASHER,13.5mm ID x 44mm OD x 4mm Thk

2шт.

25

80299

WASHER,0.69" ID x 1.75" OD x 0.13" Thk

2шт.

26

86632551

NUT,#10-24, GB

2шт.

27

86507066

FLANGE NUT,M8 x 1.25, Cl 10

10шт.

28

131-440

PUSH-ON NUT

Retainer

6шт.

29

86512497

FLANGE NUT,M12 x 1.75, Cl 10

12шт.

30

10717511

THIN NUT,Thin, M16 x 2, Cl 04

2шт.

31

392530

NUT,M16, Cl 10

2шт.

32

86512498

FLANGE NUT,M16 x 2, Cl 10

2шт.

33

10726721

THIN NUT,Thin, M20 x 1.5, Cl 05

1шт.

34

87682383

CARRIAGE BOLT,M8 x 1.25 x 20mm, Cl 10.9

2шт.

35

47384093

PIN

Retaining, Tank Extension

2шт.

36

381928

ROLL PIN,10mm OD x 50mm L, Slotted

2шт.

Выбрано товаров: 36