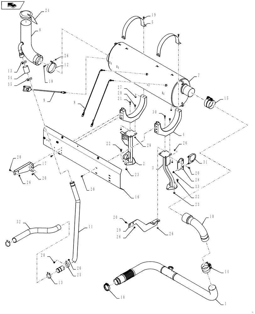
Запчасти Case IH 5130 (10.254.11[02]) - EXHAUST ASSEMBLY, 5130 T4 (10) - ENGINE

Схема запчастей Case IH 5130 - (10.254.11[02]) - EXHAUST ASSEMBLY, 5130 T4 (10) - ENGINE
26
34
27
24
home
20
6
8
31
20
23
19
26
9
26
1
30
26
35
28
15
22
33
20
17
10
26
12
13
23
20
20
2
32
19
4
5
25
20
14
3
18
22
16
20
13
26
26
7
21
29
11
FIT
1:1
100%

Артикул

Название

Примечание

Количество

1

84367317

EXHAUST SYSTEM PIPE

1шт.

2

84528292

SUPPORT

1шт.

3

84354600

SUPPORT

1шт.

4

84348634

SUPPORT

2шт.

5

84277445

STRAP

2шт.

6

84354601

TUBE

1шт.

7

84248988

MUFFLER

1шт.

8

87482353

SENSOR

2шт.

9

84422745

SENSOR

1шт.

10

84277814

EXHAUST SYSTEM PIPE

1шт.

11

84403319

AIR INTAKE TUBE

1шт.

12

84154398

CLAMP,127mm ID

1шт.

13

86625019

HOSE CLAMP,44mm - 67mm

3шт.

14

84283612

CLAMP,90.9mm - 95.8mm

1шт.

15

87494547

COLLAR CLAMP

1шт.

16

84357703

HEAT SHIELD

1шт.

17

84347720

SUPPORT

1шт.

18

84460193

CLAMP,81mm - 84mm

1шт.

19

87698833

BOLT,M8 x 33.1mm, Cl 10.9

3шт.

20

87656137

BOLT,Flange Hex, M8 x 20mm, Cl 10.9

16шт.

21

87695419

FLANGE BOLT,M8 x 43.1mm, Cl 10.9

2шт.

22

87698836

BOLT,M10 x 25mm, Full Thd, Cl 10.9

6шт.

23

86050279

FLANGE NUT,M10 x 1.5, Cl 10

6шт.

24

86997809

COVER

1шт.

25

87552805

CLAMP,50.8mm, Coat, 10.3mm Bolt Hole, P Type

1шт.

26

86507066

FLANGE NUT,M8 x 1.25, Cl 10

16шт.

27

87681210

FLANGE NUT,M8 x 1.25, Cl 10

2шт.

28

84388661

PLATE

1шт.

29

84353663

SUPPORT

1шт.

30

87030775

BOLT,M8 x 38.1mm, Cl 10.9

2шт.

31

84550610

CLAMP,93.22mm ID

1шт.

32

84396101

HOSE

1шт.

33

86521609

FLANGE NUT,Flg, 3/8"-16

2шт.

34

87308234

HOSE,32mm ID - 66.67mm ID x 16mm W, Unlined

1шт.

35

86625019

HOSE CLAMP,44mm - 67mm

1шт.

Выбрано товаров: 35