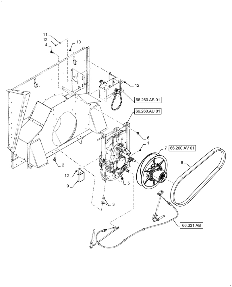
Запчасти Case IH 5140 (66.260.AA[01]) - GEARBOX, ROTOR, MOUNTING PARTS (66) - THRESHING

Схема запчастей Case IH 5140 - (66.260.AA[01]) - GEARBOX, ROTOR, MOUNTING PARTS (66) - THRESHING
4
2
66.260.au 01
1
3
9
7
5
66.331.ab
12
8
12
12
66.260.as 01
11
10
66.260.av 01
6
FIT
1:1
100%

Артикул

Название

Примечание

Количество

1

87682391

CARRIAGE BOLT,M10 x 1.5 x 25mm, Cl 10.9

2шт.

2

86978772

FLANGE BOLT,Hex, M16 x 40mm, Cl 10.9, Full Thd

2шт.

3

87317689

WASHER,18mm ID x 45mm OD x 4mm Thk

4шт.

4

86595832

CARRIAGE BOLT,Sht Sq Nk, M16 x 40mm, Cl 8.8, Full Thd

6шт.

5

87016581

FLANGE NUT,M16 x 2, CI 10

2шт.

6

86512498

FLANGE NUT,M16 x 2, Cl 10

6шт.

7

84188228

PULLEY

Torque Sensing Unit

1шт.

8

84194650

V-BELT,57.2mm W x 2802.57mm L

Rotor Drive

1шт.

9

84545630

BRACKET

Dipstick Cover

1шт.

10

87698836

BOLT,M10 x 25mm, Full Thd, Cl 10.9

7шт.

11

495-81135

WASHER,10.31mm ID x 25.4mm OD x 3.4mm Thk

4шт.

12

86050279

FLANGE NUT,M10 x 1.5, Cl 10

9шт.

Выбрано товаров: 12