Качественные детали и логистика
Оригинальные и аналоговые запчасти с доставкой по России, Казахстану и Беларуси
©2022 PartSell ООО "Система" ИНН 2463123282 ОГРН 1212400004838
Центральный офис: г. Красноярск, Академика Киренского, д.87, пом.4
Телефон: 8 (800) 777-65-74 Email: zakaz@partsell.ru
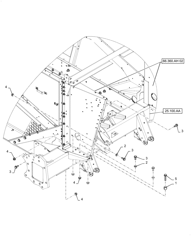
(25.400.AD) - FRONT AXLE MOUNTING
№
Артикул
Название
Примечание
Количество
1
87440363
SPACER,17.5mm ID x 34.9mm OD x 29mm L
Mounting
4шт.
2
86639326
WASHER,17.3mm ID x 34.5mm OD x 5mm Thk
12шт.
3
86978772
FLANGE BOLT,Hex, M16 x 40mm, Cl 10.9, Full Thd
34шт.
4
86512498
FLANGE NUT,M16 x 2, Cl 10
38шт.
5
47411044
FLANGE BOLT,M16 x 95.4mm, Full Thd, Cl 10.9
Выбрано товаров: 0