Качественные детали и логистика
Оригинальные и аналоговые запчасти с доставкой по России, Казахстану и Беларуси
©2022 PartSell ООО "Система" ИНН 2463123282 ОГРН 1212400004838
Центральный офис: г. Красноярск, Академика Киренского, д.87, пом.4
Телефон: 8 (800) 777-65-74 Email: zakaz@partsell.ru
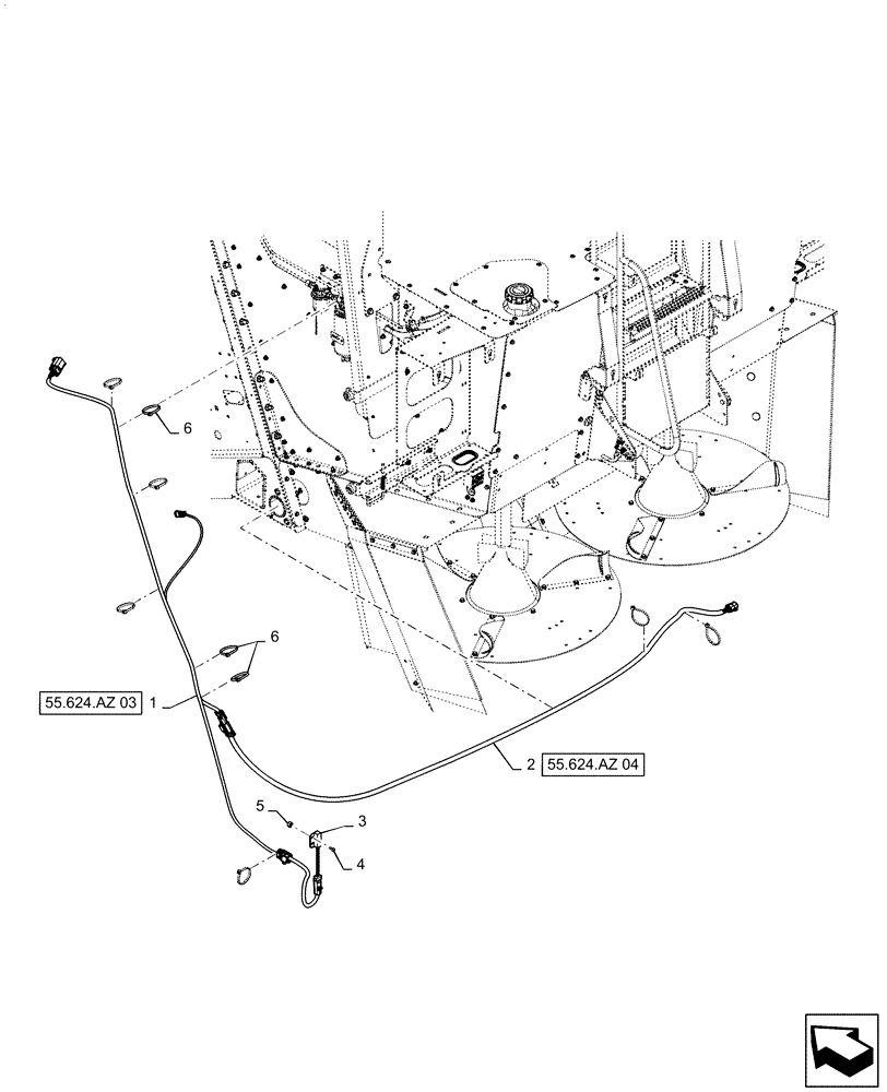
(55.624.AZ[01]) - CHAFF SPREADER ELECTRIC SYSTEM CONTROL
№
Артикул
Название
Примечание
Количество
1
84373214
WIRE HARNESS
Chaff Spreader
1шт.
2
87619442
HARNESS
Spreader Tube
3
87392235
SENSOR
Non-Contact, Reed
4
86511920
SCREW,Phillips Drive, Pan HD, #10 - 24 x 1/2"
2шт.
5
86632551
NUT,#10-24, GB
6
86566989
CABLE TIE,208mm L
12шт.
Выбрано товаров: 0