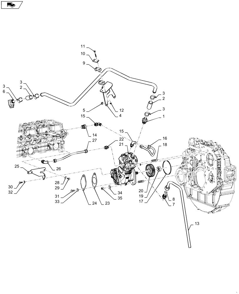
Запчасти Case IH 6130 (10.450.AE [02]) - AIR COMPRESSOR 5130 NEF (10) - ENGINE

Схема запчастей Case IH 6130 - (10.450.AE [02]) - AIR COMPRESSOR 5130 NEF (10) - ENGINE
2
35
18
16
23
home
2
15
22
20
26
27
4
14
24
30
31
9
33
29
10
21
5
3
3
34
11
19
3
25
12
17
6
7
1
3
15
28
32
8
13
FIT
1:1
100%

Артикул

Название

Примечание

Количество

1

84036669

FITTING

1шт.

2

87637434

HYDRAULIC HOSE,1" ID x 3.1" L

2шт.

3

87485014

CLAMP,1.25" - 2.12", Worm Gear

4шт.

4

84527242

SUPPORT

1шт.

5

86050279

FLANGE NUT,M10 x 1.5, Cl 10

2шт.

6

217-352

FITTING,90 Degree Elbow, 1" Hose Barb x 1-5/16" - 12 Male ORB

1шт.

7

518525

ROD

1шт.

8

86625099

O-RING,0.07" Thk x 0.739" ID, -18, Cl 7, 75 Duro

1шт.

9

87022323

CLAMP,25.4mm D Clamping Pipe

1шт.

10

86900727

COVER

1шт.

11

87698761

BOLT,Hex, M6 x 60mm, Cl 10.9

2шт.

12

86050300

FLANGE NUT,M6 x 1.0, Cl 10

2шт.

13

84527102

TUBE

Intake To Compressor

1шт.

14

87526110

PIPE FITTING

1шт.

15

87525736

ELBOW

2шт.

16

84301067

TUBE

1шт.

17

87525489

SEALING RING

1шт.

18

87525507

STUD

2шт.

19

87524831

NUT

1шт.

20

87524815

GEAR

1шт.

21

87524759

AIR COMPRESSOR

1шт.

22

87526205

PIPE FITTING

1шт.

23

84441023

GASKET

1шт.

24

87525174

COVER

1шт.

25

87525336

SUPPORT

1шт.

26

87525773

ELBOW

1шт.

27

84301065

TUBE

1шт.

28

84441024

O-RING,9.19mm ID x 2.62mm Thk

1шт.

29

86624003

BOLT,Hex, M8 x 14mm, Cl 8.8, Full Thd

1шт.

30

120104

BOLT,Hex, M8 x 1.25 x 20mm, Cl 8.8

2шт.

31

43138

BOLT,Hex, M10 x 1.5 x 20mm, Cl 8.8

2шт.

32

322358

BELLEVILLE WASHER,M8 Bolt Size x 18mm OD x 1.4mm Thk

3шт.

33

140045

BELLEVILLE WASHER,M10 Bolt Size x 22mm OD x 1.6mm Thk

2шт.

34

140046

BELLEVILLE WASHER,M12 Bolt Size x 27mm OD x 1.8mm Thk

2шт.

35

9706685

NUT,M12 x 1.75, Cl 8

2шт.

Выбрано товаров: 35