Запчасти Case IH 6140 (60.110.AD[04]) - VAR - 425125, 425126 - HILLCO FEEDER (60) - PRODUCT FEEDING

Схема запчастей Case IH 6140 - (60.110.AD[04]) - VAR - 425125, 425126 - HILLCO FEEDER (60) - PRODUCT FEEDING
60.120.ai 02
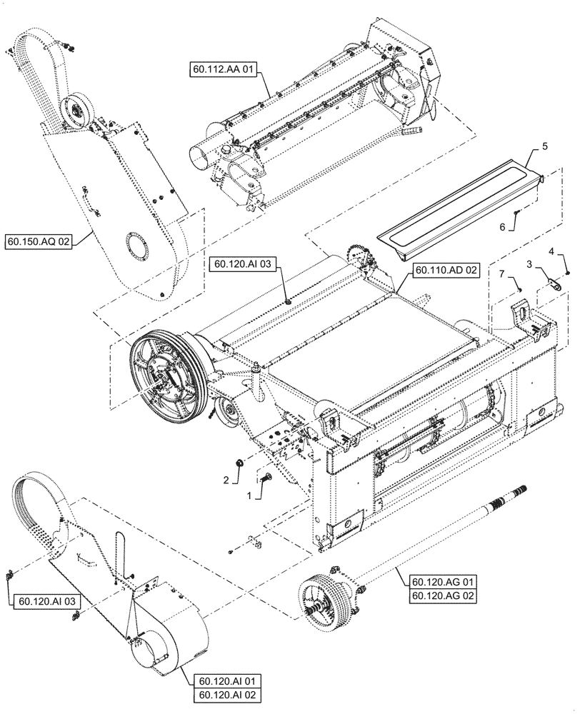
2
6
4
5
1
7
3
60.120.ag 01
60.112.aa 01
60.110.ad 02
60.150.aq 02
60.120.ag 02
60.120.ai 01
60.120.ai 03
60.120.ai 03
FIT
1:1
100%

Артикул

Название

Примечание

Количество

1

86981478

CARRIAGE BOLT,M20 x 70.9mm, Cl 10.9

14шт.

2

86512499

FLANGE NUT,M20 x 2.5, Cl 10

14шт.

3

87106719

BRACKET

Feeder Adapter

2шт.

4

87681207

BOLT,M8 x 24.1mm, Cl 10.9

2шт.

5

87677711

SHEET ASSY.

Top

1шт.

6

87030775

BOLT,M8 x 38.1mm, Cl 10.9

2шт.

7

87681210

FLANGE NUT,M8 x 1.25, Cl 10

2шт.

Выбрано товаров: 7