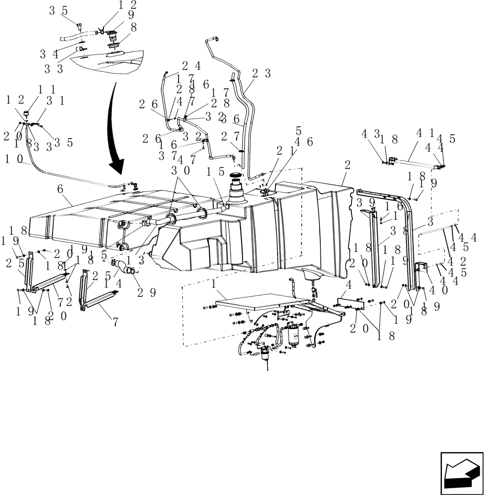
Запчасти Case IH 7010 (10.246.03[01]) - FUEL SYSTEM - 7010 (10) - ENGINE

Схема запчастей Case IH 7010 - (10.246.03[01]) - FUEL SYSTEM - 7010 (10) - ENGINE
38
19
11
18
13
12
45
33
7
3
1
25
12
28
20
45
18
47
20
26
4
32
18
20
19
14
17
26
40
6
17
9
10
32
19
30
16
37
18
44
35
28
19
20
19
18
18
19
18
43
47
24
2
15
17
44
18
27
8
44
46
36
21
42
20
35
15
18
31
41
20
45
33
16
18
5
16
19
20
29
34
23
7
18
25
39
FIT
1:1
100%

Артикул

Название

Примечание

Количество

1

87510818

SUPPORT

1шт.

2

87351468

FUEL TANK

1шт.

3

87608408

STRAP

Support

1шт.

4

87282297

PLATE

Stop (3 Bolt Holes)

1шт.

Shown

1шт.

Prior To PIN HAJ202001

1шт.

4

87646008

PLATE

Stop (5 Bolt Holes)

1шт.

Not Shown

1шт.

PIN HAJ202001 & After

1шт.

5

87392122

SENDER UNIT

Incl Ref 46 - Gasket

1шт.

6

86998004

FUEL TANK

Auxiliary

1шт.

7

86999837

SUPPORT

2шт.

8

86999947

GROMMET,25mm ID x 33mm OD, 46mm Shoulder

1шт.

9

86999948

SAFETY VALVE

1шт.

10

PL

PROCURE LOCALLY

HOSE, Breather

1шт.

11

86999949

FUEL FILTER

Fuel

1шт.

12

86637701

HOSE CLAMP,12.45mm - 12.95mm

2шт.

13

87000616

HOSE,38.10 mm ID x 675.00 mm, SAE 30R6 / SAE 30R7

Between Fuel Tanks

1шт.

14

87000615

HOSE,50.81 mm ID x 162.80 mm, SAE 30R6/SAE 30R7

Between Fuel Tanks

1шт.

15

86634186

HOSE CLAMP,32mm - 54mm

2шт.

16

322358

BELLEVILLE WASHER,M8 Bolt Size x 18mm OD x 1.4mm Thk

1шт.

17

9706690

NUT,M8 x 1.25, Cl 8

1шт.

18

140045

BELLEVILLE WASHER,M10 Bolt Size x 22mm OD x 1.6mm Thk

26шт.

19

43140

BOLT,Hex, M10 x 1.5 x 30mm, Cl 8.8

12шт.

20

100016

NUT,M10 x 1.5, Cl 8

13шт.

21

86511826

SCREW,Phillips Drive, Pan HD, M5 x 16mm

Pan Hd, M5 x 16

6шт.

22

86625019

HOSE CLAMP,44mm - 67mm

2шт.

23

87538470

HOSE,10mm ID x 2485mm L, SAE 100R6

1шт.

24

87621220

HOSE

Fuel Return

1шт.

25

87584444

SUPPORT

2шт.

26

9706748

CLAMP,15.9mm, Coat, 8.7mm Bolt Hole, P Type

2шт.

27

86566989

CABLE TIE,208mm L

CABLE STRAP

2шт.

28

43127

BOLT,Hex, M8 x 1.25 x 25mm, Cl 8.8

2шт.

30

617215

MOLDING

L = 72"; 11.4" Needed

2шт.

31

87280946

BRACKET

1шт.

32

620019

CLAMP

2шт.

33

86010402

CLAMP,12.7mm, Coat, 10.3mm Bolt Hole, P Type

2шт.

34

86511323

WASHER,10.5mm ID x 20mm OD x 2mm Thk

1шт.

35

300383

BOLT,Hex, M10 x 1.5 x 16mm, Cl 8.8, Full Thd

2шт.

36

291262A2

CONDUIT

2шт.

Sold In Bulk Rolls (L = 3930 mm); Cut To Desired Length

1шт.

37

43128

BOLT,M8 x 1.25 x 30mm, Cl 8.8

1шт.

38

87107355

STRAP

1шт.

39

86507486

CARRIAGE BOLT,M8 x 1.25 x 20mm, Cl 8.8

2шт.

40

87510668

BRACKET

1шт.

41

87369684

SUPPORT

1шт.

42

87390420

ROD

Tie

1шт.

43

811-10025

CARRIAGE BOLT,Sht Sq Nk, M10 x 1.5 x 25mm, Cl 8.8

1шт.

44

140046

BELLEVILLE WASHER,M12 Bolt Size x 27mm OD x 1.8mm Thk

4шт.

45

9706685

NUT,M12 x 1.75, Cl 8

4шт.

46

9832364

SEAL

Fuel Gauge

1шт.

47

87035448

SPACER,8.48mm ID x 12.7mm OD x 12.7mm L

2шт.

Выбрано товаров: 52