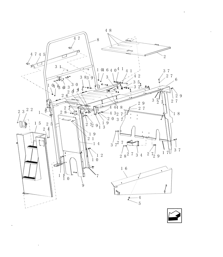
Запчасти Case IH 7010 (90.102.03[04]) - GUARDS, ENGINE - PRIOR TO PIN HAJ202001 - 8010 (90) - PLATFORM, CAB, BODYWORK AND DECALS

Схема запчастей Case IH 7010 - (90.102.03[04]) - GUARDS, ENGINE - PRIOR TO PIN HAJ202001 - 8010 (90) - PLATFORM, CAB, BODYWORK AND DECALS
38
6
24
15
7
20
48
19
27
2
37
29
30
43
44
27
19
37
13
5
27
47
10
33
8
28
27
47
18
23
37
29
25
37
22
27
31
27
34
39
29
26
35
20
21
11
45
42
41
17
27
32
10
27
48
3
14
9
16
40
46
1
41
10
43
10
29
28
12
37
44
46
27
36
27
4
FIT
1:1
100%

Артикул

Название

Примечание

Количество

1

87553570

FRAME ASSY

Red

1шт.

2

87553581

COVER ASSY

With Strips

1шт.

3

87109081

SUPPORT

1шт.

4

86624183

WASHER,6.6mm ID x 25mm OD x 1.6mm Thk

3шт.

5

86625199

SELF-TAP SCREW,Hex, M6 x 1 x 13mm

3шт.

6

87553593

FRAME ASSY

Red

1шт.

7

87107116

ARM

Support

1шт.

7

87553568

FRAME ASSY

Red

1шт.

For EU Only

1шт.

8

87281756

HANDRAIL

1шт.

9

87553598

COVER ASSY

Red

1шт.

10

140045

BELLEVILLE WASHER,M10 Bolt Size x 22mm OD x 1.6mm Thk

8шт.

11

43138

BOLT,Hex, M10 x 1.5 x 20mm, Cl 8.8

2шт.

12

100016

NUT,M10 x 1.5, Cl 8

2шт.

13

87553591

BRACKET

1шт.

13

87553590

BRACKET

Red

1шт.

For EU Only

1шт.

14

87553625

COVER ASSY

Red

1шт.

14

87553632

COVER ASSY

1шт.

For EU Only

1шт.

15

87553626

DOOR PANEL

1шт.

16

87555716

CURTAIN

No Longer Used-- Remove and discard

1шт.

17

87550271

SHEET

1шт.

18

87553627

DEFLECTOR

Red

1шт.

19

412649

BELLEVILLE WASHER,M6 Bolt Size x 18mm OD x 1.4mm Thk

4шт.

20

86998687

STUD

Ball

2шт.

21

86508813

NUT,M5, Cl 8

2шт.

22

87107238

LATCH

1шт.

23

86508568

BOLT,Hex, M6 x 1 x 16mm, Cl 8.8

4шт.

24

322357

BELLEVILLE WASHER,M6 Bolt Size x 14mm OD x 1.3mm Thk

4шт.

25

9706755

NUT,M6, Cl 8

4шт.

26

87107237

STRIKER PLATE

Door

1шт.

27

322358

BELLEVILLE WASHER,M8 Bolt Size x 18mm OD x 1.4mm Thk

1шт.

28

120104

BOLT,Hex, M8 x 1.25 x 20mm, Cl 8.8

10шт.

29

9706690

NUT,M8 x 1.25, Cl 8

1шт.

30

87026609

SPACER,8.48mm ID x 12.7mm OD x 9.53mm L

1шт.

31

86975394

BUMPER

2шт.

32

140041

WASHER,M8 x 28mm OD x 3mm Thk

3шт.

33

87281690

LATCH

1шт.

34

87105622

STEP

2шт.

35

87281729

BUSHING

1шт.

36

43128

BOLT,M8 x 1.25 x 30mm, Cl 8.8

1шт.

37

43127

BOLT,Hex, M8 x 1.25 x 25mm, Cl 8.8

1шт.

38

43129

BOLT,Hex, M8 x 1.25 x 40mm, LH Thd, Cl 8.8

1шт.

39

86580795

SPACER

1шт.

40

100037

LOCK NUT,M10 x 1.5, Cl 8

2шт.

41

86511323

WASHER,10.5mm ID x 20mm OD x 2mm Thk

4шт.

42

120074

BOLT,Hex, M10 x 90, 8.8

2шт.

43

86998688

LATCH

CLIP

2шт.

44

86984400

RIVET,Pop, 1/8" x .400", Stainless

4шт.

45

87284590

RAIL

1шт.

For EU Only

1шт.

46

9628503

NUT,3/8"-16, G5

4шт.

47

87037482

U-BOLT

2шт.

48

401502

ANTI-SKID STRIP

1шт.

Выбрано товаров: 55